Запчасти Case 590SN (88.055.01[03]) - DIA KIT, GRID HEATER INSTALLATION (88) - ACCESSORIES

Схема запчастей Case 590SN - (88.055.01[03]) - DIA KIT, GRID HEATER INSTALLATION (88) - ACCESSORIES
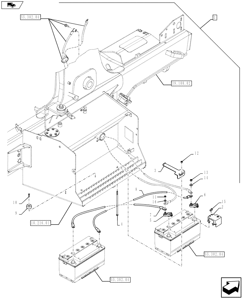
1
4
12
6
5
7
15
2
8
55.302.04
9
10.216.01
39.100.02
3
16
home
11
14
55.302.04
13
55.302.04
10
FIT
1:1
100%

Артикул

Название

Примечание

Количество

1

87732181

SERVICE KIT

Grid Heater Installation, Incl 2 - 16, Serial Range: -`0

1шт.

See Ref. 88.055.01 [01] to 88.055.01 [02], 88.035.33 [04]

1шт.

Refer to Installation Instructions for Correct Assembly Procedure

1шт.

2

87664021

COVER

1шт.

3

87653377

BRACKET

1шт.

4

87522766

BOLT,Hex, M8 x 220mm, Cl 8.8

1шт.

5

87735578

TERMINAL CONNECTOR,5/16 - 18 Stud

1шт.

6

87735577

TERMINAL CONNECTOR,3/16 - 18 Stud

1шт.

7

87610682

NEG BATTERY CABLE,485mm L

1шт.

8

87610681

POS BATTERY CABLE

1шт.

9

87671746

BUMPER,Neoprene

1шт.

10

614-6025

BOLT,Hex, M6 x 1 x 25mm, Cl 8.8, Full Thd

1шт.

11

425-105

NUT,5/16"-18, G5

1шт.

12

832-10408

NUT,M8 x 1.25, Cl 8.8

1шт.

13

425-106

NUT,3/8"-16, Cl 5

1шт.

14

495-11041

WASHER,0.406" ID x 0.812" OD x 0.065" W

1шт.

15

87486703

CABLE TIE,312mm L

1шт.

16

495-11034

WASHER,5/16", SAE

1шт.

Выбрано товаров: 18