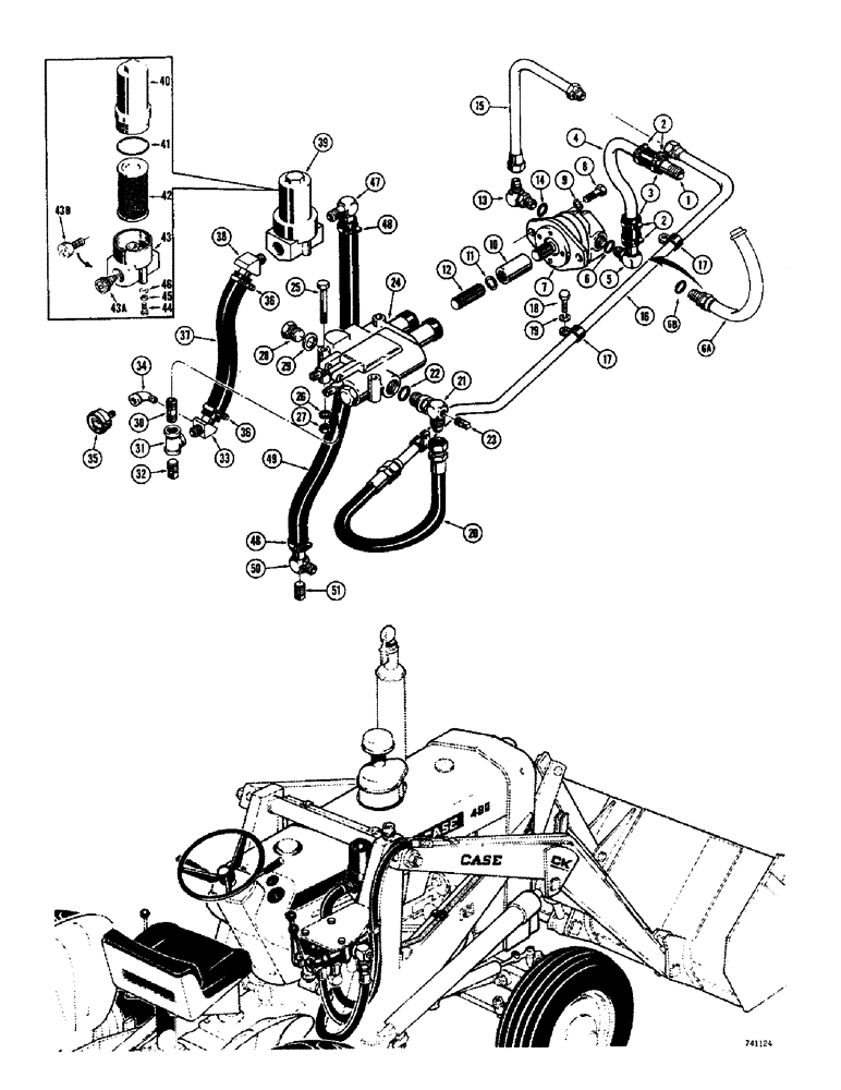
Запчасти Case 26 (024) - LOADER PRIMARY HYDRAULICS, BEFORE SN 5003000

Схема запчастей Case 26 - (024) - LOADER PRIMARY HYDRAULICS, BEFORE SN 5003000
FIT
1:1
100%

Артикул

Название

Примечание

Количество

1

D33363

FITTING

STEM - hose, hydraulic reservoir

1шт.

2

214-257

HOSE CLAMP,#24, 1.06" - 2", Type F Worm

4шт.

3

R13911

HOSE,31.80 mm ID x 101.60 mm ID, SAE 100R3

- low pressure, reservoir to pump 31.80 mm ID x 101.60 mm ID, SAE 100R3

2шт.

4

D33822

TUBE -, Serial Range: reservoir-pump

1шт.

5

D33591

STEM - hose, 90 degrees (Used with D41914 or D39525 pumps), Includes: Ref. 6

1шт.

6

218-5009

O-RING,0.116" Thk x 1.048" ID, -914, Cl 6, 90 Duro

SEAL - "O"ring

1шт.

6a

D36747

STEM

- hose (Used with R24623 pump), Includes: Ref. 6B

1шт.

6b

218-5011

O-RING,0.118" Thk x 1.475" ID, -920, Cl 6, 90 Duro

SEAL - "O"ring

1шт.

7

D41914

PUMP - hydraulic, 17 G.P.M. at 2000 R.P.M. at 2000 P.S.I. (Loader models only) Components not serviced

1шт.

D39525

PUMP - hydraulic, loader/backhoe models (17.5 G.P.M. at 1750 R.P.M. at 2000 P.S.I.) Parts list Figure 82

1шт.

R24623

PUMP, HYDRAULIC

PUMP - hydraulic, loader/backhoe models (17.5 G.P.M. at 1750 R.P.M. at 2000 P.S.I) Parts list Figure 83A

1шт.

8

13-820

BOLT,Hex, 1/2" - 13 x 1-1/4", Gr 5, Full Thd

2шт.

9

92-8

LOCK WASHER,1/2"

med. sect. 1/2"

2шт.

10

D31108

SPLINED COUPLING

COUPLING - female, pump to drive shaft, Includes: Ref. 11

1шт.

11

G46150

SNAP RING,0.75", Int, #75

Ring, Snap, , coupling 0.75", Int, #75

1шт.

12

D30569

SHAFT

- pump drive

1шт.

13

218-5115

ELBOW,90 Degree Elbow, 1-5/16" - 12 Male JIC x 1-3/16" - 12 Male ORB

- adjustable, 90 degrees (Used with D41914 or D39525 pumps), Includes: Ref. 14

1шт.

14

218-5009

O-RING,0.116" Thk x 1.048" ID, -914, Cl 6, 90 Duro

SEAL - "O"ring

1шт.

13

218-5110

ELBOW,90 Degree Elbow, 1-5/16" - 12 Male JIC x 1-5/16" - 12 Male ORB

90º, adjustable (Used with R24623 pump), Incl. Ref. 14

1шт.

14

218-5010

O-RING,0.116" Thk x 1.171" ID, -916, Cl 6, 90 Duro

SEAL - "O"ring

1шт.

15

D41682

TUBE ASSY.

TUBE -, Serial Range: pump-valve

1шт.

16

D33579

TUBE

-, Serial Range: pump-valve

1шт.

17

R11405

CLAMP

- tube

3шт.

18

13-516

BOLT,Hex, 5/16" - 18 x 1", Gr 5

3шт.

19

92-5

LOCK WASHER,5/16"

med sect. 5/16"

3шт.

20

D24646

HOSE ASSY.

HOSE - pump to valve (25" long)

1шт.

21

D26360

ELBOW - adjustable, 90 degrees, Includes: Ref. 22

1шт.

22

218-5009

O-RING,0.116" Thk x 1.048" ID, -914, Cl 6, 90 Duro

SEAL - "O"ring

1шт.

23

221-12

PLUG,Sq Hd, 1/4"-18

- pipe, square head (1/4" NPT)

1шт.

24

D44563

VALVE - loader control, 2 spool (Parts list Figure 86)

1шт.

25

13-640

BOLT,Hex, 3/8" - 16 x 2-1/2", Gr 5

HHCS - 3/8" - 16 NC x 2-1/2"

3шт.

26

92-6

LOCK WASHER,3/8"

med. sect. 3/8"

3шт.

27

25-106

NUT,3/8"-16, G5

- hex. (3/8" - 16 NC)

3шт.

28

D25604

PLUG

- special

1шт.

29

D25653

GASKET

- plug

1шт.

30

221-215

PIPE,Nipple, 3/4" NPT x 2"

NIPPLE - pipe

1шт.

31

221-425

FITTING,3/4" NPT

TEE - female

1шт.

32

221-15

PLUG,Sq Hd, 3/4"-14

- pipe, square head (3/4" NPT)

1шт.

33

R11626

CONNECTOR, ELEC

STEM - hose, 45 degrees (Special)

1шт.

34

221-411

ELBOW,90 Degree, 1/8"-27, NPT

Street 90º, 1/8"-27, NPT

1шт.

35

D29650

ELECTRICAL GAUGE

GAUGE - filter condition indicator

1шт.

36

214-256

HOSE CLAMP,#20, 0.81" - 1.75", Type F Worm

CLAMP - hose

2шт.

37

L43005

HOSE

- low pressure, Serial Range: valve-filter

1шт.

38

D39509

STEM - hose, 45 degrees

1шт.

39

D43567

FILTER ASSY

- hydraulic oil, Includes: Ref. 40 - 43B

1шт.

40

D42439

HOUSING

- filter

1шт.

D43800

FILTER, ELEMENT

ELEMENT KIT - filter, Includes: Ref. 41 and 42

1шт.

41

A27994

O-RING,0.139" Thk x 3.234" ID, -236, Cl 5, 75 Duro

SEAL - "O"ring

1шт.

42

NSS

NOT SOLD SEPARAT

ELEMENT - filter

1шт.

D42440

FILTER HEAD

HEAD ASSEMBLY - filter (When stock is exhausted, order D61903 head assembly for service)

1шт.

D61903

HEAD

ASSEMBLY - filter, Includes: Ref. 43 - 43B

1шт.

43

NSS

NOT SOLD SEPARAT

HEAD - filter

1шт.

43a

D49377

LOCK VALVE

VALVE - by-pass (D42440 head assembly only)

1шт.

43b

D48199

CLAMP

VALVE - by-pass (D61903 head assembly only)

1шт.

44

13-816

BOLT,Hex, 1/2" - 13 x 1", Gr 5, Full Thd

2шт.

45

92-8

LOCK WASHER,1/2"

med. sect. 1/2"

2шт.

46

195-33

WASHER,1/2"

- plain () 1/2"

2шт.

47

217-136

ELBOW,90 Degree Elbow, 1" Hose Barb x 1" Male NPTF

STEM - hose, 90 degrees

1шт.

48

214-256

HOSE CLAMP,#20, 0.81" - 1.75", Type F Worm

CLAMP - hose

2шт.

49

D42285

HOSE

- low pressure, Serial Range: filter-reservoir

1шт.

50

D33590

STEM - hose, 90 degrees (Special)

1шт.

51

221-14

DRAIN PLUG,Sq Hd, 1/2"-14 NPTF

PLUG - pipe, square head (1/2" NPT)

1шт.

Выбрано товаров: 0