Запчасти Case 26 (056) - 3 POINT HITCH CONTROL LEVERS, WITH SECTIONAL TYPE CONTROL VALVE

Схема запчастей Case 26 - (056) - 3 POINT HITCH CONTROL LEVERS, WITH SECTIONAL TYPE CONTROL VALVE
FIT
1:1
100%

Артикул

Название

Примечание

Количество

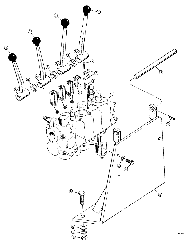
1

D33255

LEVER

- 3 point hitch control, lift

1шт.

2

D51689

LEVER - 3 point hitch control, pitch

1шт.

3

D51690

LEVER

- 3 point hitch control, tilt

1шт.

4

D33256

LEVER - 3 point hitch control, implement

1шт.

5

138-98

LOCK PIN,3/16" x 1 1/4", Slotted

PIN - roll type, 1/4" dia. x 1"

1шт.

6

D52945

SHAFT

- control lever pivot

1шт.

7

141-3

CLEVIS PIN,5/16" x .940"

PIN, CLEVIS, , Link mounting 5/16" x .940"

8шт.

8

132-25

COTTER PIN,3/32" x 5/8"

Pin, Split (Cotter), 3/32" x 5/8"

8шт.

9

D52980

LINK - lever to spool (Lift spool only)

2шт.

10

D38089

LINK

- lever to spool (Pitch, tilt and implement spools only)

6шт.

11

D52970

CONTROL VALVE

VALVE - control, 3 point hitch (Parts list Figure 62)

1шт.

12

D52950

PLATE - valve mounting

1шт.

13

13-612

BOLT,Hex, 3/8" - 16 x 3/4", Gr 5, Full Thd

3шт.

14

92-6

LOCK WASHER,3/8"

med. sect. 3/8"

3шт.

15

13-824

BOLT,Hex, 1/2" - 13 x 1-1/2", Gr 5, Full Thd

3шт.

16

95-8

WASHER,1/2"

- standard wrot 1/2"

3шт.

17

92-8

LOCK WASHER,1/2"

med. sect. 1/2"

3шт.

18

25-108

NUT,1/2"-13, G5

- hex. (1/2" - 13 NC)

3шт.

19

D52944

SPACER - valve lever

3шт.

Выбрано товаров: 19