Запчасти Case 26 (092) - LOCK UP PARTS, PADLOCKS AND KEYS

Схема запчастей Case 26 - (092) - LOCK UP PARTS, PADLOCKS AND KEYS
FIT
1:1
100%

Артикул

Название

Примечание

Количество

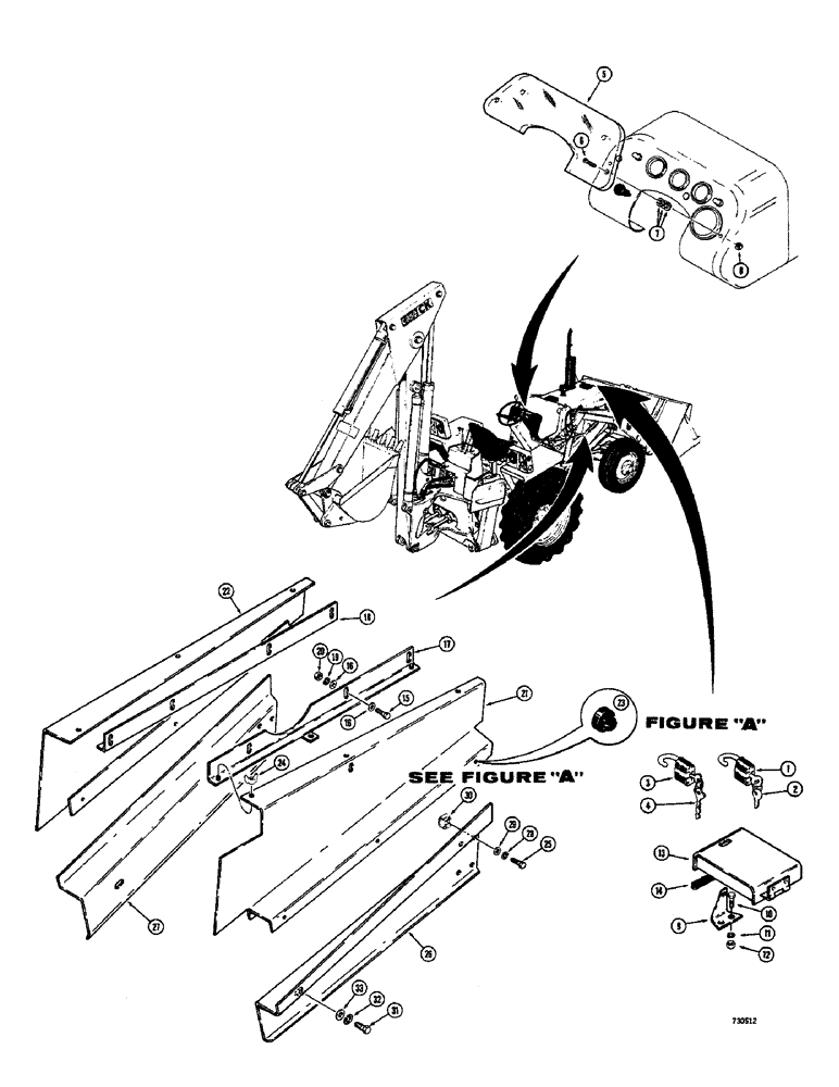
1

D40678

LOCK

PADLOCK - tractor lockup (Mfg. part no. X-2138)

4шт.

2

D40679

KEY

- (Mfg. part no. X-2138) Used with D40678 padlock

2шт.

3

R29554

LOCK

PADLOCK - tractor lockup (Mfg. part no. 500)

4шт.

4

R29555

KEY

- padlock (Used with R29554 padlock) mfg. part no. 199KA

2шт.

5

D50192

SHIELD - instrument panel, lockup

1шт.

6

164-33

HEX SOC SCREW,Flat Hd, 1/4" - 20 x 1 1/4"

- cap, hex. socket (1/4" - 20 NC x 1-1/4"), instument panel lockup

2шт.

7

195-18

WASHER,1/4"

- plain (), instrument panel, lockup 1/4"

1шт.

8

131-650

NUT,1/4"-20, GB

NUT - hex., lock (1/4" - 20 NC), instrument panel lockup

2шт.

9

D50660

BRACKET

- cover and lock retaining, radiator and fuel lockup

2шт.

10

13-410

BOLT,Hex, 1/4" - 20 x 5/8", Gr 5, Full Thd

Radiator and fuel lockup Hex, 1/4"-20 x 5/8", G5, Full Thd

8шт.

11

92-4

LOCK WASHER,1/4"

WASHER, LOCK, , Radiator and fuel lockup 1/4"

8шт.

12

25-104

NUT,1/4"-20, G5

Radiator and fuel lockup 1/4"-20, G5

8шт.

13

D50663

COVER

- radiator and fuel (When stock is exhausted, order D58264 cover for service), lockup

2шт.

13

D58264

COVER

- radiator and fuel lockup

2шт.

14

D55218

SEAL, GLASS,76mm L

EDGE - protective, cover (When stock is exhausted, order D95461 edge for service, radiator and fuel lockup

2шт.

14

D95461

LINING

EDGE - protective, cover, radiator and fuel lockup

2шт.

15

113-207

BOLT,Hex, 3/8" - 16 x 1", Gr 5

Engine side shield lockup Hex, 3/8"-16 x 1", G5, Full Thd

7шт.

16

195-525

WASHER,3/8", SAE

- plain (3/8"), engine side shield lockup

14шт.

17

D56396

HANGER - side panel, R.H. (Before SN. 5228720), engine shield lockup

1шт.

17

D55695

HANGER - side panel, R.H. (Loader SN. 5228720 and after), engine shield lockkup

1шт.

18

D55697

HANGER - side panel, L.H., engine shield lockup

1шт.

19

192-21

LOCK WASHER,3/8"

WASHER, LOCK, , Engine side shield lockup 3/8"

7шт.

20

129-103

NUT,Hex, 3/8" - 16, Gr 5

NUT, , Engine side shield lockup 3/8"-16, G5

7шт.

21

D56391

PANEL - side, R.H. (Upper) before SN. 5228720, engine shield lockup

1шт.

21

D55699

PANEL ASSY.

PANEL - side, R.H. (Upper) loader SN. 5228720 and after, engine shield lockup

1шт.

22

D55701

PANEL ASSY.

PANEL - side, L.H. (Upper), engine shield lockup

1шт.

23

D55964

BUMPER - grommet (Upper side panels), engine shield lockup

12шт.

24

129-409

WING NUT,1/4"-20

NUT, WING, , Engine side shield lockup 1/4"-20

4шт.

25

113-102

BOLT,Hex, 5/16" - 18 x 3/4", Gr 5

Hex, 5/16"-18 x 3/4", G5, Full Thd, Engine side shield lockup

2шт.

26

D55814

PANEL - side, R.H. (Lower), engine shield lockup

1шт.

27

D55815

PANEL - side, L.H. (Lower), engine shield lockup

1шт.

28

192-20

LOCK WASHER,Helical Spring, 0.318" ID, CST, ZND

WASHER, LOCK, , Engine side shield lockup 5/16"

2шт.

29

195-521

WASHER,5/16", SAE

- plain (5/16"), engine side shield lockup

2шт.

30

131-113

SPRING NUT,J, Ret, 5/16"-18

Engine side shield lockup J, Ret, 5/16"-18

2шт.

31

113-602

BOLT,Hex, 5/8" - 11 x 1", Gr 5, Full Thd

Engine side shield lockup Hex, 5/8"-11 x 1", G5, Full Thd

2шт.

32

192-25

LOCK WASHER,5/8"

WASHER, LOCK, , Engine side shield lockup 5/8"

2шт.

33

195-541

WASHER,5/8", SAE

- plain (5/8"), engine side shield lockup

2шт.

Выбрано товаров: 37