Запчасти Case 26B (042) - LOADER LIFT AND TILT HYDRAULICS, USED WITH DUAL TILT CYLINDER ONLY

Схема запчастей Case 26B - (042) - LOADER LIFT AND TILT HYDRAULICS, USED WITH DUAL TILT CYLINDER ONLY
FIT
1:1
100%

Артикул

Название

Примечание

Количество

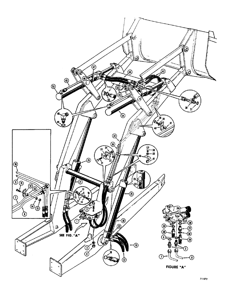
1

D44563

VALVE - loader control, 2 spool (Parts list Figure 86)

1шт.

2

13-640

BOLT,Hex, 3/8" - 16 x 2-1/2", Gr 5

HHCS - 3/8" - 16 NC x 2-1/2"

3шт.

3

92-6

LOCK WASHER,3/8"

med. sect. 3/8"

3шт.

4

25-106

NUT,3/8"-16, G5

- hex. (3/8" - 16 NC)

3шт.

5

218-5062

HYD CONNECTOR,7/8"-14, 37 Degree x 7/8"-14, O-Ring

CONNECTOR - straight male, lift cylinder hydraulics, Includes: Ref. 6

2шт.

6

237-6010

O-RING,0.097" Thk x 0.755" ID, -910, Cl 6, 90 Duro

SEAL - "O"ring, lift cylinder hydraulics

1шт.

7

D54155

TUBE - valve to lift cylinder, closed end, hydraulics

1шт.

8

D54157

TUBE - valve to lift cylinder, rod end, hydraulics

1шт.

9

D50357

TUBE

- crossover, valve to lift cylinder, closed end, hydraulics

1шт.

10

D50353

TUBE

- crossover, valve to lift cylinder, rod end, hydraulics

1шт.

11

13-628

BOLT,Hex, 3/8" - 16 x 1-3/4", Gr 5

Lift cylinder hydraulics Hex, 3/8"-16 x 1 3/4", G5

1шт.

12

D42504

CLAMP

- tube, lift cylinder hydraulics

2шт.

13

D33552

BUSHING

SPACER - clamp, lift cylinder hydraulics

2шт.

14

92-6

LOCK WASHER,3/8"

lift cylinder hydraulics 3/8"

2шт.

15

131-4

LOCK NUT,5/16"-18, GB

NUT - hex., lock (5/16" - 18 NC), lift cylinder hydraulics

1шт.

16

13-520

BOLT,Hex, 5/16" - 18 x 1-1/4", Gr 5

HHCS - 5/16" - 18 NC x 1-1/4", lift cylinder hydraulics

1шт.

17

D30533

HOSE

- valve to lift cylinder, closed end (26" long), hydraulics, Includes: Ref. 18

2шт.

18

237-6010

O-RING,0.097" Thk x 0.755" ID, -910, Cl 6, 90 Duro

SEAL - "O"ring, lift cylinder hydraulics

1шт.

19

D30541

HOSE

- valve to lift cylinder, rod end (27-1/8" long), hydraulics

2шт.

20

D31460

TUBE

- valve to R.H. lift cylinder, rod end, hydraulics

1шт.

21

D31459

TUBE

- valve to L.H. lift cylinder, rod end, hydraulics

1шт.

22

214-262

HOSE CLAMP,#44, 2.31" - 3.25", Type F Worm

CLAMP - tube to cylinder, lift, hydraulics

2шт.

23

218-5062

HYD CONNECTOR,7/8"-14, 37 Degree x 7/8"-14, O-Ring

CONNECTOR - straight, male, lift cylinder hydraulics, Includes: Ref. 24

2шт.

24

237-6010

O-RING,0.097" Thk x 0.755" ID, -910, Cl 6, 90 Duro

SEAL - "O"ring, lift cylinder hydraulics

1шт.

25

REF

INSTRUCTION

CYLINDER - hydraulic, R.H. loader lift (See fig. 102 and 104 for proper cylinders)

1шт.

26

REF

INSTRUCTION

CYLINDER - hydraulic, L.H. loader lift (See fig. 102 and 104 for proper cylinder)

1шт.

27

D36750

RESTRICTOR - tilt, flow control, cylinder hydraulics

1шт.

28

237-6010

O-RING,0.097" Thk x 0.755" ID, -910, Cl 6, 90 Duro

SEAL - "O"ring, tilt cylinder hydraulics

1шт.

29

D33583

FLEXIBLE HOSE

HOSE - valve to tilt cylinder (44" long), hydraulics, Includes: Ref. 30

2шт.

30

237-6010

O-RING,0.097" Thk x 0.755" ID, -910, Cl 6, 90 Duro

SEAL - "O"ring, tilt cylinder hydraulics

1шт.

31

13-532

BOLT,Hex, 5/16" - 18 x 2", Gr 5

Tilt cylinder hydraulics Hex, 5/16"-18 x 2", G5

2шт.

32

D33316

CLAMP

- hose, tilt cylinder hydraulics

4шт.

33

D33554

BUSHING

SPACER - clamp, tilt cylinder hydraulics

2шт.

34

195-21

WASHER,5/16"

- standard wrot (), Tilt cylinder hydraulics 5/16"

2шт.

35

131-4

LOCK NUT,5/16"-18, GB

NUT - hex., lock (5/16" - 18 NC), tilt cylinder hydraulics

2шт.

36

D31359

TUBE

- valve to tilt cylinder, rod end, hydraulics

1шт.

37

D31361

TUBE

- valve to tilt cylinder, closed end, hydraulics

1шт.

38

13-520

BOLT,Hex, 5/16" - 18 x 1-1/4", Gr 5

HHCS - 5/16" - 18 NC x 1-1/4", tilt cylinder hydraulics

4шт.

39

92-5

LOCK WASHER,5/16"

tilt cylinder hydraulics 5/16"

4шт.

40

R17319

CLAMP

- tube, tilt cylinder hydraulics

4шт.

41

D33551

BUSHING

SPACER - tube, tilt cylinder hydraulics

4шт.

42

D31370

HOSE

- valve to tilt cylinder (30-1/2" long), hydraulics

2шт.

43

D38634

HOSE

TUBE - valve to R.H. tilt cylinder, closed end, hydraulics

1шт.

44

D30543

HOSE,12.7mm ID x 736.6mm L, SAE 100R2

- valve to L.H. cylinder, closed end (29" long), tilt, hydraulics

1шт.

45

D38637

TUBE

- valve to L.H. tilt cylinder, closed end, hydraulics

1шт.

46

D38648

BLOCK

SPACER - clamp to tube, tilt cylinder hydraulics

2шт.

47

214-262

HOSE CLAMP,#44, 2.31" - 3.25", Type F Worm

CLAMP - tube, tilt cylinder hydraulics

2шт.

48

218-5121

ELBOW,90 Degree Elbow, 3/4" - 16 Male JIC x 7/8" - 14 Male ORB

- adjustable, 90 degrees, tilt cylinder hydraulics, Includes: Ref. 49

2шт.

49

237-6010

O-RING,0.097" Thk x 0.755" ID, -910, Cl 6, 90 Duro

SEAL - "O"ring, tilt cylinder hydraulics

1шт.

50

218-5241

TEE,7/8" - 14 Male JIC x 7/8" - 14 Male JIC x 7/8" - 14 Male ORB

- adjustable, male, tilt cylinder hydraulics, Includes: Ref. 51

1шт.

51

237-6010

O-RING,0.097" Thk x 0.755" ID, -910, Cl 6, 90 Duro

SEAL - "O"ring, tilt cylinder hydraulics

1шт.

52

D31368

HOSE

- valve to L.H. tilt cylinder, rod end (29-3/4" long), hydraulics, Includes: Ref. 53

1шт.

53

237-6010

O-RING,0.097" Thk x 0.755" ID, -910, Cl 6, 90 Duro

SEAL - "O"ring, tilt cylinder hydraulics

1шт.

54

REF

INSTRUCTION

CYLINDER - hydraulic, tilt (R.H.) 2-1/2" dia. x 20" stroke (See fig. 100 for proper cylinder)

1шт.

55

REF

INSTRUCTION

CYLINDER - hydraulic, tilt (L.H.) 2-1/2" dia. x 20" stroke (See fig. 100 for proper cylinder)

1шт.

Выбрано товаров: 55