Запчасти Case 26B (082) - D39525 LOADER BACKHOE PUMP

Схема запчастей Case 26B - (082) - D39525 LOADER BACKHOE PUMP
FIT
1:1
100%

Артикул

Название

Примечание

Количество

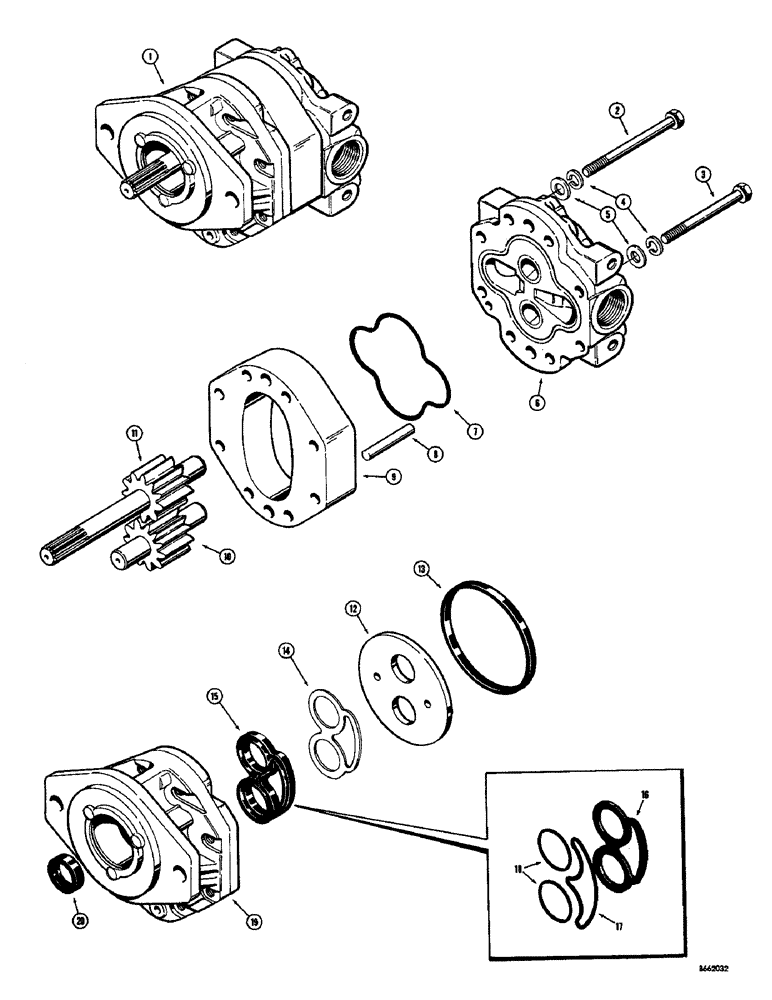
1

D39525

PUMP - hydraulic, loader backhoe models only (17.5 G.P.M at 1750 R.P.M. at 1750 P.S.I.) Hydreco #1713A1B1KL, Includes: Ref. 2 - 9

1шт.

2

13-664

BOLT,Hex, 3/8" - 16 x 4", Gr 5

4шт.

3

13-652

BOLT,Hex, 3/8" - 16 x 3-1/4", Gr 5

HHCS - 3/8" - 16 NC x 3-1/4"

4шт.

4

92-6

LOCK WASHER,3/8"

med. sect. 3/8"

8шт.

5

NSS

NOT SOLD SEPARAT

WASHER - special

8шт.

6

NSS

NOT SOLD SEPARAT

COVER - pump, port end

1шт.

7

D41307

SEAL - "O"ring

1шт.

8

NSS

NOT SOLD SEPARAT

PIN - dowel

2шт.

9

NSS

NOT SOLD SEPARAT

HOUSING - gear

1шт.

10

NSS

NOT SOLD SEPARAT

GEAR - driven, Includes: Ref. 11

1шт.

11

NSS

NOT SOLD SEPARAT

SHAFT AND GEAR - drive

1шт.

12

D41301

PLATE - wear, Includes: Ref. 13 - 20

1шт.

13

D41308

SEAL - quad ring

1шт.

14

D41303

SEAL

- backup, phenolic

1шт.

15

NSS

NOT SOLD SEPARAT

SEAL - molded

1шт.

16

D41304

SEAL - backup, fiber (If used)

1шт.

17

D41306

O-RING

SEAL - "O"ring, large (If used)

1шт.

18

D41311

O-RING,0.103" Thk x 1.174" ID, -123, Cl 6, 90 Duro

SEAL - "O"ring, small (If used)

2шт.

19

NSS

NOT SOLD SEPARAT

COVER - pump, shaft end

1шт.

20

D41305

OIL SEAL

SEAL - drive shaft

1шт.

Выбрано товаров: 20