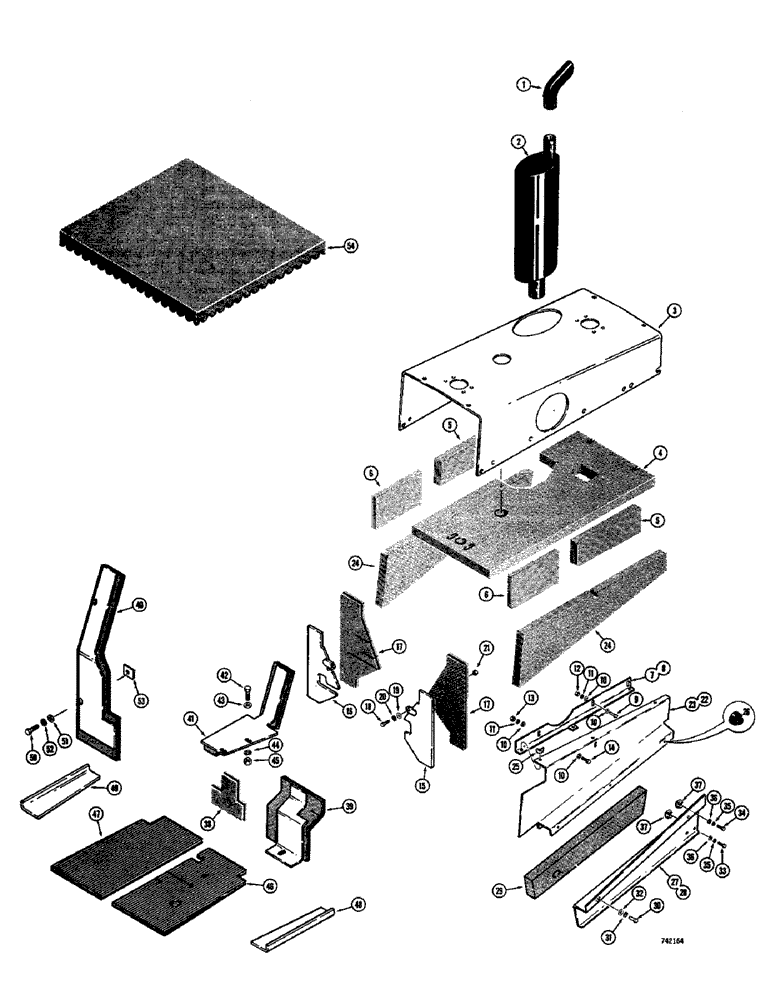
Запчасти Case 26B (114) - NOISE CONTROL PARTS AND PADDING, BASIC TRACTOR AND ROPS CANOPY

Схема запчастей Case 26B - (114) - NOISE CONTROL PARTS AND PADDING, BASIC TRACTOR AND ROPS CANOPY
FIT
1:1
100%

Артикул

Название

Примечание

Количество

1

D53101

PIPE

EXTENSION - exhaust, noise control

1шт.

2

D55532

MUFFLER

- noise control

1шт.

3

D60267

HOOD

- tractor (188 diesel)

1шт.

3

D60266

HOOD - tractor (159 gas)

1шт.

4

REF

INSTRUCTION

PADDING - hood, top (Cut from D59896 bulk padding)

1шт.

5

REF

INSTRUCTION

PADDING - hood, side (Front) cut from D59896 bulk padding

2шт.

6

REF

INSTRUCTION

PADDING - hood, side (Rear) cut from D59897 bulk padding

2шт.

7

D55695

HANGER - side panel, R.H.

1шт.

8

D55697

HANGER - side panel, L.H.

1шт.

9

113-207

BOLT,Hex, 3/8" - 16 x 1", Gr 5

5шт.

10

195-525

WASHER,3/8", SAE

- flat, 3/8" (Zinc plated)

14шт.

11

192-21

LOCK WASHER,3/8"

WASHER, LOCK, 3/8"

7шт.

12

129-103

NUT,Hex, 3/8" - 16, Gr 5

NUT, 3/8"-16, G5

5шт.

13

25-106

NUT,3/8"-16, G5

- hex., 3/8" - 18 NC

2шт.

14

113-206

BOLT,Hex, 3/8" - 16 x 3/4", Gr 5, Full Thd

HHCS - 3/8" - 18 NC x 3/4" (Zinc plated)

2шт.

15

D55515

PLATE - noise deflection, R.H.

1шт.

16

D56007

PLATE - noise deflection, L.H.

1шт.

17

REF

INSTRUCTION

PADDING - noise deflection (Cut from D59897 bulk padding)

2шт.

18

113-102

BOLT,Hex, 5/16" - 18 x 3/4", Gr 5

Hex, 5/16"-18 x 3/4", G5, Full Thd

2шт.

19

195-521

WASHER,5/16", SAE

- flat, 5/16" (Zinc plated)

2шт.

20

192-20

LOCK WASHER,Helical Spring, 0.318" ID, CST, ZND

WASHER, LOCK, 5/16"

2шт.

21

9635082

NUT,5/16" - 18, Gr 5

2шт.

22

D55699

PANEL ASSY.

PANEL - engine side, upper (R.H.)

1шт.

23

D55701

PANEL ASSY.

PANEL - engine side, upper (L.H.)

1шт.

24

REF

INSTRUCTION

PADDING - engine side panel, upper (Cut from D59896 bulk pad)

2шт.

25

129-409

WING NUT,1/4"-20

NUT, WING, 1/4"-20

4шт.

26

D55964

GROMMET - rubber

12шт.

27

D55814

PANEL - engine side, lower (R.H.)

1шт.

28

D55815

PANEL - engine side, lower (L.H.)

1шт.

29

REF

INSTRUCTION

PADDING - engine side, lower (Cut from D59896 pad)

2шт.

30

113-602

BOLT,Hex, 5/8" - 11 x 1", Gr 5, Full Thd

2шт.

31

192-25

LOCK WASHER,5/8"

WASHER, LOCK, 5/8"

2шт.

32

195-541

WASHER,5/8", SAE

- flat, 5/8" (Zinc plated)

2шт.

33

113-103

BOLT,Hex, 5/16" - 18 x 1", Gr 5

2шт.

34

113-102

BOLT,Hex, 5/16" - 18 x 3/4", Gr 5

Hex, 5/16"-18 x 3/4", G5, Full Thd

2шт.

35

192-20

LOCK WASHER,Helical Spring, 0.318" ID, CST, ZND

WASHER, LOCK, 5/16"

4шт.

36

195-521

WASHER,5/16", SAE

- flat, 5/16" (Zinc plated)

4шт.

37

131-113

SPRING NUT,J, Ret, 5/16"-18

- hex., 5/16" - 18 NC (Zinc plated)

4шт.

38

REF

INSTRUCTION

PADDING - steering column (Cut from D60787 bulk pad)

1шт.

39

D61092

PANEL AND PAD - lower, R.H.

1шт.

40

D60764

PANEL AND PAD - L.H.

1шт.

41

D60758

PANEL AND PAD - upper, R.H.

1шт.

42

13-640

BOLT,Hex, 3/8" - 16 x 2-1/2", Gr 5

HHCS - 3/8" - 16 NC x 2-1/2"

3шт.

43

195-525

WASHER,3/8", SAE

- flat, 3/8" (Zinc plated)

2шт.

44

92-6

LOCK WASHER,3/8"

med. sect. 3/8"

3шт.

45

25-10

NUT - hex., 3/8" - 16 NC

3шт.

46

D60771

MAT - floor, R.H.

1шт.

47

D60770

MAT - floor, L.H.

1шт.

48

D60768

PLATE - floor extension, R.H.

1шт.

49

D60769

PLATE - floor extension, L.H.

1шт.

50

113-206

BOLT,Hex, 3/8" - 16 x 3/4", Gr 5, Full Thd

2шт.

51

195-525

WASHER,3/8", SAE

- flat, 3/8" (Zinc plated)

2шт.

52

192-21

LOCK WASHER,3/8"

WASHER, LOCK, 3/8"

2шт.

53

D26232

NUT - weld, 3/8" - 16 NC

2шт.

54

D59562

PADDING - ROPS canopy

1шт.

D59896

PADDING

- bulk, 54" x 36" x 2" (Not shown)

1шт.

D59897

PADDING

- bulk, 54" x 36" x 1" (Not shown)

1шт.

D60787

PADDING - bulk, 24" x 48" x .80" (Not shown)

1шт.

345-43

ADHESIVE - 1 oz. (Not shown)

16шт.

Выбрано товаров: 59