Запчасти Case 31 (030) - D30402 HYDRAULIC PUMP

Схема запчастей Case 31 - (030) - D30402 HYDRAULIC PUMP
FIT
1:1
100%

Артикул

Название

Примечание

Количество

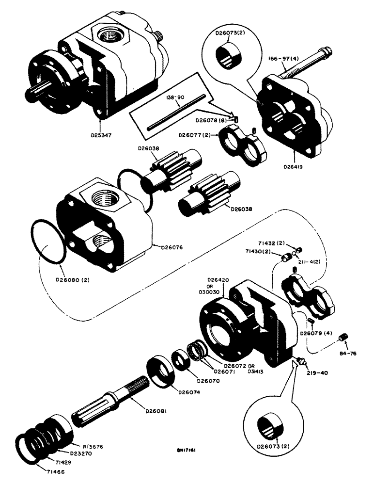
71429

BEARING COVER

SHIELD - bearing

1шт.

71466

SNAP RING,#206, 2.190", Int, Spiral

- bearing shield retaining

1шт.

D23270

X

SEAL - bearing

1шт.

D26070

OIL RESERVOIR

SEAL - oil

1шт.

D26071

RING

- backup

2шт.

D26072

X

SEAL - "O" ring, drive shaft (Use D31413)

1шт.

D26073

ROLLER BEARING,28.575 mm ID x 41.275 mm OD x 25.4 mm

BEARING - roller, front and rear cover

4шт.

D26074

SPACER

- bearing

1шт.

D26077

LARGE PLATE

PLATE - thrust

2шт.

D26078

X

SEAL - pocket (Short) (Use D30031)

8шт.

D26079

X

SEAL - pocket (Long) (Use D30031)

4шт.

D26080

O-RING

SEAL - "O" ring

2шт.

D26081

SHAFT - pump drive

1шт.

D26419

COVER - port end (Includes 2 - D26073 bearings)

1шт.

1/2" - 13 NC x 4" hex. head cap screw (13-848)

4шт.

D30030

COVER - shaft end (Includes 2 - D26073 bearings and 1 - 84-76 screw)

1шт.

7/16" - 20 NF x 3/8" socket head set screw (84-76) (High pressure side)

1шт.

1/8" NPT, 67-1/2 degree grease fitting (219-40)

1шт.

D30031

SEAL

- pocket (5" long x .103" dia.)

1шт.

D30402

PUMP - hydraulic (Commercial #P15H202BEVC15-9) (16 G.P.M.)

1шт.

G.P.M. is rated at 1900 R.P.M. and 2000 P.S.I. This pump is not provided as a service item. For service of complete pump 1 - D28878 pump and 1 - D28882 bracket should be used.

1шт.

D30680

HOUSING - gear

1шт.

D31413

O-RING,0.139" Thk x 0.859" ID, -212, Cl 5, 75 Duro

SEAL - "O" ring, drive shaft

1шт.

R13676

BALL BEARING

BEARING - ball, drive shaft

1шт.

Выбрано товаров: 0