Запчасти Case 33 (120) - SWING DOWN BACKHOE SEAT, FLOOD AND TAIL LAMP

Схема запчастей Case 33 - (120) - SWING DOWN BACKHOE SEAT, FLOOD AND TAIL LAMP
FIT
1:1
100%

Артикул

Название

Примечание

Количество

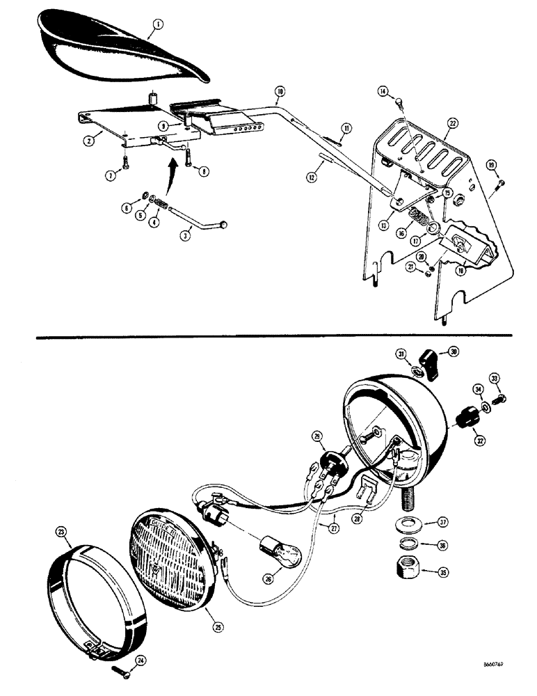
D31309

SEAT

ASSEMBLY - backhoe, swing down, Includes: Ref. 1 - 9

1шт.

1

NSS

NOT SOLD SEPARAT

SEAT - padded

1шт.

2

D31308

ADJUSTER

SLIDE - seat, upper, Includes: Ref. 3 - 6

1шт.

3

D40765

LEVER

- seat adjusting

1шт.

4

D40766

SPRING

- lever

1шт.

5

195-21

WASHER,5/16"

- plain () 5/16"

1шт.

6

A27810

CIRCLIP,#X31, .243" Dia, E-Type

Ring, Retaining, #X31, .243" Dia, E-Type

1шт.

7

13-510

BOLT,Hex, 5/16" - 18 x 5/8", Gr 5, Full Thd

2шт.

8

13-528

BOLT,Hex, 5/16" - 18 x 1-3/4", Gr 5

HHCS - 5/16" - 18 NC x 1-3/4"

2шт.

9

D31306

SPACER

- slide

2шт.

10

D32380

SEAT

ROD - seat support

1шт.

11

132-95

COTTER PIN,3/16" x 1 1/2"

Pin, Split (Cotter), 3/16" x 1 1/2"

1шт.

12

138-207

LOCK PIN,1/2" x 2 1/4", Slotted

PIN, 1/2" x 2 1/4", Slotted

1шт.

13

D38322

PLATE

- seat mounting (If used)

1шт.

14

13-820

BOLT,Hex, 1/2" - 13 x 1-1/4", Gr 5, Full Thd

2шт.

15

131-354

LOCK NUT,1/2"-13, GA

NUT - hex., lock (1/2" - 13 NC)

2шт.

16

D25773

SPRING

- rod

1шт.

17

B18275

WASHER

- spring retaining

1шт.

18

D38323

BRACKET - seat mounting (If used)

1шт.

19

13-620

BOLT,Hex, 3/8" - 16 x 1-1/4", Gr 5, Full Thd

2шт.

20

92-6

LOCK WASHER,3/8"

med. sect. 3/8"

2шт.

21

25-106

NUT,3/8"-16, G5

- hex. (3/8" - 16 NC)

2шт.

22

REF

INSTRUCTION

CONSOLE - backhoe control (See Figures 106, 112 and 116 for proper console)

1шт.

A20965

LAMP BASE

LAMP ASSEMBLY - flood and tail, Includes: Ref. 23 - 37

1шт.

23

B50255

MOLDING

- lamp

1шт.

24

10934

BRACKET,Rd Hd, #8 - 32 x 0.625", Stainless

SCREW - molding

1шт.

25

A40855

LAMP BASE

SEALED BEAM - lamp

1шт.

26

B50223

BULB

- lamp

1шт.

27

B50273

WIRE - lamp

2шт.

28

10927

SPRING

- terminal

1шт.

29

B50275

SWITCH

- lamp

1шт.

30

B50310

SWITCH

KNOB - switch

1шт.

31

B50224

SPECIAL NUT

- retaining, switch

1шт.

32

B50293

TERMINAL CONNECTOR

TERMINAL - lamp

1шт.

33

173-73

SCREW,Sl Rnd Hd, #8 - 32 x 1/4"

- round head machine (#8 - 32 NC x 1/4")

2шт.

34

193-25

LOCK WASHER,Int Tooth, 0.172" ID x 0.332" OD, STL, PLN

WASHER, LOCK, Int Tooth, #8

2шт.

35

129-105

NUT,Hex, 1/2" - 13, Gr 5

Molding 1/2"-13, G5

1шт.

36

192-23

LOCK WASHER,1/2"

WASHER, LOCK, 1/2"

1шт.

37

10923

WASHER

- mounting

1шт.

Выбрано товаров: 39