Запчасти Case 3400 (118) - CYLINDER HEAD AND RELATED PUMP (10) - ENGINE

Схема запчастей Case 3400 - (118) - CYLINDER HEAD AND RELATED PUMP (10) - ENGINE
26
28
16
40
34
37
21
32
7
24
29
15
22
27
20
13
8
36
12
30
35
17
29
3
1
33
23
5
18
12
11
19
2
9
8
31
11
39
38
7
14
4
25
10
5
23
FIT
1:1
100%

Артикул

Название

Примечание

Количество

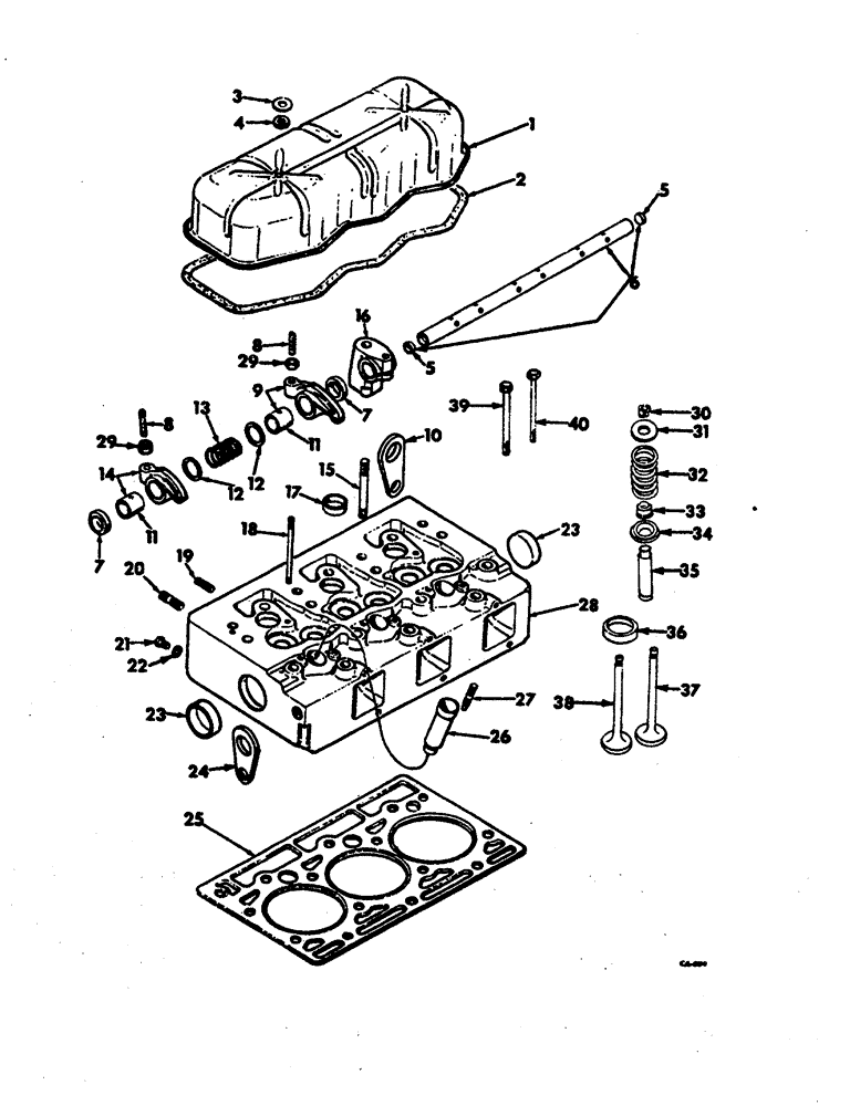
1

3136364R1

COVER

valve housing

1шт.

2

3055184R1

GASKET

valve housing cover

1шт.

3

3055579R1

WASHER

WASHER, valve housing cover

2шт.

4

3055578R2

RING

GASKET, valve housing cover

2шт.

5

933565R1

PLUG,M14, Conical

expansion

2шт.

6

3055069R21

SHAFT

ASSEMBLY, rocker arm

1шт.

7

3055068R1

BUSHING,22mm ID x 30mm OD x 6.8mm L

distance

5шт.

8

3132337R1

SPLIT PIN/SAFETY PIN

SCREW, rocker arm adjusting

6шт.

9

3055072R21

ROCKER ARM

ARM ASSEMBLY, intake rocker

3шт.

10

not used

1шт.

11

3132019R1

BUSHING,21.15mm ID x 26.09mm OD x 25.4mm L

6шт.

12

3055669R1

THRUST WASHER

thrust rocker arm

6шт.

13

3055075R2

SPRING

rocker arm

3шт.

14

3055073R21

ROCKER ARM

ARM ASSEMBLY, exhaust rocker

3шт.

15

3055220R1

STUD,1/2" - 20 x 3.18"

rocker shaft bracket

4шт.

16

3144176R91

SUPPORT

PACKAGE, bracket rocker arm shaft

1шт.

25-118

NUT,1/2"-20, G5

hex, 1/2-20

4шт.

179822

BOLT,Hex, 5/16" - 18 x 1 1/2", Gr 5

4шт.

103320

LOCK WASHER,5/16"

4шт.

17

933750R1

PLUG,M32, Conical

expansion

3шт.

18

3055223R1

STUD

COVER cylinder head

2шт.

425-115

NUT,5/16"-24, G5

2шт.

19

3055221R1

STUD

PIPE water collecting

6шт.

20

3055663R1

STUD

exhaust manifold

6шт.

21

933127R1

PLUG

1шт.

22

933087R2

SEALING RING,10mm ID x 13.5mm OD x 1mm Thk

Packing

1шт.

23

933574R1

PLUG,M50, Conical

expansion

2шт.

24

3055370R1

STIRRUP

SHACKLE, engine mounting front

1шт.

13-1218

BOLT,Hex, 3/4" - 10 x 1-1/8", Gr 5

hex HD CAP, 3/4-10 x 1-1/8

1шт.

25

3144181R1

GASKET

GASKET, cylinder head

1шт.

26

3055344R1

SLEEVE

INSERT, nozzle holder

3шт.

27

3055412R1

STUD

nozzle holder

6шт.

28

3136048R92

HEAD

HEAD ASSEMBLY, w/valves, cylinder consists of 3 VALVE 3055055 R2 3 VALVE 3

1шт.

29

3132138R1

NUT

rocker arm adjusting

6шт.

30

3055057R91

ROCKER ARM COTTER

BEARING, spring lock valve

6шт.

31

3055058R2

SPRING CUP

CAP, valve spring retaining

6шт.

32

3055060R1

SPRING

valve

6шт.

33

3136407R91

SEAL KIT

PACKAGE, valve seals service

1шт.

34

3055059R91

CAP

VALVE, rotation roto

6шт.

35

3055022R1

GUIDE

STEM valve

6шт.

36

3132362R1

VALVE SEAT

exhaust valve seat, .004O/s

3шт.

36

3132361R1

INSERT

INSERT, exhaust valve seat, .016 o/s

3шт.

37

3055055R2

OVERSIZE INLET VALVE

intake

3шт.

38

3059459R2

VALVE

exhaust

3шт.

39

3138747R1

BOLT,Cyl Hd, 9/16" - 12 x 123mm

CYL head

6шт.

40

3138748R1

BOLT,Flng, 9/16" - 12 x 5-3/4"

CYL head

8шт.

Выбрано товаров: 46