Запчасти Case 3400 (119) - FUEL INJECTION PUMP (10) - ENGINE

Схема запчастей Case 3400 - (119) - FUEL INJECTION PUMP (10) - ENGINE
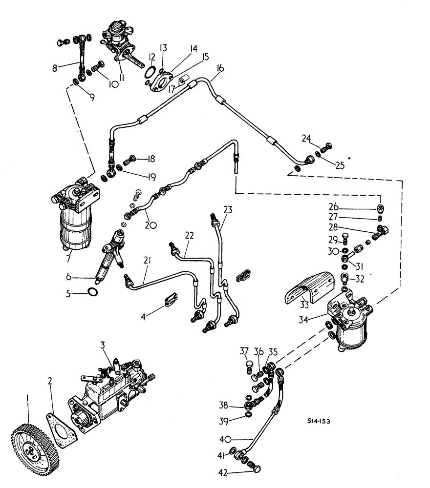
8
9
15
20
18
30
41
39
17
7
3
25
29
26
31
11
5
36
35
10
1
27
6
40
33
2
14
28
22
19
4
12
21
13
23
37
24
34
32
16
42
38
FIT
1:1
100%

Артикул

Название

Примечание

Количество

1

3144179R91

GEAR

ASSEMBLY, injection pump

1шт.

181336

BOLT,Hex, 5/16" - 24 x 3/4", Gr 5

3шт.

3055574R1

WASHER,8.5mm ID x 19mm OD x 2.5mm Thk

.335 x .748 x .098

3шт.

2

3138779R1

GASKET

fuel injection pump

1шт.

3

3138780R91

PUMP

ASSEMBLY, fuel injection fuel injection synchromesh drive tractors

1шт.

3

3138781R91

SPARE PART ASSEMBLY, fuel injection hydrostatic drive tractors, for components, see list of parts under details

1шт.

9635082

NUT,5/16" - 18, Gr 5

1шт.

103320

LOCK WASHER,5/16"

3шт.

3055574R1

WASHER,8.5mm ID x 19mm OD x 2.5mm Thk

.335 x .748 x .098

3шт.

3144256R1

SLEEVE

sealing

1шт.

4

3132766R1

CLAMP

PIPE

2шт.

109084

NUT,1/4"-20, G5

1шт.

179793

BOLT,Hex, 1/4" - 20 x 5/8", Gr 5, Full Thd

1шт.

179791

BOLT,Hex, 1/4" - 20 x 1/2", Gr 5

1шт.

103319

LOCK WASHER,1/4"

2шт.

5

717203R1

O-RING,4mm Thk x 17mm ID, 72 Duro

injection nozzle sealing

3шт.

6

3138785R91

NOZZLE INJECTION

ASSEMBLY for components, see list of parts under details of fuel injector ASSEMBLY

3шт.

425-115

NUT,5/16"-24, G5

6шт.

7

3138805R91

NO LONGER SERVICED

FILTER ASSEMBLY, fuel primary for components, see list of parts under details of primary fuel filter

1шт.

179838

BOLT,Hex, 3/8" - 16 x 7/8", Gr 5, Full Thd

2шт.

933620R1

BELLEVILLE WASHER,M10 Bolt Size x 20mm OD x 1.1mm Thk

Disc

2шт.

8

3138804R1

SPARE PART fuel feed pump

1шт.

9

933610R1

SEALING RING,M14 x 18 x 1.8

Packing

6шт.

10

710098R2

BANJO BOLT,M14 x 1.5 x 32mm

hollow

3шт.

11

3132697R91

FUEL PUMP

PUMP ASSEMBLY, fuel feed for components, see list of parts under details of fuel feed pump

1шт.

15896221

NUT,Hex, M6, 5.20mm High, Cl 10

2шт.

12

3055389R2

O-RING,2.5mm Thk x 32mm ID, 70 Duro

1шт.

933682R1

BELLEVILLE WASHER,M6 Bolt Size x 12.6mm OD x 0.7mm Thk

DISK, spring

2шт.

13

3132869R1

O-RING

2шт.

14

3055391R22

NO LONGER SERVICED

FLANGE/Retired flange, feed pump

1шт.

15

STUD not serviced

2шт.

16

3138806R1

PIPE

LINE, primary to final fuel filter

1шт.

17

3132052R1

CLIP

fuel line

2шт.

3136366R1

SPACER

2шт.

179816

BOLT,Hex, 5/16" - 18 x 3/4", Gr 5

2шт.

103320

LOCK WASHER,5/16"

2шт.

18

710098R2

BANJO BOLT,M14 x 1.5 x 32mm

hollow

1шт.

19

933610R1

SEALING RING,M14 x 18 x 1.8

Packing

2шт.

20

3132826R1

LINE

PIPE, leak

1шт.

21

3138787R91

INJECTION PIPE

SPARE PART ASSEMBLY, injection CYL 1

1шт.

22

3138791R91

TUBE

PIPE ASSEMBLY, injection CYL 2

1шт.

23

3138793R91

PIPE

ASSEMBLY, injection CYL 3

1шт.

24

710098R2

BANJO BOLT,M14 x 1.5 x 32mm

hollow

1шт.

25

933610R1

SEALING RING,M14 x 18 x 1.8

Packing

2шт.

26

3056137R1

PIPE UNION NUT,Coupling, M14 x 1.5

coupling

2шт.

21

3056136R1

SLEEVE,Cutting Ring, 8mm ID x 11mm OD x 9mm L

cutting

2шт.

28

3138814R1

TEE

SPARE PART

1шт.

29

3138812R1

SCREW

connecting

1шт.

30

933697R1

SEALING RING,M10 x 13.5 x 1

1шт.

31

3138813R1

LINE

UNION, inlet

1шт.

32

3138811R1

SPARE PART

VALVE ASSEMBLY, ball check

1шт.

33

3138808R1

SPARE PART fuel filter

1шт.

179838

BOLT,Hex, 3/8" - 16 x 7/8", Gr 5, Full Thd

2шт.

103321

LOCK WASHER,3/8"

2шт.

34

3138807R91

NO LONGER SERVICED

FILTER ASSEMBLY, final fuel for components, see list of parts under details of final fuel filter

1шт.

179838

BOLT,Hex, 3/8" - 16 x 7/8", Gr 5, Full Thd

2шт.

933620R1

BELLEVILLE WASHER,M10 Bolt Size x 20mm OD x 1.1mm Thk

Disc

2шт.

35

933610R1

SEALING RING,M14 x 18 x 1.8

Packing

4шт.

36

710098R2

BANJO BOLT,M14 x 1.5 x 32mm

hollow

2шт.

37

717200R1

BANJO BOLT,M12 x 1.5 x 28mm

holllow

1шт.

38

3138809R1

HOSE

full filter to injection pump

1шт.

39

713845R1

SEALING WASHER,M12 x 15.5 x 1.5

2шт.

40

3138810R1

LINE

HOSE, overflow

1шт.

41

713845R1

SEALING WASHER,M12 x 15.5 x 1.5

2шт.

42

717200R1

BANJO BOLT,M12 x 1.5 x 28mm

hollow

1шт.

3138786R91

PIPE, injection, set of 3, consists of 1 bolt 179793 1 bolt 179791 1 nut 109084 2 clamp 3132766Rl 1 pipe 3138787R91 1 pipe 3138791R91 1 pipe 3138793R91 2 washer 3052189Rl

3шт.

Выбрано товаров: 0