Запчасти Case 3400 (023) - CLUTCH HOUSING AND CONNECTIONS (18) - CLUTCH

Схема запчастей Case 3400 - (023) - CLUTCH HOUSING AND CONNECTIONS (18) - CLUTCH
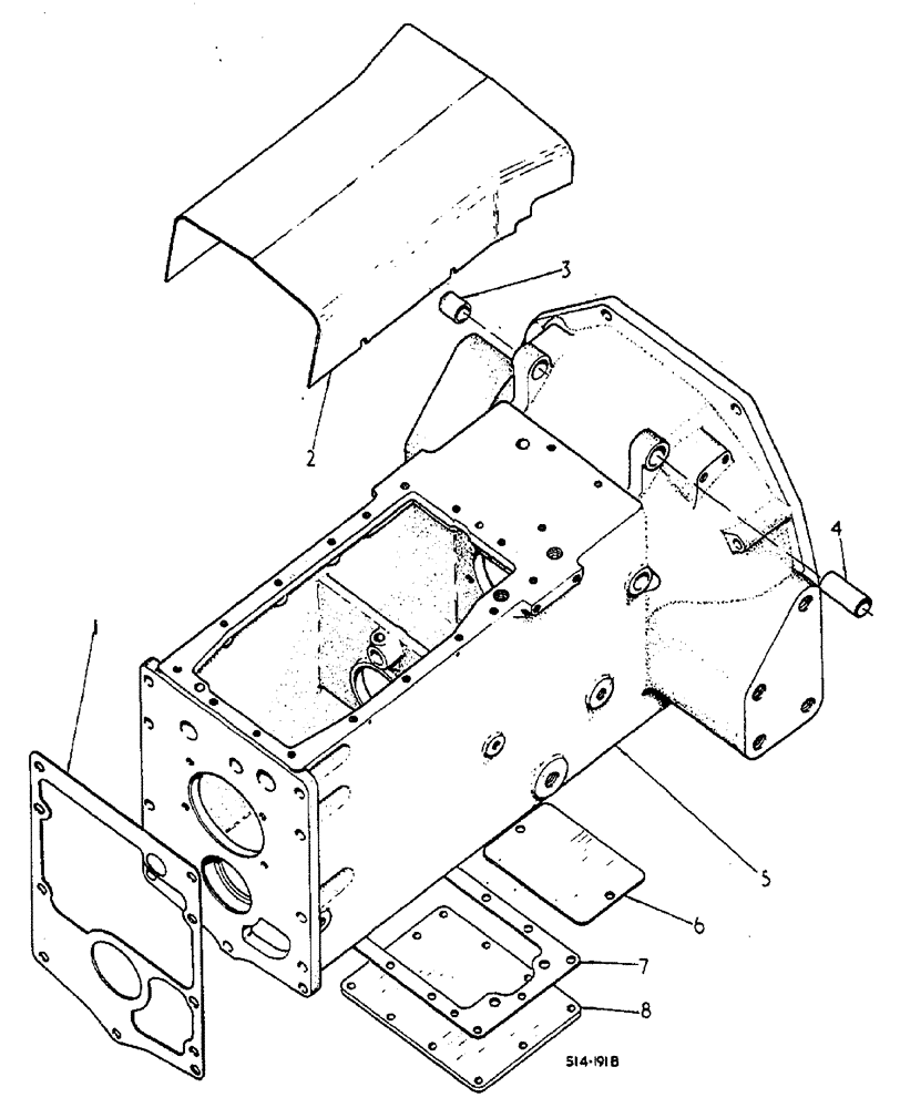
4
2
7
3
6
5
8
FIT
1:1
100%

Артикул

Название

Примечание

Количество

1

399814R2

GASKET

GASKET, clutch HSG to rear frame

1шт.

2

C4 not used C10

1шт.

3

539245R1

BUSHING

SHAFT clutch and brake

1шт.

4

537099R1

NO LONGER SERVICED

BUSHING, L. H. brake pedal pivot

1шт.

5

537097R93

CLUTCH HOUSING

HOUSING ASSEMBLY, clutch also includes bearing 399820Rl or 527746R91 in speed transmission

1шт.

179885

BOLT,Hex, 1/2" - 13 x 1 1/2", Gr 5

9шт.

179894

BOLT,Hex, 1/2" - 13 x 3 1/4", Gr 5

2шт.

413-828

BOLT,Hex, 1/2" - 13 x 1-3/4", Gr 5

6шт.

3113103R1

PLUG

automotive hex HD pipe, 3/4-14

1шт.

327411R1

PLUG,Cup, 5/8"

CUP, 5/8

1шт.

9410359

PLUG

O RING boss, 3/4-16 STR THD

1шт.

570828R1

O-RING,0.087" Thk x 0.644" ID, -908, Cl 6, 90 Duro

TUBE, 1/2 OD

1шт.

19962R1

DOWEL,3/8" x 3/4"

1шт.

20556R1

DOWEL,1/2" x 3/4"

1шт.

19904R1

DOWEL,1/2" x 1"

1шт.

179833

BOLT,Hex, 3/8" - 16 x 1/2", Gr 5, Full Thd

3шт.

3113245R1

STUD

1шт.

102637

NUT,1/2"-13, G5

1шт.

179895

BOLT,Hex, 1/2" - 13 x 3 1/2", Gr 5

BOLT, hex HD thru pan and spacer to clutch HSG, 1/2 x 3-1/2

1шт.

6

399817R1

COVER

clutch compartment

1шт.

179835

BOLT,Hex, 3/8" - 16 x 5/8", Gr 5, Full Thd

2шт.

7

402556R2

GASKET

clutch HSG bottom rear cover

1шт.

8

402182R1

COVER

clutch housing bottom rear

1шт.

179837

BOLT,Hex, 3/8" - 16 x 3/4", Gr 5

1шт.

Выбрано товаров: 24