Запчасти Case 3400 (003) - PARK LOCK (33) - BRAKES & CONTROLS

Схема запчастей Case 3400 - (003) - PARK LOCK (33) - BRAKES & CONTROLS
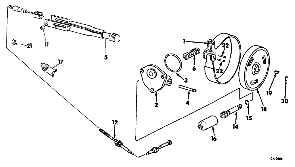
22
20
18
5
21
22
1
11
15
16
19
2
14
3
17
6
12
4
FIT
1:1
100%

Артикул

Название

Примечание

Количество

1

401992R3

BAND

ASSEMBLY, brake and actuating toggle, Includes: Ref. 22

1шт.

16616R1

CLEVIS PIN,5/16" x .940"

rod end, 5/16 x 31/32

1шт.

103373

COTTER PIN,3/32" x 3/4"

1шт.

2

401997R1

PIVOT

parking brake

1шт.

179840

BOLT,Hex, 3/8" - 16 x 1 1/8", Gr 5

3шт.

103321

LOCK WASHER,3/8"

3шт.

3

383017R1

O-RING,0.103" Thk x 2.55" ID, -145, Cl 5, 75 Duro

2-9/16 x 2-3/4 x 3/32

1шт.

4

401998R1

PIVOT PIN

PIVOT parking brake

1шт.

32-822

COTTER PIN,1/8" x 1 3/8"

POJ

1шт.

5

537017R91

LEVER

ASSEMBLY, hand brake, for components, see list of parts under detail

1шт.

413-528

BOLT,Hex, 5/16" - 18 x 1-3/4", Gr 5

hex HD CAP, 5/16-18 x 1-3/4 ZND

2шт.

80681

LOCK WASHER,5/16"

2шт.

6

402000R1

SPRING

parking brake return

1шт.

7

N/A

1шт.

8

N/A

1шт.

8

N/A

1шт.

9

N/A

1шт.

10

N/A

1шт.

11

396828R1

SPACER

lower brake lever, long

1шт.

11

396827R1

SPACER

upper brake lever, short

1шт.

12

537047R1

CABLE

ASSEMBLY, parking brake

1шт.

148150

HAIR PIN COTTER,3/8" Retainer

RETAINER spring, 3/8

2шт.

702269R1

HEADED PIN,5/16" x 15/16"

5/16 x 15/16 STD HD

1шт.

95-11034

WASHER,1/4"

11/32 x 11/16 x .051

1шт.

103384

COTTER PIN,1/8" x 3/4"

1шт.

69366C1

CABLE STRAP/Retired CLIP

1шт.

13

N/A

1шт.

14

402014R1

PLUNGER

PIVOT parking brake

1шт.

15

375271R1

O-RING,0.426" ID x 0.07" Width

pivot plunger, 7/16 x 9/16 x 1/16

1шт.

16

402015R1

BOOT

cable protection

1шт.

17

532682R1

SWITCH

park brake warning light

1шт.

120376

NUT,5/16"-18, G5

2шт.

80681

LOCK WASHER,5/16"

2шт.

18

399828R1

HUB

brake drum

1шт.

19

124553

WOODRUFF KEY,#15, 1/4" x 1", HT

1шт.

20

327058R1

RING, SNAP

RING SNAP retaining

1шт.

21

396826R1

CLAMP

CABLE brake

1шт.

22

535544R1

PIN

ANCHOR

2шт.

528450R1

SPACER

PARK BRAKE DRUM, for tractors fitted w/hand operated drum brake

1шт.

Выбрано товаров: 39