Запчасти Case 3400 (067) - POWER SUPPLY AND MULTIPLE CONTROL VALVE (35) - HYDRAULIC SYSTEMS

Схема запчастей Case 3400 - (067) - POWER SUPPLY AND MULTIPLE CONTROL VALVE (35) - HYDRAULIC SYSTEMS
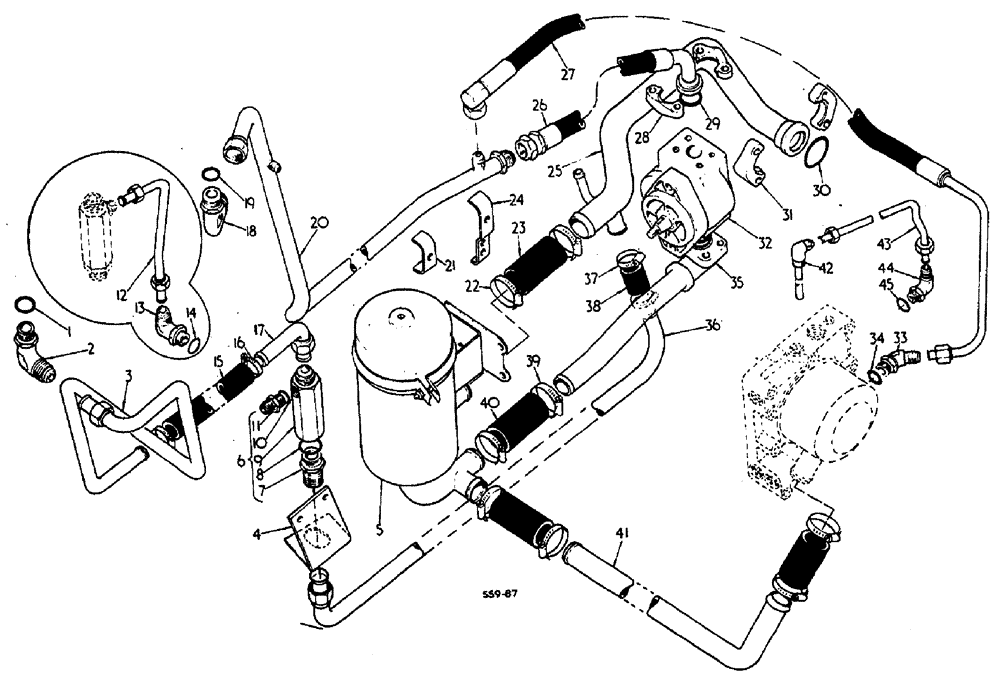
5
10
28
11
18
23
35
22
21
12
1
26
14
4
16
45
8
30
19
17
44
7
6
27
34
43
41
36
40
29
13
9
37
32
42
2
20
24
31
38
15
33
25
3
39
FIT
1:1
100%

Артикул

Название

Примечание

Количество

1

297459R1

O-RING,0.116" Thk x 1.048" ID, -914, Cl 6, 90 Duro

TUBE, 7/8 OD

1шт.

2

537753R1

ELBOW

reducing

1шт.

3

537576R2

TUBE

ASSEMBLY, loader return

1шт.

4

537516R1

SPARE PART by pass valve support

1шт.

179833

BOLT,Hex, 3/8" - 16 x 1/2", Gr 5, Full Thd

2шт.

9403298

BHD LOCK NUT,Blkhd, 1 5/16"-12

bulkhead union lock, 1-5/16-12

1шт.

557278R1

SPARE PART 1-11/32 x 2 x 16 GA

1шт.

5

535904R92

SPARE PART

FILTER ASSEMBLY for components, see list of parts under details of oil filter ASSEMBLY

1шт.

6

547436R93

VALVE

ASSEMBLY, oil cooler by pass synchromesh drive tractors, consists of: 1 body

1шт.

9401358

PLUG, 9/16-18 STR THD

1шт.

364839R1

O-RING,0.078" Thk x 0.468" ID, -906, Cl 6, 90 Duro

3/8 OD tube, used on machines not fitted w/fwd and reverse

1шт.

7

547442R1

FITTING

bulkhead

1шт.

8

296247R1

O-RING,16-1, 90 Duro, 1.171" ID x .116" Thk

TUBE fitting bulkhead, 1 IN OD

1шт.

9

547437R1

SPARE PART

BODY, oil cooler by pass valve

1шт.

10

364885R1

O-RING,0.097" Thk x 0.755" ID, -910, Cl 6, 90 Duro

TUBE fitting, 5/8

1шт.

11

9410204

HYD CONNECTOR,7/8"-14, 37 Degree x 7/8"-14, O-Ring

TUBE flared, short swivel hydrostatic drive tractors, 7/8-14, 37 DEG HYD

1шт.

11

548545R1

UNION

SPARE PART TUBE flared, 7/8-14 37 DEG HYD short swivel synchromesh drive tractors

1шт.

12

536454R1

TUBE

VALVE, cooler by pass, to clutch housing hydrostatic drive tractors

1шт.

13

9410978

ELBOW,90 Degree, 7/8"-14, 37 Degree x 7/8"-14, O-Ring

TUBE flared, hydrostatic drive tractors, 7/8-14, 37 DEG HYD ADJ STR THD 90 DEG

1шт.

14

364885R1

O-RING,0.097" Thk x 0.755" ID, -910, Cl 6, 90 Duro

TUBE, hydrostatic drive tractors, 5/8 OD

1шт.

15

537789R2

HYDRAULIC HOSE,1.00" ID x 11.00", SAE 100R3

Loader Return to By Pass Valve

1шт.

16

279024R91

HOSE CLAMP,#24, 1.06/2.00 Type F Worm

HOSE

2шт.

17

539092R1

SPARE PART ASSEMBLY, elbow

1шт.

18

9410980

ELBOW,90 Degree, 1 3/16"-12, 37 Degree x 1 3/16"-12, O-Ring

TUBE flared, 1-3/16-12, 37 DEG HYD ADJ STR THD 90 DEG

1шт.

19

297459R1

O-RING,0.116" Thk x 1.048" ID, -914, Cl 6, 90 Duro

TUBE, 7/8 OD

1шт.

20

537575R1

TUBE

ASSEMBLY, loader pressure

1шт.

21

536411R1

CLAMP

TUBE rear pressure

1шт.

413-532

BOLT,Hex, 5/16" - 18 x 2", Gr 5

hex HD CAP, 5/16-18 x 2

1шт.

80681

LOCK WASHER,5/16"

1шт.

22

279038R91

HOSE CLAMP,#32, 1.56/2.50 Type F Worm

HOSE

2шт.

23

536417R1

HYDRAULIC HOSE,1.75" ID x 4.00", SAE 30R2 Type 2

Filter Suction

1шт.

24

536409R1

SPARE PART TUBE, upper

1шт.

179821

BOLT,Hex, 5/16" - 18 x 1 3/8", Gr 5

1шт.

103320

LOCK WASHER,5/16"

1шт.

25

67196C1

SPARE PART TRACTORS filter suction synchromesh drive

1шт.

25

67195C1

SPARE PART TRACTORS filter suction hydrostatic drive

1шт.

26

537316R1

HOSE

HOSE ASSEMBLY, pump pressure

1шт.

27

536438R3

HOSE

TUBE ASSEMBLY, power beyond

1шт.

28

295698R1

CLAMP

flange, 1 IN split

2шт.

179841

BOLT,Hex, 3/8" - 16 x 1 1/4", Gr 5

4шт.

103321

LOCK WASHER,3/8"

4шт.

29

343906R1

O-RING,0.139" Thk x 1.296" ID, -219, Cl 6, 90 Duro

1-5/16 x 1-9/16 x 1/8

1шт.

30

255088R1

O-RING

O RING, 1-7/8 x 2-1/8 x 1/8

1шт.

31

301844R1

FLANGE

flange, 1-1/2 IN split

2шт.

179885

BOLT,Hex, 1/2" - 13 x 1 1/2", Gr 5

4шт.

103323

LOCK WASHER,1/2"

4шт.

32

547301R92

PUMP

side mounted, 13.5 GPM optional w/546686R93

1шт.

32

546686R93

HYDRAULIC PUMP

PUMP, side mounted 13.5 GPM optional w/547301R92 for components, see list of parts under details of side mouonted pump

1шт.

33

9411106

ELBOW

TUBE flared, 7/8-14, 37 DEG HYD ADJ STR THD 45 DEG

1шт.

34

364885R1

O-RING,0.097" Thk x 0.755" ID, -910, Cl 6, 90 Duro

TUBE, 5/8 OD

1шт.

35

536412R1

TUBE

ASSEMBLY, pump suction

1шт.

179861

BOLT,Hex, 7/16" - 14 x 1 3/8", Gr 5

SCREW, hex HD CAP, 7/16-14 x 1-3/8

4шт.

103322

LOCK WASHER,7/16"

4шт.

252482R1

O-RING

1-1/2 x 1-3/4 x 1/8

1шт.

36

67192C1

SPARE PART ASSEMBLY, by pass return

1шт.

37

279024R91

HOSE CLAMP,#24, 1.06/2.00 Type F Worm

HOSE

2шт.

38

67194C1

HOSE

cooler return at pump

1шт.

39

279027R91

CLAMP,#28, 1.31/2.25 Type F Worm

HOSE

6шт.

40

3116505R1

HOSE

HOSE, suction

3шт.

41

536418R1

TUBE

pump suction, small

1шт.

42

536436R1

SPARE PART ASSEMBLY, steering dump

1шт.

43

536435R1

SPARE PART ASSEMBLY, steering dump

1шт.

44

9410977

ELBOW,90 Degree, 3/4"-16, 37 Degree x 3/4"-16, O-Ring

TUBE flared, 3/4-16, 37 DEG HYD ADJ STR THD 90 DEG

1шт.

45

570828R1

O-RING,0.087" Thk x 0.644" ID, -908, Cl 6, 90 Duro

TUBE, 1/2 OD

1шт.

66222C1

GUARD

ASSEMBLY ANGLE

1шт.

413-828

BOLT,Hex, 1/2" - 13 x 1-3/4", Gr 5

1шт.

Выбрано товаров: 0