Запчасти Case 420 (084) - GEAR SHIFTER ASSEMBLY, EIGHT SPEED TRANSMISSION (21) - TRANSMISSION

Схема запчастей Case 420 - (084) - GEAR SHIFTER ASSEMBLY, EIGHT SPEED TRANSMISSION (21) - TRANSMISSION
FIT
1:1
100%

Артикул

Название

Примечание

Количество

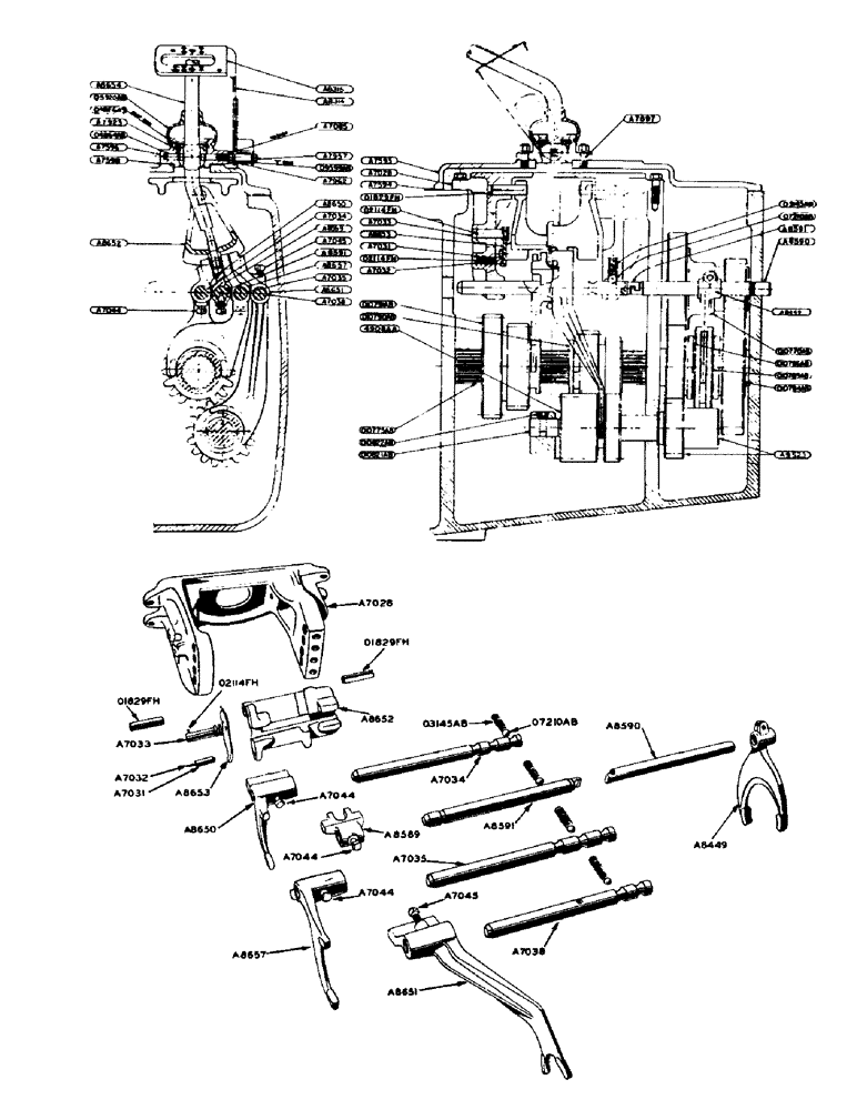
A7028

BRACKET - gear shifter

1шт.

3/8" x 1-1/4" N.C. hex. bolt w/lockwasher

4шт.

A7030

FRAME

PLATE - gear shifter interlock gate detent (Prior to tractor no. 8064880) see A8653

1шт.

1/4" x 3/4" N.C. hex. bolt w/lockwasher

2шт.

A7031

BRACKET

PLUNGER - gear shifter interlock gate detent

1шт.

A7032

SPRING

- gear shifter interlock gate detent plunger

1шт.

A7033

SPRING

PIN - gear shifter interlock gate stop

1шт.

A7034

SPARE PART

SHAFT - gear shifter, 1st and 2nd, 5th and 6th speeds

1шт.

A7035

SHAFT - gear shifter, 3rd, 4th, 7th and 8th speeds

1шт.

A7038

SUPPORT

SHAFT - reverse gear shifter sliding

1шт.

A7039

SPRING

FORK - gear shifter, 1st, 2nd, 5th and 6th speeds (Prior to tractor #8064880) see A8650

1шт.

A7043

FORK - reverse gear shifter (Prior to tractor #8064880) see A8651

1шт.

A7044

SET SCREW,3/8" - 16 x 7/8"

SET SCREW - gear shifter fork

3шт.

A7085

WASHER

- for A7957 pivot stud

1шт.

A7593

COVER - top, transmission case, front

1шт.

1/2" x 1-1/2" N.C. hex. bolt w/lockwasher (Diesel tractors)

9шт.

1/2" x 1-1/2" N.C. hex. bolt w/lockwasher (Gasoline tractors)

11шт.

A7594

GASKET

- for A7593 top cover

1шт.

A7595

LEVER - hand, gear shift (Prior to tractor no. 8064880) see A8654

1шт.

A7596

SOCKET

- gear shift hand lever ball

1шт.

3/8" x 1/2" N.C. hex. bolt

1шт.

A7597

STUD - gear shift hand lever socket

2шт.

3/8" N.F. hex. nut and lockwasher

2шт.

A7598

GASKET

- gear shift hand lever ball socket

1шт.

A7599

PIN - clutch foot pedal stop, in A7593 top cover

1шт.

A7923

SEAT

- gear shift lever socket ring

1шт.

A7943

PLATE - gear shift indicator (3-1/16" x 4-9/16") see A8315

1шт.

No. 10 - 24 x 3/8" N.C. truss head mach. screw (Zinc plated)

2шт.

No. 10 N.C. mach. screw hex. nut (Zinc plated(

2шт.

No. 10 Shakeproof ext. - int. tooth lockwasher #4010-14-00 (Zinc plated)

2шт.

A7957

STUD - pivot, gear shift indicator

1шт.

3/8" N.C. hex. jam nut and lockwasher

1шт.

A7962

SPRING - torsion, gear shift indicator

1шт.

A8314

SUPPORT - gear shift indicator

1шт.

A8315

PLATE

- gear shift indicator (3-1/16" x 4") see A7943

1шт.

No. 10 - 24 x 3/8" N.C. truss hd. mach. screw (Zinc plated)

2шт.

No. 10 - ext. - int. tooth Shakeproof lockwasher #4010-14-00

2шт.

No. 10 - 24 elastic stop nut - N.C. thrd.

2шт.

A8449

X

FORK - range gear shifter

1шт.

7/16" x 1-1/4" N.F. hex. bolt w/lockwasher

1шт.

A8589

BLOCK - range gear shifter

1шт.

A8590

SHAFT

- range gear shifter sliding, front

1шт.

A8591

SHAFT - range gear shifter, rear

1шт.

A8650

FORK - gear shifter, 1st, 2nd, 5th and 6th speeds (Tractors no. 8064880 and after) see A7039

1шт.

A8651

FORK - reverse gear shifter (Tractor no. 8064880 and after) see A7043

1шт.

A8652

GATE - gear shifter interlock

1шт.

A8653

PLATE - gear shifter interlock gate detent (Tractor no. 8064880 and after) see A7030

1шт.

1/4" x 3/4" N.C. hex. bolt w/lockwasher

2шт.

A8654

LEVER - hand, gear shift (Tractor no. 8064880 and after) see A7595

1шт.

A8657

FORK - gear shift, 3rd, 4th, 7th and 8th speeds

1шт.

A8734

SLEEVE - low range shift stop

1шт.

O3145AB

X

SPRING - gear shifter shaft detent ball

4шт.

O3501AB

X

BALL - gear shift lever

1шт.

O4864AB

X

PIN - gear shift lever socket

2шт.

O4866AB

X

SNAP RING - gear shift lever socket

2шт.

O5920AB

X

CAP - gear shift lever socket (Rubber)

1шт.

O7210AB

X

BALL - gear shifter detent (1/2" dia.)

4шт.

O9599AB

X

"E" RING - retaining, for A7957 pivot stud

1шт.

O1829FH

X

ROLL PIN - for A8652 gear shift interlock gate (1/2" x 2")

2шт.

O2114FH

X

ROLL PIN - 1 for A7033 gate stop in and 1 for A7028 gear shifter bracket (1/8" x 1")

2шт.

Выбрано товаров: 60