Запчасти Case 380B (8-06) - HYDRAULIC POWER SUPPLY - MULTIPLE CONTROL VALVE AND TUBES (08) - HYDRAULICS

Схема запчастей Case 380B - (8-06) - HYDRAULIC POWER SUPPLY - MULTIPLE CONTROL VALVE AND TUBES (08) - HYDRAULICS
25
2
18
28
6
16
32
29
35
23
21
26
9
38
7
27
1
12
17
36
34
20
33
19
11
5
14
22
13
37
29
15
13
24
31
8
10
3
30
FIT
1:1
100%

Артикул

Название

Примечание

Количество

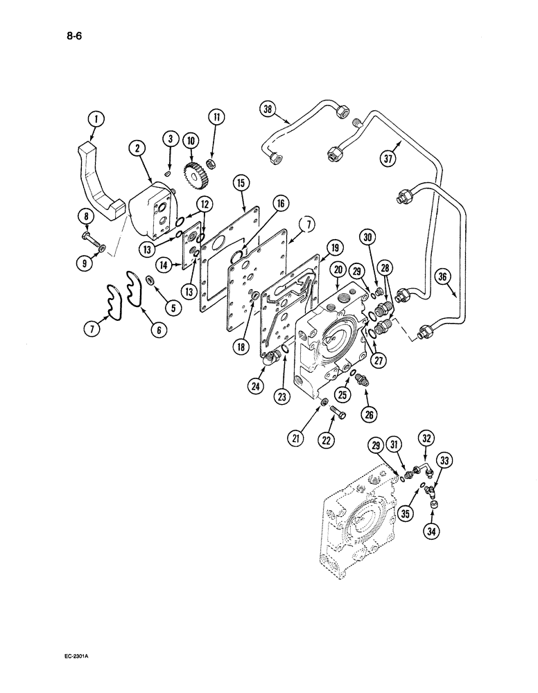
1

69352C1

SEAL

hydraulic pump

1шт.

2

93835C92

PUMP, HYDRAULIC

ASSEMBLY gear

1шт.

2

84573150R

REMAN-HYD PUMP

380B CASE LOADER/LANDSCAPER TRACTOR (AFTER S/N JJE0001501), ASSEMBLY gear, Reman for New PN 93835C92

1шт.

2

84573150C

CORE-HYDRAULIC PUMP

Return Number

1шт.

3

124546

WOODRUFF KEY,#6, 5/32" x 5/8", HT

1шт.

5

NSS

NOT SOLD SEPARAT

SEAL - pump shaft (Order kit 1502030C1)

1шт.

Part of P/N 1502030C1 Service Kit

1шт.

6

NSS

NOT SOLD SEPARAT

RING - pressure loading (Order kit 1502030C1)

2шт.

Part of P/N 1502030C1 Service Kit

1шт.

7

NSS

NOT SOLD SEPARAT

RING -back-up (Order kit 1502030C1 )

2шт.

Part of P/N 1502030C1 Service Kit

1шт.

8

13-550

BOLT,Hex, 5/16" - 18 x 3-1/8", Gr 5

BOLT - hex, 5/16 NC x 3-1/4 inch

4шт.

9

382331R1

SEALING WASHER,8.33mm ID x 12.7mm OD x 0.79mm Thk

pump mounting bolt

4шт.

10

544908R1

GEAR

driven, 21 teeth (15.6 gpm pump)

1шт.

10

94181C1

GEAR

driven, 20 teeth (16.4 gpm pump)

1шт.

11

19258R1

LOCK NUT,1/2"-20, GB

hex lock, 1/2 inch NF

1шт.

12

238-5121

O-RING,0.103" Thk x 1.049" ID, -121, Cl 5, 75 Duro

2шт.

13

238-6115

O-RING,0.103" Thk x 0.674" ID, -115, Cl 6, 90 Duro

2шт.

14

544909R2

LARGE PLATE

PLATE, LARGE pump mounting

1шт.

15

401736R4

GASKET

multiple control valve

1шт.

16

238-5222

O-RING,0.139" Thk x 1.48" ID, -222, Cl 5, 75 Duro

1шт.

17

405458R2

LARGE PLATE

PLATE, LARGE multiple control valve

1шт.

18

1970904C1

RING,19.51mm ID x 24.84mm OD x 3.54mm Thk

rectangular

1шт.

19

1970903C1

GASKET

multiple control valve body

1шт.

20

94281C91

VALVE

multiple control

1шт.

21

92-11038

LOCK WASHER,3/8"

10шт.

22

13-648

BOLT,Hex, 3/8" - 16 x 3", Gr 5

10шт.

23

237-6008

O-RING,0.087" Thk x 0.644" ID, -908, Cl 6, 90 Duro

2шт.

24

218-5106

90 ELBOW,90 Degree Elbow, 3/4" - 16 Male JIC x 3/4" - 16 Male ORB

1шт.

25

237-6008

O-RING,0.087" Thk x 0.644" ID, -908, Cl 6, 90 Duro

1шт.

26

218-5059

HYD CONNECTOR,3/4"-16, 37 Degree x 3/4"-16, O-Ring

Adapter, Straight, O-ring boss

1шт.

27

237-6010

O-RING,0.097" Thk x 0.755" ID, -910, Cl 6, 90 Duro

2шт.

28

218-5062

HYD CONNECTOR,7/8"-14, 37 Degree x 7/8"-14, O-Ring

ADAPTER - straight, 7/8 inch NF flare x O-ring boss

2шт.

29

237-6004

O-RING,0.072" Thk x 0.351" ID, -904, Cl 6, 90 Duro

1шт.

30

9410356

PLUG

O-ring boss, 1/4 inch tube

1шт.

31

218-5053

HYD CONNECTOR,7/16" - 20 JIC x 7/16" - 20 ORB

ADAPTER

1шт.

32

539835R1

TUBE ASSY.

IPTO pressure

1шт.

33

9411115

TEE,7/16"-20, 37 Degree x 7/8"-14, O-Ring Br

adjustable, 1/4 inch tube

1шт.

34

218-752

CAP,37 Degree, 7/16"-20

Hex

1шт.

35

237-6004

O-RING,0.072" Thk x 0.351" ID, -904, Cl 6, 90 Duro

1шт.

36

66764C1

PIPE

TUBE ASSEMBLY - multiple control valve by-pass

1шт.

37

1956744C1

HYD TUBE

TUBE ASSEMBLY - draft control return

1шт.

38

1956743C1

HYD TUBE,0.625" OD

TUBE ASSEMBLY - auxiliary valve return

1шт.

1502030C1

SEAL KIT

service, seals (Includes: Ref. 5, 6 and 7)

1шт.

Выбрано товаров: 44