Запчасти Case 380B (1-12) - PICTORIAL INDEX - POWER STEERING SYSTEM FORWARD AND REVERSE TRANSMISSION (00) - PICTORIAL INDEX

Схема запчастей Case 380B - (1-12) - PICTORIAL INDEX - POWER STEERING SYSTEM FORWARD AND REVERSE TRANSMISSION (00) - PICTORIAL INDEX
8
11
7
5
4
12
1
14
6
15
10
17
2
13
18
16
9
3
FIT
1:1
100%

Артикул

Название

Примечание

Количество

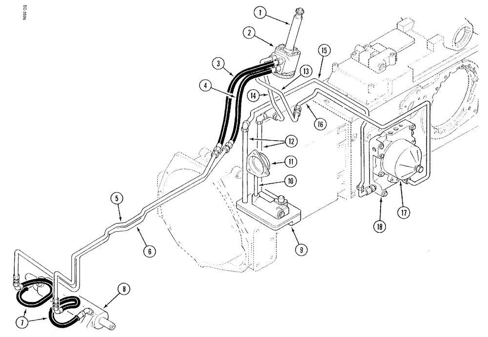
1

Steering Shaft Assembly, Page 5-3

1шт.

2

Integral Power Steering Valve, Page 5-13

1шт.

3

Left Turn Steering Hose, Page 5-5

1шт.

4

Right Turn Steering Hose, Page 5-5

1шт.

5

Left Turn Steering Tube, Page 5-5

1шт.

6

Right Turn Steering Tube, Page 5-5

1шт.

7

Power Steering Cylinder Hoses, Page 5-7

1шт.

8

Power Steering Cylinders, Page 5-7

1шт.

9

Pressure Regulator Valve and Plate, Page 8-11, 8-13

1шт.

10

Oil Inlet Tube, Page 8-11

1шт.

11

IPTO and Clutch Retaining Cage, Page 6-17

1шт.

12

Oil Return Tubes, Page 8-11

1шт.

13

Forward Power Steering Pressure Tube, Page 5-11

1шт.

14

Forward Power Steering Return Tube, Page 5-11

1шт.

15

Rear Power Steering Return Tube, Page 5-11

1шт.

16

Rear Power Steering Pressure Tube, Page 5-11

1шт.

17

Hydraulic Oil Filter, Page 8-3

1шт.

18

Multiple Control Valve, Page 8-7, 8-9

1шт.

Выбрано товаров: 0