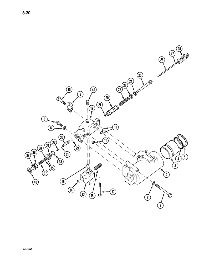
Запчасти Case 380B (8-30) - DRAFT CONTROL - CYLINDER AND VALVE ASSEMBLY (08) - HYDRAULICS

Схема запчастей Case 380B - (8-30) - DRAFT CONTROL - CYLINDER AND VALVE ASSEMBLY (08) - HYDRAULICS
20
9
29
35
5
22
28
7
38
33
11
25
23
19
21
24
2
36
17
41
26
34
4
32
16
39
15
3
6
11
31
10
27
13
14
6
8
30
40
37
FIT
1:1
100%

Артикул

Название

Примечание

Количество

NSS

NOT SOLD SEPARAT

CYLINDER ASSEMBLY - draft control. with valve assembly (Order component parts)

1шт.

399885R21

CYLINDER ASSY.

draft control

1шт.

2

NSS

NOT SOLD SEPARAT

CYLINDER - draft control (Order 399885R21)

1шт.

3

399886R1

PISTON ASSY.,88.87mm Bore, 43.78mm Rod, 71.12mm W

draft control cylinder

1шт.

4

238-6338

O-RING,0.21" Thk x 3.1" ID, -338, Cl 6, 90 Duro

1шт.

Part of P/N 404810R91 Service Kit

1шт.

5

375936R1

BACK-UP RING

WASHER - piston, O-ring back-up

1шт.

Part of P/N 404810R91 Service Kit

1шт.

6

92-11038

LOCK WASHER,3/8"

3шт.

7

13-672

BOLT,Hex, 3/8" - 16 x 4-1/2", Gr 5

2шт.

8

413-620

BOLT,Hex, 3/8" - 16 x 1-1/4", Gr 5

1шт.

9

399889R1

ARM ASSY.

draft retarding

1шт.

10

399892R1

BOLT,Shldr, Hex, 3/8" - 16 x 2.25"

Retarding arm shoulder

1шт.

11

238-6113

O-RING,0.103" Thk x 0.549" ID, -113, Cl 6, 90 Duro

3шт.

Part of P/N 404810R91 Service Kit

1шт.

60651C91

VALVE

ASSEMBLY - action control

1шт.

13

NSS

NOT SOLD SEPARAT

BODY - action control valve (Order valve assembly 60651C91)

1шт.

14

392320R1

SNAP RING,#31, Ext, E-Type

#31, Ext, E-Type

1шт.

15

547499R1

SPRING

spool return

1шт.

16

238-6014

O-RING,0.07" Thk x 0.489" ID, -14, Cl 6, 90 Duro

1шт.

Part of P/N 404810R91 Service Kit

1шт.

17

13-432

BOLT,Hex, 1/4" - 20 x 2", Gr 5

2шт.

399893R92

VALVE

ASSEMBLY - draft control

1шт.

19

399894R1

BODY

ASSEMBLY - draft control valve, with spool

1шт.

20

NSS

NOT SOLD SEPARAT

SPOOL - main control (Order body assembly 399894R1)

1шт.

21

376771R1

RING, SNAP

RING SNAP retaining, main valve tube

1шт.

22

395005R2

SPRING

main valve

1шт.

23

376759R1

RETAINER

main valve spring

1шт.

24

303322R1

SNAP RING,1.00", Int, #100

Retaining, 1.111 inch

1шт.

25

376756R12

HYD CYL SLEEVE

main valve actuating

1шт.

26

376763R1

ROD

drop valve actuating

1шт.

27

378101R1

SET SCREW,Hex Soc, #8-36 x 1/4"

drop valve adjusting

1шт.

28

527617R1

ARM ASSY.

main valve

1шт.

29

406183R1

O-RING,0.07" Thk x 0.301" ID, -11, 80 Duro

5/16 x 7/16 x 1/16 inch

1шт.

Part of P/N 404810R91 Service Kit

1шт.

30

392041R2

VALVE

drop valve adjusting

1шт.

31

17006R1

BALL

steel, 3/16 inch diameter

1шт.

32

376765R1

SPRING

pilot valve

1шт.

33

406184R1

O-RING,0.139" Thk x 0.984" ID, -214, 70 Duro

1 x 1-1/4 x 1/8 inch

1шт.

Part of P/N 404810R91 Service Kit

1шт.

34

376766R1

VALVE POPPET

drop

1шт.

35

376767R1

BACK-UP RING,9.91mm ID x 12.5mm OD x 1.32mm Thk

drop poppet valve inner O-ring

2шт.

Part of P/N 404810R91 Service Kit

1шт.

36

406182R1

O-RING,1.78mm Thk x 9.25mm ID, 80 Duro

3/8 x 1/2 x 1/16 inch

1шт.

Part of P/N 404810R91 Service Kit

1шт.

37

376768R1

SPRING

drop poppet valve

1шт.

38

238-6024

O-RING,0.07" Thk x 1.114" ID, -24, Cl 6, 90 Duro

1шт.

Part of P/N 404810R91 Service Kit

1шт.

39

376770R1

PLUG

drop poppet valve

1шт.

40

58102R1

SNAP RING,1.312", Int, #131

Drop valve

1шт.

41

444697

PLUG,Hex Soc, 3/8"-18

hex socket, 3/8 inch PT

1шт.

404810R91

GASKET KIT

service, O-ring (Includes: Ref. 4, 5, 11, 16, 29, 33, 35, 36 and 38)

1шт.

Выбрано товаров: 52