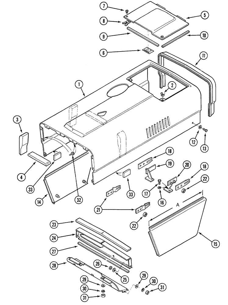
Запчасти Case 380B (9-08) - HOOD AND SIDE PANELS (09) - CHASSIS

Схема запчастей Case 380B - (9-08) - HOOD AND SIDE PANELS (09) - CHASSIS
22
29
29
4
12
28
30
25
19
30
9
31
31
18
18
21
24
27
33
15
20
6
17
1
10
22
16
33
26
11
3
14
13
7
8
23
32
5
2
FIT
1:1
100%

Артикул

Название

Примечание

Количество

1

1536805C1

HOOD ASSY.

vertical exhaust

1шт.

1

1536827C1

HOOD ASSY.

downswept exhaust

1шт.

2

1502286C1

NUT

caged floating, 5/16 inch NC

2шт.

3

98935C1

SEAL

foam, hood corner

2шт.

4

NSS

NOT SOLD SEPARAT

SEAL - foam, hood centre, 200 mm

1шт.

5

1330795C1

COVER

ASSEMBLY - rear hood (With decal 321-6714)

1шт.

6

321-6714

DECAL

battery jump start warning

1шт.

7

389872R1

THUMB SCREW,Knurled Head, 5/16"-18 x 3/4"

knurled

2шт.

7

389872R1

THUMB SCREW,Knurled Head, 5/16"-18 x 3/4"

knurled (Optional to 389872R1)

2шт.

8

376787R1

WASHER

X-type, 0.256 x 0.75 inch

2шт.

9

NSS

NOT SOLD SEPARAT

SEAL - rear hood cover, 109 inch (Cut from 1265282C1)

1шт.

10

NSS

NOT SOLD SEPARAT

SEAL - rear hood cover, 17 inch (Cut from 1265282C1)

2шт.

11

NSS

NOT SOLD SEPARAT

SEAL - hood sheet, 45.7 inch (Cut from 1265280C1)

1шт.

12

98775C1

WASHER

flat, 5/16 inch (Painted black)

2шт.

13

98778C1

BOLT

hex, 5/16 inch NC (Painted black)

2шт.

14

1970615C1

PANEL

ASSEMBLY - side, right hand (Dimension A 19-1/2 inch)

1шт.

15

1970616C1

PANEL

ASSEMBLY - side, left hand (Dimension A 19-1/2 inch)

1шт.

16

492-11038

LOCK WASHER,3/8"

2шт.

17

413-620

BOLT,Hex, 3/8" - 16 x 1-1/4", Gr 5

2шт.

18

1333181C1

CLIP

side panel, front

2шт.

19

1333183C1

SUPPORT

side panel, right hand

1шт.

20

1333184C1

SUPPORT

side panel, left hand

1шт.

21

1333180C1

CLIP

side panel, front (See Figure 9-06)

2шт.

22

26110R1

LOCK NUT,1/4"-20, GC

hex lock, 1/4 inch NC, grade 8

8шт.

23

NSS

NOT SOLD SEPARAT

SEAL - upper, 465 mm

1шт.

24

98906C1

DEFLECTOR

BAFFLE ASSEMBLY - upper air

1шт.

25

492-11025

LOCK WASHER,1/4"

3шт.

26

425-104

NUT,1/4"-20, Cl 5

3шт.

27

NSS

NOT SOLD SEPARAT

SEAL - upper air baffle, 425 mm

1шт.

28

3121397R2

BAFFLE

BAFFLE - upper

1шт.

29

895-11006

WASHER,6.6mm ID x 12mm OD x 1.6mm Thk

4шт.

30

892-11006

LOCK WASHER,M6

4шт.

31

825-1406

NUT,M6, Cl 8

4шт.

32

1334768C1

SELF-TAP SCREW,Hex, M5.5 x 15mm

10шт.

34

1333189C1

RUBBER

BLOCK

4шт.

1265282C1

STRIP

SEAL - bulk length

1шт.

73211C1

GASKET

SEAL - bulk length, Serial Range: (Optional-1265282C1)

1шт.

1265280C1

SEAL

SEAL - rubber, bulk length (4 foot roll)

1шт.

Выбрано товаров: 38