Запчасти Case 380B (4-20) - ALTERNATOR MOUNTING AND SHIELD (03) - FUEL SYSTEM

Схема запчастей Case 380B - (4-20) - ALTERNATOR MOUNTING AND SHIELD (03) - FUEL SYSTEM
13
4
2
8
9
1
3
6
10
5
4
12
3
7
11
FIT
1:1
100%

Артикул

Название

Примечание

Количество

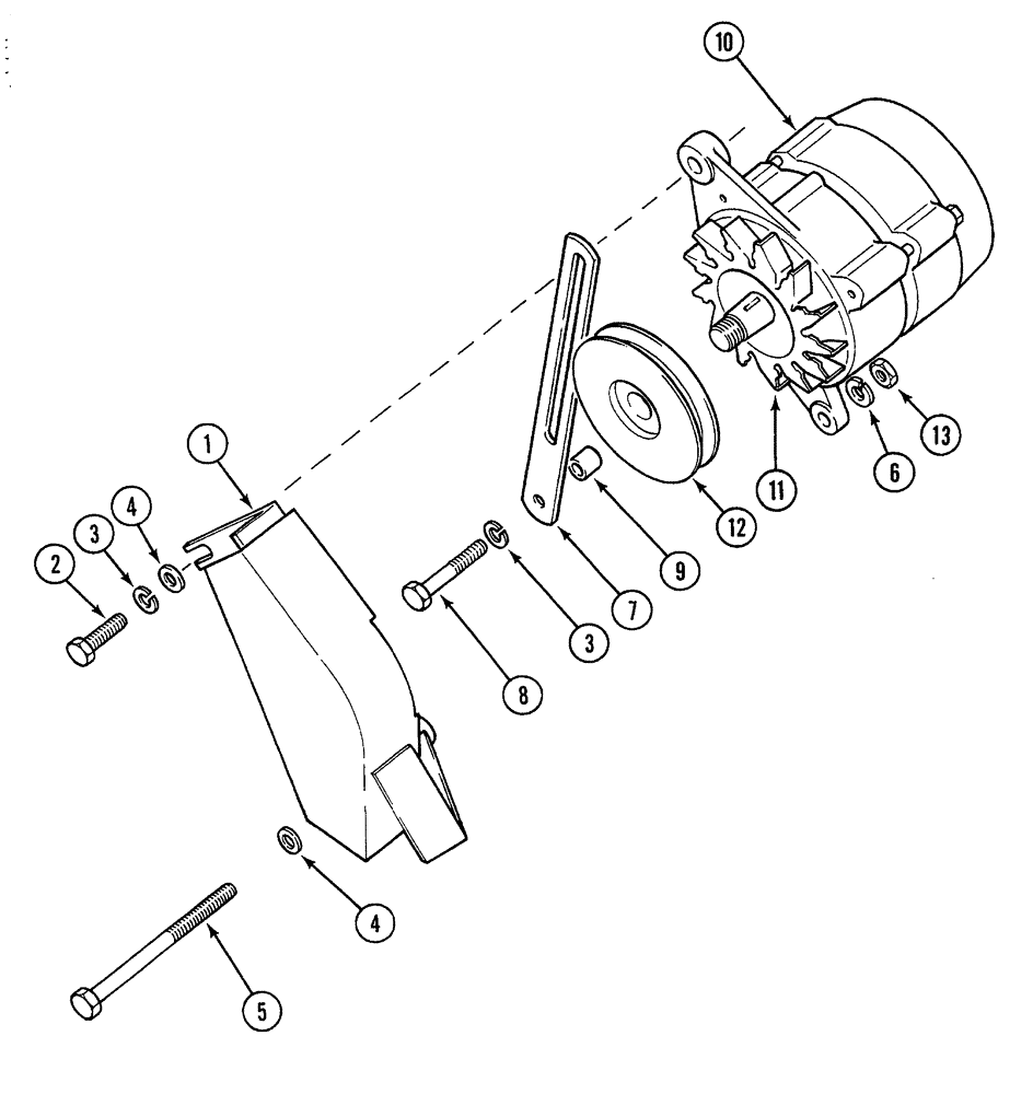
1

3129852R7

SHIELD

alternator

1шт.

2

614-8025

BOLT,Hex, M8 x 1.25 x 25mm, Cl 8.8, Full Thd

1шт.

3

92-11031

LOCK WASHER,5/16"

1шт.

4

495-11034

WASHER,5/16", SAE

(Flat, 11/32 x 11/16 x 1/16")

2шт.

5

13-576

BOLT,Hex, 5/16" - 18 x 4-3/4", Gr 5

1шт.

6

492-11031

LOCK WASHER,5/16"

1шт.

7

3113336R1

BRACE

alternator

1шт.

8

13-572

BOLT,Hex, 5/16" - 18 x 4-1/2", Gr 5

1шт.

9

65881H

SPACER,1/4" Pipe x 1 1/4"

standard pipe, 1/4 x 1-1/4 inch

1шт.

10

92293C1

ALTERNATOR

ASSEMBLY - Lucas, A127-45 (With fan and pulley) (See Figure 4-22)

1шт.

10

92293C1R

REMAN-ALTERNATOR

Reman For New PN 92293C1

1шт.

10

92293C1C

CORE-ALTERNATOR

Return Number

1шт.

10

92293C1GV

ALTERNATOR

Value

1шт.

11

K311704

FAN

KIT 17 mm bore, with spacer

1шт.

12

1970879C1

PULLEY

KIT 17 mm bore, with washer

1шт.

13

9635082

NUT,5/16" - 18, Gr 5

1шт.

Выбрано товаров: 16