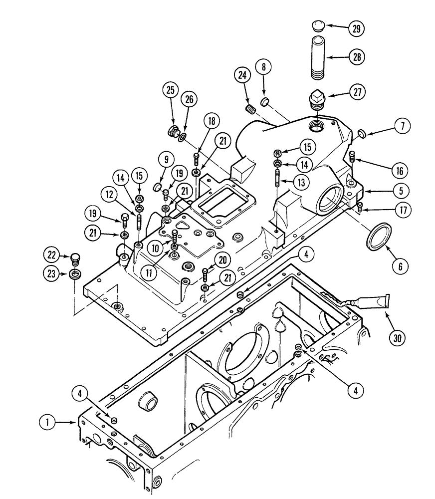
Запчасти Case 380B (6-26) - REAR FRAME - TOP COVER (06) - POWER TRAIN

Схема запчастей Case 380B - (6-26) - REAR FRAME - TOP COVER (06) - POWER TRAIN
7
14
20
13
10
11
21
4
21
21
24
16
4
8
6
23
12
4
15
9
25
14
22
19
28
29
5
30
15
19
1
27
21
17
18
26
FIT
1:1
100%

Артикул

Название

Примечание

Количество

1

82793C93

FRAME

ASSEMBLY - rear (See Figure 6-20)

1шт.

4

406734R1

SEAL

teflon

3шт.

5

406003R32

HOUSING ASSY.

hydraulic unit (With draft control) (See Figure 8-26)

1шт.

5

529381R96

COVER ASSY

rear frame (Without hydraulic draft control)

1шт.

6

24469R1

PLUG,Cup, 3 1/4"

cup, 3-1/4 inch

2шт.

7

373553R1

PLUG,Cup, 7/8"

cup, 7/8 inch

1шт.

8

386194R1

PLUG,Cup, 3/4"

cup, 3/4 inch

1шт.

9

41600D

PLUG,Cup, 1 1/8"

cup, 1-1/8 inch

1шт.

10

13-820

BOLT,Hex, 1/2" - 13 x 1-1/4", Gr 5, Full Thd

3шт.

11

231-1408

LOCK NUT,1/2"-13, GB

hex lock, 1/2 inch NC

3шт.

12

531144R1

STUD

top cover, short

2шт.

13

531143R2

STUD

top cover, long

2шт.

14

492-11038

LOCK WASHER,3/8"

4шт.

15

425-106

NUT,3/8"-16, Cl 5

4шт.

16

13-830

BOLT,Hex, 1/2" - 13 x 1-7/8", Gr 5

4шт.

17

413-826

BOLT,Hex, 1/2" - 13 x 1-5/8", Gr 5

BOLT - hex, 1/2 NC x 1-5/8 inch

2шт.

18

113-219

BOLT,Hex, 3/8" - 16 x 2", Gr 5

1шт.

19

13-644

BOLT,Hex, 3/8" - 16 x 2-3/4", Gr 5

2шт.

20

13-630

BOLT,Hex, 3/8" - 16 x 1-7/8", Gr 5

11шт.

21

92-11038

LOCK WASHER,3/8"

14шт.

22

536855R1

PLUG

hex, 3/4 inch NF O-ring boss

1шт.

23

237-6008

O-RING,0.087" Thk x 0.644" ID, -908, Cl 6, 90 Duro

1шт.

24

444697

PLUG,Hex Soc, 3/8"-18

hex socket, 3/8 inch PTF

1шт.

24

444698

PLUG

hex socket, 3/8 inch PTF, Serial Range: (Optional-444697)

1шт.

25

9410359

PLUG

hex, 3/4 inch NF O-ring boss

1шт.

26

237-6008

O-RING,0.087" Thk x 0.644" ID, -908, Cl 6, 90 Duro

1шт.

27

20953R1

DRAIN PLUG,Sq Hd, 1 1/4"-11 1/2 NPTF

square head, 1-1/4 inch PTF

1шт.

30

B17555

LOCTITE

SEALANT - Gasket Maker No. 515, 50 ml tube

1шт.

Continued on next page

1шт.

Выбрано товаров: 29