Запчасти Case 380B (6-36) - CLUTCH CONTROLS (06) - POWER TRAIN

Схема запчастей Case 380B - (6-36) - CLUTCH CONTROLS (06) - POWER TRAIN
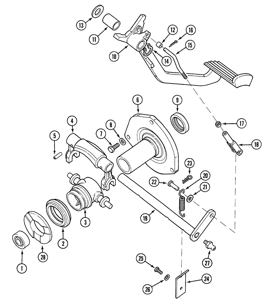
26
10
20
15
23
14
11
28
4
7
16
19
13
21
12
9
17
3
22
5
27
1
6
25
8
24
18
2
FIT
1:1
100%

Артикул

Название

Примечание

Количество

1

537290R91

BALL BEARING,20mm ID x 47mm OD x 14mm W

Clutch pilot

1шт.

1

69844C91

BEARING, BALL,20mm ID x 47mm OD x 14mm W

(Optional to 537290R91)

1шт.

1

538961R91

BEARING ASSY,19.995 mm ID x 46.995 mm OD x 13.94 mm

(Optional to 537290R91)

1шт.

1

70127C91

BALL BEARING,0.7874" ID x 1.8504" OD x 0.5512"

BEARING - ball, (Optional to 537290R91)

1шт.

1

70295C91

BALL BEARING

BEARING - ball, Serial Range: (Optional-537290R91)

1шт.

2

85104C91

BEARING, BALL

clutch release

1шт.

3

1971045C1

BEARING CARRIER,Clutch

clutch release (11 inch Laycock clutch)

1шт.

3

1970934C1

SLEEVE

clutch release (12 inch heavy duty Rockford clutch)

1шт.

4

398342R1

FORK

clutch release

1шт.

5

617938R1

PIN,5/16" x 1 3/8", Coiled

2шт.

6

71229C2

SLIPPER

CARRIER - clutch release sleeve

1шт.

7

13-622

BOLT,Hex, 3/8" - 16 x 1-3/8", Gr 5

3шт.

8

95-11041

WASHER,3/8"

(13/32 x 13/16 x 1/16)

3шт.

9

108982C1

OIL SEAL

1шт.

9

108735C1

OIL SEAL

oil, Serial Range: (Optional-108982C1)

1шт.

9

3129030R2

SEAL,42.8mm ID x 63.65mm OD x 7.92mm Thk

, Serial Range: (Optional-108982C1)

1шт.

10

1500212C93

PEDAL ASSY.

clutch, with bushing

1шт.

11

530816R1

BUSHING,22.25mm ID x 25.48mm OD x 38.1mm L

clutch pedal

1шт.

12

1500445C1

BUSHING,9.6mm ID x 15.03mm OD x 9.65mm L

clutch operating rod

1шт.

13

495-81054

WASHER,0.91" ID x 1.38" OD x 0.06" Thk

plain, 29/32 x 1-3/8 x 1/16 inch

1шт.

14

454331R1

SNAP RING,#87, Ext

1шт.

15

71086C1

ROD ASSY.

clutch operating

1шт.

16

38-812

PIN, SPLIT (COTTER)

PIN, COTTER 1/8 x 3/4 inch

1шт.

17

25-156

JAM NUT,Jam, 3/8"-24, G5

hex jam, 3/8 inch NF

1шт.

18

1500764C1

CLEVIS

adjustable, rod end

1шт.

18

104038

ADJUSTABLE CLEVIS,3/8"-24 x 2 1/2"

light adjustable (Optional to 1500764C1)

1шт.

19

1288115C2

PIN

Assy - clutch release

1шт.

20

1500587C1

SPRING

bearing pre-load

1шт.

21

495-11041

WASHER,0.406" ID x 0.812" OD x 0.065" W

Flat, (13/32 x 13/16 x 1/16")

1шт.

22

74158H

CLEVIS PIN,3/8" x 1.344"

3/8 x 1-11/32 inch

1шт.

23

3114469R1

SPLIT PIN/SAFETY PIN

quick release

1шт.

24

1500594C1

PLATE

spring anchor

1шт.

25

13-816

BOLT,Hex, 1/2" - 13 x 1", Gr 5, Full Thd

1шт.

26

92-11050

LOCK WASHER,1/2"

1шт.

27

219-45

LUBE NIPPLE,65 Degree Elbow, 1/4" NPTF

2шт.

28

1970876C1

WASHER, THRUST

1шт.

Выбрано товаров: 36