Запчасти Case 380B (1-08) - PICTORIAL INDEX - MAIN HYDRAULICS (00) - PICTORIAL INDEX

Схема запчастей Case 380B - (1-08) - PICTORIAL INDEX - MAIN HYDRAULICS (00) - PICTORIAL INDEX
3
5
11
10
1
8
7
9
4
6
2
FIT
1:1
100%

Артикул

Название

Примечание

Количество

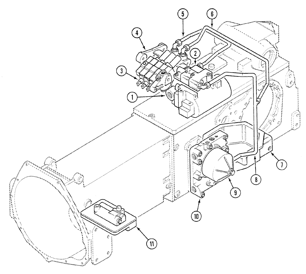
1

Draft Control Cylinder and Valve, Page 8-31

1шт.

2

Unloading and Flow Control Valve, Page 8-33

1шт.

3

Remote Auxiliary Control Valves, Page 8-21, 8-23

1шт.

4

Hitch Control Shaft Support, Page 8-37

1шт.

5

Variable Flow Tube, Page 8-27

1шт.

6

Variable Flow Supply Tube, Page 8-27

1шт.

8

Draft Control Pressure Tube, Page 8-27

1шт.

9

Hydraulic Oil Filter, Page 8-3

1шт.

10

Multiple Control Valve, Page 8-9

1шт.

11

Pressure Regulator Valve (Forward and Reverse Transmission), Page 8-11, 8-13

1шт.

Выбрано товаров: 10