Запчасти Case 380B (6-190) - REAR FRAME PLUGS AND CONNECTIONS, PRIOR TO P.I.N. 18001 (06) - POWER TRAIN

Схема запчастей Case 380B - (6-190) - REAR FRAME PLUGS AND CONNECTIONS, PRIOR TO P.I.N. 18001 (06) - POWER TRAIN
11
19
16
3
15
20
24
29
18
12
4
24
13
14
17
27
25
1
2
4
5
8
23
10
28
7
6
22
25
9
8
26
21
FIT
1:1
100%

Артикул

Название

Примечание

Количество

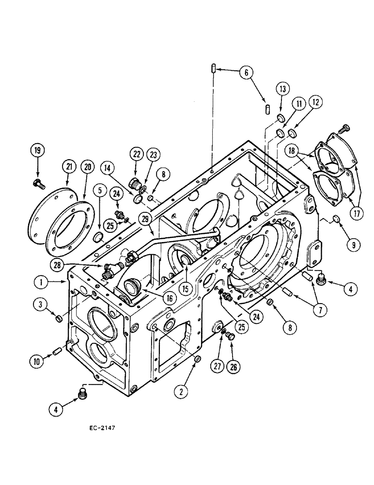
1

1289949C91

FRAME ASSY

FRAME - rear, Includes: Ref. 2 - 16

1шт.

2

318300R1

PLUG,Cup, 1"

- cup, 1 inch (With forward and reverse)

1шт.

3

327412R1

PLUG,Cup, 13/16"

- cup, 13/16 inch

1шт.

4

3113103R1

PLUG

- automotive hex, 3/4 inch NPTF

2шт.

4

444836

PLUG,Hex Hd, 3/4"-14

- automotive hex, 3/4 inch NPTF (Optional to 3113103R1)

2шт.

5

349373R1

PLUG

- cup, 1-1/4 inch

1шт.

6

19904R1

DOWEL,1/2" x 1"

PIN - dowel, 1/2 x 1 inch

2шт.

7

19875R1

DOWEL,5/8" x 1 1/2"

PIN - dowel, 5/8 x 1-1/2 inch

4шт.

8

386194R1

PLUG,Cup, 3/4"

- cup, 3/4 inch (Without diff lock)

2шт.

9

512870R1

PLUG,Cup, 2 1/4"

- cup, 2-1/4 inch (Without IPTO)

1шт.

10

19846R1

DOWEL,1/2" x 1 1/4"

PIN - dowel, 1/2 x 1-1/4 inch

1шт.

11

23828R1

PLUG,Cup, 2 1/2"

- cup, 2-1/2 inch (Without IPTO)

1шт.

12

151162R1

PLUG,Cup, 1 3/8"

- cup, 1-3/8 inch (Without IPTO)

1шт.

13

3142063R1

PLUG

- cup, 52 MM (Without IPTO)

1шт.

14

327413R1

PLUG

- cup, 1-1/2 inch

1шт.

15

70129R1

PLUG,Cup, 2"

- cup, 2 inch

1шт.

16

527748R1

PLUG

- oil reservoir

1шт.

17

399842R1

COVER

- rear frame IPTO (Without IPTO)

2шт.

18

399843R3

GASKET

- rear frame IPTO flange

2шт.

19

179837

BOLT,Hex, 3/8" - 16 x 3/4", Gr 5

13шт.

20

405739R2

GASKET

- side PTO cover

1шт.

21

405738R1

COVER

- side PTO

1шт.

22

9410363

PLUG

- o-ring boss, 1 inch OD tube

1шт.

23

296247R1

O-RING,16-1, 90 Duro, 1.171" ID x .116" Thk

- 1 inch OD tube

1шт.

24

3129671R1

FITTING

ADAPTER - brake pipe

2шт.

25

369751R1

O-RING,0.072" Thk x 0.351" ID, -904, Cl 6, 90 Duro

4-1, 90 Duro, .351" ID x .072" Thk, 1/4 OD tube

2шт.

26

9410356

PLUG

- o-ring boss, 7/16 inch NF (Without IPTO)

1шт.

27

369751R1

O-RING,0.072" Thk x 0.351" ID, -904, Cl 6, 90 Duro

4-1, 90 Duro, .351" ID x .072" Thk, 1/4 OD tube

1шт.

28

9411131

TEE,3/4"-16, 37 Degree x 3/4"-18, O-Ring Run

- 90 degree adjustable, 1/2 inch OD tube

1шт.

29

68393C1

TUBE ASSY.

TUBE - return, transfer pump

1шт.

Выбрано товаров: 0