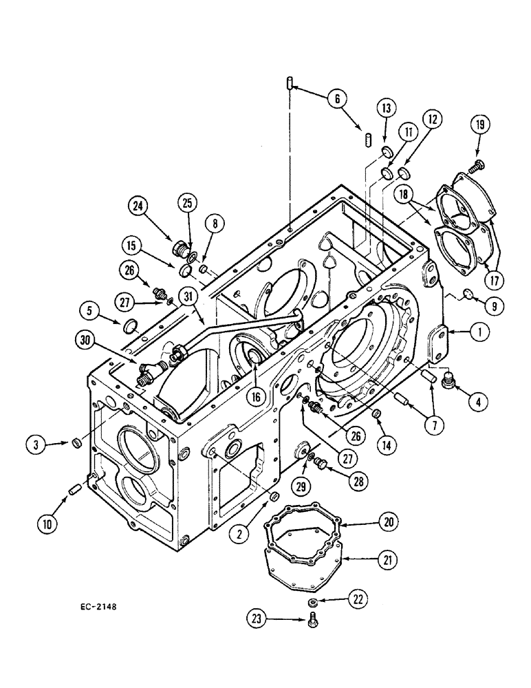
Запчасти Case 380B (6-192) - REAR FRAME, PLUGS AND CONNECTIONS, P.I.N. 18001 AND AFTER (06) - POWER TRAIN

Схема запчастей Case 380B - (6-192) - REAR FRAME, PLUGS AND CONNECTIONS, P.I.N. 18001 AND AFTER (06) - POWER TRAIN
9
28
24
13
6
16
25
10
3
12
23
2
21
11
22
20
15
1
31
14
8
27
29
4
18
30
26
17
19
7
26
27
5
FIT
1:1
100%

Артикул

Название

Примечание

Количество

1

82793C91

FRAME

- rear, Includes: Ref. 2 - 16

1шт.

2

318300R1

PLUG,Cup, 1"

- cup, 1 inch (With forward and reverse)

1шт.

3

327412R1

PLUG,Cup, 13/16"

- cup, 13/16 inch

1шт.

4

3113103R1

PLUG

- automotive hex, 3/4 inch NPTF

1шт.

4

444836

PLUG,Hex Hd, 3/4"-14

- automotive hex, 3/4 inch NPTF (Optional to 3113103R1)

1шт.

5

349373R1

PLUG

- cup, 1-1/4 inch

1шт.

6

19904R1

DOWEL,1/2" x 1"

PIN - dowel, 1/2 x 1 inch

2шт.

7

19875R1

DOWEL,5/8" x 1 1/2"

PIN - dowel, 5/8 x 1-1/2 inch

4шт.

8

386194R1

PLUG,Cup, 3/4"

- cup, 3/4 inch (Without diff lock)

1шт.

9

512870R1

PLUG,Cup, 2 1/4"

- cup, 2-1/4 inch (Without IPTO)

1шт.

10

19846R1

DOWEL,1/2" x 1 1/4"

PIN - dowel, 1/2 x 1-1/4 inch

1шт.

11

23828R1

PLUG,Cup, 2 1/2"

- cup, 2-1/2 inch (Without IPTO)

1шт.

12

151162R1

PLUG,Cup, 1 3/8"

- cup, 1-3/8 inch (Without IPTO/diff lock)

1шт.

13

3142063R1

PLUG

- cup, 52 MM (Without IPTO)

1шт.

14

151162R1

PLUG,Cup, 1 3/8"

- cup, 1-3/8 inch

1шт.

15

327413R1

PLUG

- cup, 1-1/2 inch

1шт.

16

28673R1

PLUG,Cup, 2 1/8"

- cup, 2-1/8 inch

1шт.

17

399842R1

COVER

- rear frame IPTO (Without IPTO)

2шт.

18

399843R3

GASKET

- rear frame IPTO flange

2шт.

19

179837

BOLT,Hex, 3/8" - 16 x 3/4", Gr 5

6шт.

20

82632C2

GASKET

- transfer gear box

1шт.

21

94293C1

COVER

- CAWD opening

1шт.

22

26273R1

WASHER

- 0.531 x 1.062 x 0.134 inch

9шт.

23

24861R1

BOLT,Hex, 1/2" - 13 x 1 1/4", Gr 8

9шт.

24

9410363

PLUG

- o-ring boss, 1 inch OD tube (Aux hyd tube opening)

1шт.

25

296247R1

O-RING,16-1, 90 Duro, 1.171" ID x .116" Thk

- 1 inch OD tube

1шт.

26

3129671R1

FITTING

ADAPTER - brake pipe

2шт.

27

369751R1

O-RING,0.072" Thk x 0.351" ID, -904, Cl 6, 90 Duro

4-1, 90 Duro, .351" ID x .072" Thk, 1/4 OD tube

2шт.

28

9410356

PLUG

- o-ring boss, 7/16 inch NF (Without IPTO)

1шт.

29

369751R1

O-RING,0.072" Thk x 0.351" ID, -904, Cl 6, 90 Duro

4-1, 90 Duro, .351" ID x .072" Thk, 1/4 OD tube

1шт.

30

9411131

TEE,3/4"-16, 37 Degree x 3/4"-18, O-Ring Run

- 90 degree adjustable, 1/2 inch OD tube

1шт.

31

86337C2

PIPE

TUBE - return, transfer pump

1шт.

Выбрано товаров: 32