Запчасти Case 380B (6-198) - REAR FRAME TOP COVER CONNECTIONS (06) - POWER TRAIN

Схема запчастей Case 380B - (6-198) - REAR FRAME TOP COVER CONNECTIONS (06) - POWER TRAIN
14
8
11
3
7
4
5
5
13
9
12
15
6
10
1
2
FIT
1:1
100%

Артикул

Название

Примечание

Количество

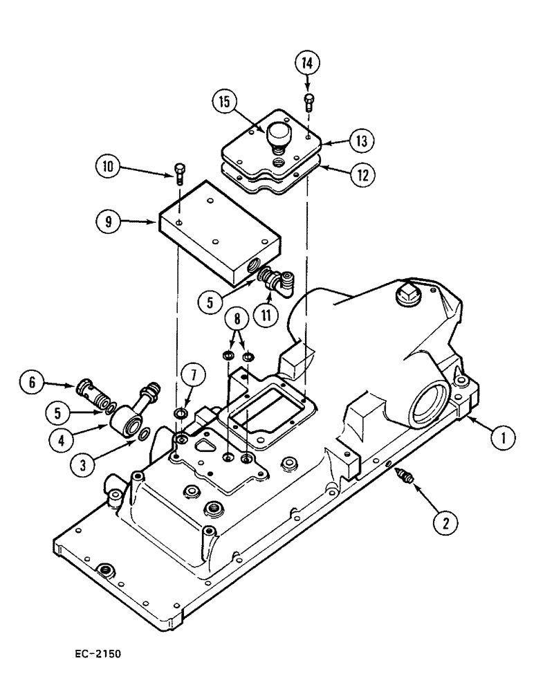
1

529381R96

COVER ASSY

COVER - rear frame (See Figure 6-196)

1шт.

2

82301R1

BLEEDER,3/8" - 24 x 117mm

- brake bleed

2шт.

2

3068777R1

SCREW

- brake bleed, Serial Range: (Optional-82301R1)

2шт.

3

384376R1

O-RING,0.07" Thk x 0.926" ID, -21, Cl 6, 90 Duro

- 15/16 ID x 1/16 inch

1шт.

4

66762C1

PIPE,0.625" OD, 3.5" Length

TUBE - inlet union

1шт.

5

364885R1

O-RING,0.097" Thk x 0.755" ID, -910, Cl 6, 90 Duro

- 5/8 inch OD tube

2шт.

6

66766C1

PLUG

- inlet union

1шт.

7

21433R1

O-RING,0.103" Thk x 0.674" ID, -115, Cl 6, 90 Duro

- 11/16 ID x 3/32 inch

1шт.

8

352221R1

O-RING,0.103" Thk x 0.549" ID, -113, Cl 5, 75 Duro

- 9/16 ID x 3/32 inch

2шт.

9

529382R1

MANIFOLD

- auxiliary valve

1шт.

10

179847

BOLT,Hex, 3/8" - 16 x 2", Gr 5

4шт.

11

9410978

ELBOW,90 Degree, 7/8"-14, 37 Degree x 7/8"-14, O-Ring

- 90 degree, adjustable, 7/8 inch NF

1шт.

12

399996R1

GASKET

- linkage access cover

1шт.

13

65969C1

COVER

- linkage access, Serial Range: -18012

1шт.

13

99969C1

COVER

- linkage access, Start Serial: 18012

1шт.

14

179791

BOLT,Hex, 1/4" - 20 x 1/2", Gr 5

5шт.

15

65970C2

BREATHER ASSY.

BREATHER - hydraulic unit housing, use with 65969C1

1шт.

15

1954000C1

BREATHER

- hydraulic unit housing, use with 99969C1, Serial Range: -18238

1шт.

See SB 062 87 - Improved transmission breather

1шт.

15

1971726C1

BREATHER,1/4" - 18

- hydraulic unit housing, use with 99969C1, Start Serial: 18238

1шт.

Выбрано товаров: 20