Запчасти Case 380B (8-240) - HYDRAULIC POWER SUPPLY AND MULTI-CONTROL VALVE (CONTD) (08) - HYDRAULICS

Схема запчастей Case 380B - (8-240) - HYDRAULIC POWER SUPPLY AND MULTI-CONTROL VALVE (CONTD) (08) - HYDRAULICS
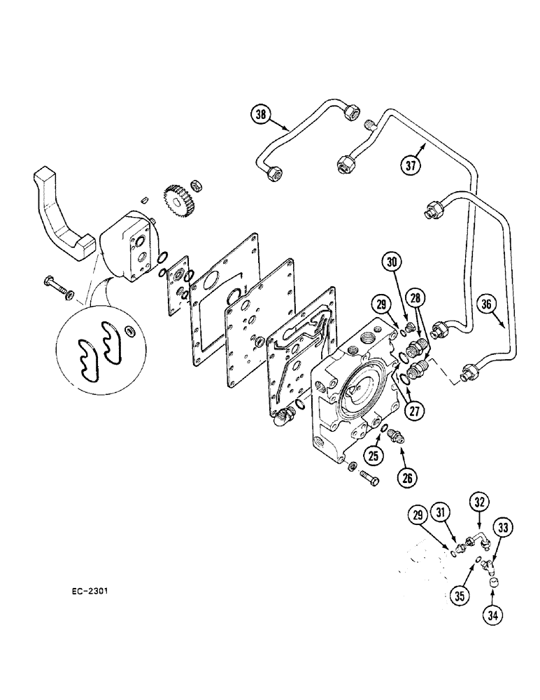
27
38
29
34
26
29
25
31
33
28
35
36
30
37
32
FIT
1:1
100%

Артикул

Название

Примечание

Количество

25

364839R1

O-RING,0.078" Thk x 0.468" ID, -906, Cl 6, 90 Duro

6-1, 90 Duro, .468" ID x .078" Thk, 3/8 OD tube, Serial Range: -18001

1шт.

25

578028R1

O-RING - 1/2 inch OD tube, Start Serial: 18001

1шт.

26

57577C1

CHECK VALVE

VALVE - check, Serial Range: -18001

1шт.

26

9410203

HYD CONNECTOR,3/4"-16, 37 Degree x 3/4"-16, O-Ring

UNION - short, 1/2 inch OD tube, Start Serial: 18001

1шт.

27

364885R1

O-RING,0.097" Thk x 0.755" ID, -910, Cl 6, 90 Duro

- 5/8 inch OD tube

2шт.

28

9410204

HYD CONNECTOR,7/8"-14, 37 Degree x 7/8"-14, O-Ring

UNION - short swivel, 5/8 inch OD tube

2шт.

29

369751R1

O-RING,0.072" Thk x 0.351" ID, -904, Cl 6, 90 Duro

4-1, 90 Duro, .351" ID x .072" Thk, 1/4 OD tube

1шт.

30

9410356

PLUG

- o-ring boss, 7/16 inch NF

1шт.

31

9410200

HYD CONNECTOR,7/16" - 20 JIC x 7/16" - 20 ORB

UNION - short swivel, 1/4 inch OD tube

1шт.

32

539835R1

TUBE ASSY.

TUBE - PTO pressure

1шт.

33

9411115

TEE,7/16"-20, 37 Degree x 7/8"-14, O-Ring Br

- 1/4 inch OD tube

1шт.

34

9403369

CAP,37 Degree, 7/16"-20

- tube, 1/4 inch

1шт.

35

369751R1

O-RING,0.072" Thk x 0.351" ID, -904, Cl 6, 90 Duro

4-1, 90 Duro, .351" ID x .072" Thk, 1/4 OD tube

1шт.

36

66764C1

PIPE

TUBE - multiple control valve by-pass

1шт.

37

66761C1

TUBE ASSY.

TUBE - draft control return, Serial Range: -18001

1шт.

37

1956744C1

HYD TUBE

TUBE - draft control return, Start Serial: 18001

1шт.

38

1956743C1

HYD TUBE,0.625" OD

TUBE - auxiliary valve return

1шт.

Выбрано товаров: 17