Запчасти Case 380B (2-40) - CYLINDER BLOCK AND RELATED PARTS (02) - ENGINE

Схема запчастей Case 380B - (2-40) - CYLINDER BLOCK AND RELATED PARTS (02) - ENGINE
25
31
17
23
2
8
10
24
6
7
14
28
5
21
32
20
26
27
11
31
29
16
3
2
18
33
30
20
15
19
3
5
1
4
3
34
28
13
12
9
3
4
22
FIT
1:1
100%

Артикул

Название

Примечание

Количество

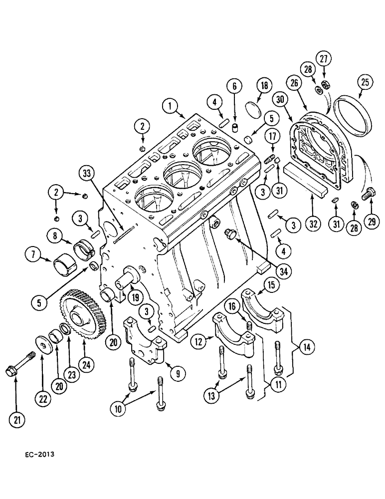
3055001R37

CRANKCASE

BLOCK - cylinder

1шт.

1

NSS

NOT SOLD SEPARAT

BLOCK - cylinder, Includes: Ref. 2 - 18

1шт.

2

3144520R1

PLUG

- slotted headless pipe

3шт.

3

141242

DOWEL

PIN - dowel, 3/8 x 7/8 inch

4шт.

4

141284

PIN,25.4mm OD x 31.75mm L

Pin 1/2" x 1 1/8"

2шт.

5

933537R1

PLUG,M25, Conical

- cup

2шт.

6

3055007R1

BUSHING

- dowel

2шт.

7

3055008R2

CRANKSHAFT BEARING,57.56mm ID x 63.1mm OD x 30mm W

BEARING - camshaft, front

1шт.

8

1806820C1

CAMSHAFT BEARING,57.98mm ID x 63mm OD x 18mm W

BEARING - camshaft

3шт.

9

NSS

NOT SOLD SEPARAT

CAP - front crankshaft bearing

1шт.

10

3138580R1

BOLT,Hex Flg, 9/16" - 12 x 120.70mm, 12.9

- Bearing cap

2шт.

11

3144438R91

BEARING ASSY

KIT - service, bearing cap, Includes: Ref. 12, 13 and instructions

2шт.

12

NSS

NOT SOLD SEPARAT

CAP - crankshaft bearing

1шт.

13

3138580R1

BOLT,Hex Flg, 9/16" - 12 x 120.70mm, 12.9

- Bearing cap

2шт.

NSS

NOT SOLD SEPARAT

INSTRUCTIONS - fitting

1шт.

14

3144436R91

CRANKSHAFT BEARING

KIT - service, rear main bearing cap, Includes: Ref. 15, 16 and instructions

1шт.

15

NSS

NOT SOLD SEPARAT

CAP - rear crankshaft bearing

1шт.

16

3138580R1

BOLT,Hex Flg, 9/16" - 12 x 120.70mm, 12.9

- Bearing cap

2шт.

NSS

NOT SOLD SEPARAT

INSTRUCTIONS - fitting

1шт.

17

3055270R1

STUD

- rear

1шт.

18

41-3044

PLUG,Exp, 2 3/4"

- expansion, 2-3/4 inch

1шт.

19

3055373R1

CARRIER

- idler gear

1шт.

20

3058816R91

NEEDLE BEARING CAGE,35mm ID x 42mm OD x 17.8mm W

BEARING - needle

2шт.

20

3136515R91

BEARING

- needle, Serial Range: (Optional-3058816R91)

2шт.

21

3055374R2

BOLT

BOLT - idler gear carrier, LH thread

1шт.

22

3055372R1

DISC

WASHER - thrust

1шт.

23

787656R1

SPACER,35.5mm ID x 41mm OD x 4mm L

RING - distance

1шт.

24

3055043R3

PINION

GEAR - idler, 68 teeth

1шт.

25

3138701R91

SEAL

SEAL - oil, crankcase rear

1шт.

26

3055216R1

RETAINER

- oil seal

1шт.

27

9635082

NUT,5/16" - 18, Gr 5

- hex, 5/16 inch NC

1шт.

28

3218395R1

BELLEVILLE WASHER,8.199mm ID x 16mm OD x 0.9mm Thk

Lock (5/16") M8.2 ID x 16 OD x .9 Thk

9шт.

29

179816

BOLT,Hex, 5/16" - 18 x 3/4", Gr 5

8шт.

30

3055215R1

GASKET

- crankcase oil seal retainer

1шт.

31

714868R1

SEALING STRIP

- sealing

2шт.

32

3055214R1

SUPPORT

STRIP - crankcase sealing

1шт.

33

3055989R1

STUD

- crankcase front

1шт.

34

20990R1

PLUG

- hex, 3/8 inch NPT

1шт.

Выбрано товаров: 38