Запчасти Case 380B (3-70) - FUEL INJECTION PUMP (03) - FUEL SYSTEM

Схема запчастей Case 380B - (3-70) - FUEL INJECTION PUMP (03) - FUEL SYSTEM
2
7
11
6
13
9
8
3
14
4
1
5
10
12
FIT
1:1
100%

Артикул

Название

Примечание

Количество

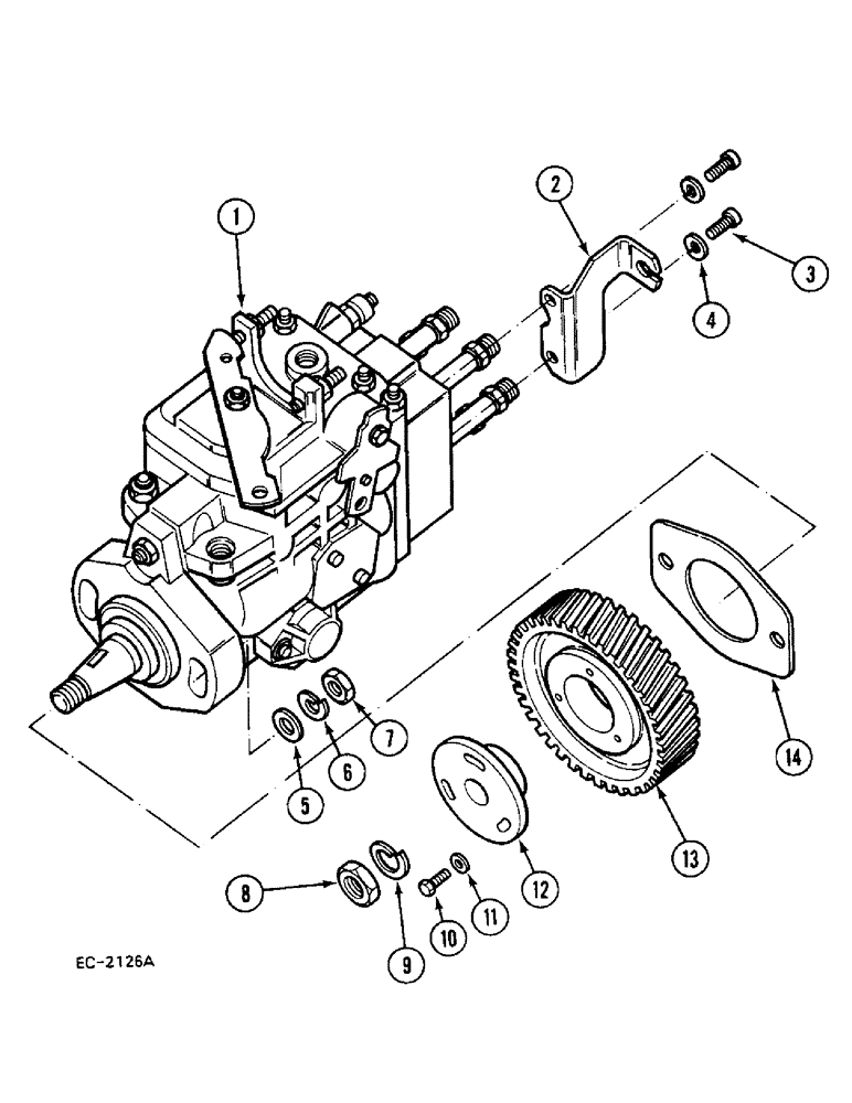
1

3144222R93

PUMP, FUEL INJECTION

PUMP - fuel injection (VA 3/100H 1090 CR43/3) (See Figure 3-72)

1шт.

1

1329100C91

PUMP, FUEL INJECTION

PUMP - fuel injection (VE 3/10F 1090 R276/2)

1шт.

2

3218939R1

BRACKET

- support, fuel shut-off cable, used with VE injection pump

1шт.

3

930670R1

SCREW - hex socket, M6 x 25 MM, used with VE injection pump

2шт.

4

905176R1

WAVE WASHER,M6.4 ID x 11 OD x .5 Thk

- spring bent, used with VE injection pump M6.4 ID x 11 OD x .5 Thk

2шт.

5

3055574R1

WASHER,8.5mm ID x 19mm OD x 2.5mm Thk

- flat, 5/16 inch

2шт.

6

3050129R1

LOCK WASHER

WASHER - lock, 5/16 inch

2шт.

7

9635082

NUT,5/16" - 18, Gr 5

- hex, 5/16 inch NC

2шт.

8

933981R1

NUT,M12 x 1.75, Cl 5

Hex M12 x 1.75, Cl 5

1шт.

9

933834R1

LOCK WASHER,M12

WASHER - lock 12 MM

1шт.

10

25228R1

BOLT,Hex, 5/16" - 18 x 3/4", Gr 8

- hex, 5/16 NC x 3/4 inch

3шт.

11

30183R1

WASHER,M8 x 21.5 x 2.5, HT

- flat, 8 MM

3шт.

12

3055067R2

HUB

- injection pump gear

1шт.

13

3056885R3

PINION

GEAR - injection pump

1шт.

14

3055384R1

GASKET

- fuel injection pump

1шт.

Выбрано товаров: 15