Запчасти Case 380B (4-110) - ALTERNATOR AND SHIELD (04) - ELECTRICAL SYSTEMS

Схема запчастей Case 380B - (4-110) - ALTERNATOR AND SHIELD (04) - ELECTRICAL SYSTEMS
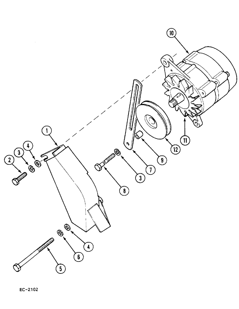
8
3
7
12
2
1
6
11
3
9
4
5
10
4
FIT
1:1
100%

Артикул

Название

Примечание

Количество

1

3129852R7

SHIELD

SHIELD - alternator

1шт.

2

930108R1

BOLT,Hex, M8 x 1.25 x 20mm, Cl 8.8, Full Thd

BOLT - hex, M8 x 20 MM

1шт.

3

103320

LOCK WASHER,5/16"

WASHER, LOCK, 5/16"

1шт.

4

120393

BEARING WASHER,5/16", SAE

WASHER - plain, 5/16 inch

2шт.

5

413-576

BOLT,Hex, 5/16" - 18 x 4-3/4", Gr 5

BOLT - hex, 5/16 NC x 4-3/4 inch

1шт.

6

80681

LOCK WASHER,5/16"

WASHER, LOCK, 5/16"

1шт.

7

3113336R1

BRACE

BRACE - alternator

1шт.

8

186273

BOLT,Hex, 5/16" - 18 x 4 1/4", Gr 5

BOLT - hex, 5/16 NC x 4-1/4 inch, G5

1шт.

9

U13039

SPACER

SPACER - alternator brace

1шт.

9

190123C1

SPACER,1/2" Tube x 1"

SPACER - tube, 1/2 x 1 inch (Optional to U13039)

1шт.

10

92292C1

ALTERNATOR

ALTERNATOR - Lucas 65 amps, without fan and pulley, Start Serial: 18135

1шт.

10

92293C1

ALTERNATOR

ALTERNATOR - Lucas, with fan and pulley (See Figure 4-112), Serial Range: -18135

1шт.

10

92293C1R

REMAN-ALTERNATOR

Reman For New PN 92293C1

1шт.

10

92293C1C

CORE-ALTERNATOR

Return Number

1шт.

10

92293C1GV

ALTERNATOR

Value, W/ Fan and Pulley

1шт.

11

245533C1

FAN

KIT - fan, with spacer

1шт.

12

245534C1

PULLEY

KIT - pulley, with washer

1шт.

Выбрано товаров: 17