Запчасти Case 380B (4-112) - ALTERNATOR, LUCAS, 45 AMP, PRIOR TO P.I.N. 18135 (04) - ELECTRICAL SYSTEMS

Схема запчастей Case 380B - (4-112) - ALTERNATOR, LUCAS, 45 AMP, PRIOR TO P.I.N. 18135 (04) - ELECTRICAL SYSTEMS
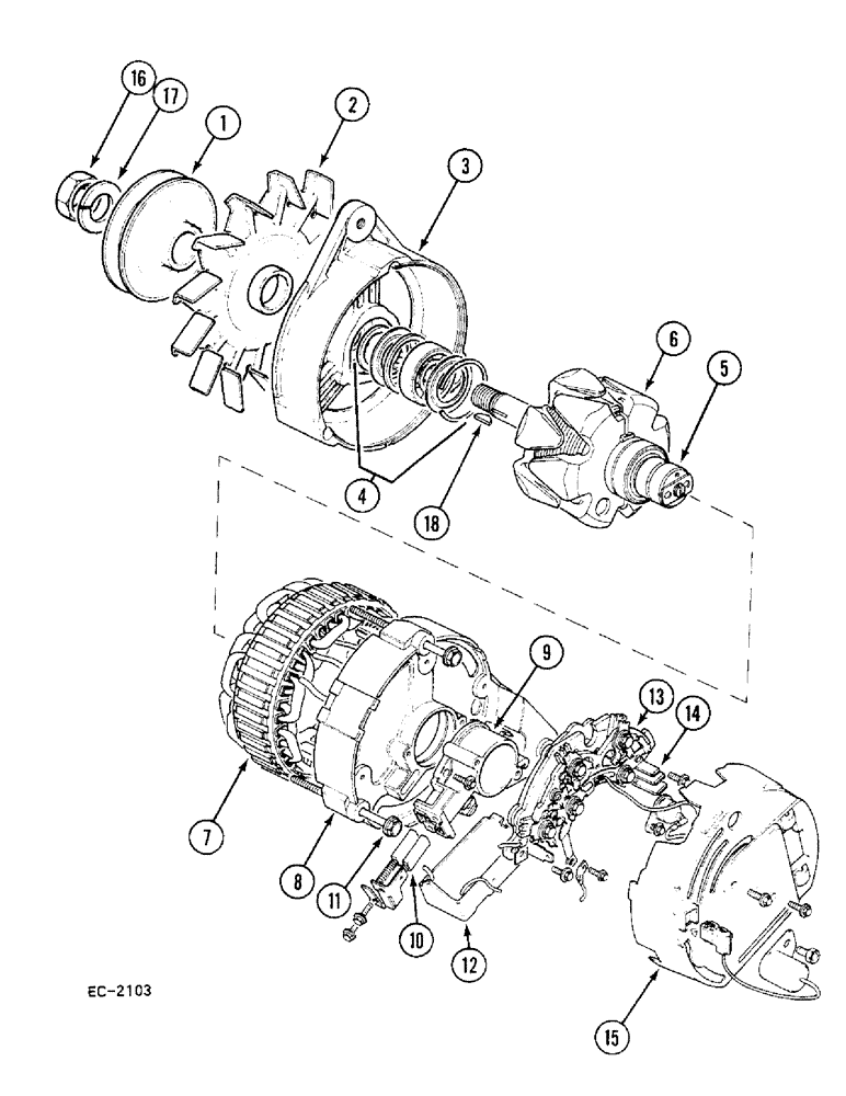
17
11
8
18
2
10
9
15
14
7
6
4
16
3
13
1
12
5
FIT
1:1
100%

Артикул

Название

Примечание

Количество

92293C1

ALTERNATOR

ALTERNATOR - Lucas, with fan and pulley, Includes: Ref. 1 - 18, sundry parts kit, screw kit and spacer kit

1шт.

92293C1R

REMAN-ALTERNATOR

Reman For New PN 92293C1

1шт.

92293C1C

CORE-ALTERNATOR

Return Number

1шт.

92293C1GV

ALTERNATOR

Value, W/ Fan and Pulley

1шт.

1

245534C1

PULLEY

KIT - pulley, with washer

1шт.

2

245533C1

FAN

KIT - fan, with spacer

1шт.

3

3116089R91

BRACKET

BRACKET - drive end

1шт.

4

3116096R91

BEARING ASSY

KIT - drive end bearing

1шт.

5

245541C1

WHEEL BEARING KIT

KIT - bearing and slip ring, Includes: Ref. 5

1шт.

5

245542C1

RING

RING - slip

1шт.

6

245540C1

ROTOR ASSY.

ASSEMBLY - rotor

1шт.

7

245544C1

STATOR

STATOR

1шт.

8

245543C1

BRACKET

BRACKET - slip ring end

1шт.

9

245545C1

BRUSH HOLDER

HOLDER, BRUSH BOX - brush

1шт.

10

245546C1

BRUSH SET

BRUSH SET

1шт.

11

245547C1

BOLT

SPARE PART BOLT - fixing

3шт.

12

245536C1

REGULATOR

REGULATOR

1шт.

13

245537C1

RECTIFIER

RECTIFIER

1шт.

14

245886C1

RECTIFIER

RECTIFIER - surge protection

1шт.

15

245535C1

COVER

COVER

1шт.

16

NSS

NOT SOLD SEPARAT

NUT

1шт.

17

NSS

NOT SOLD SEPARAT

WASHER - lock

1шт.

18

NSS

NOT SOLD SEPARAT

KEY - Woodruff

1шт.

245548C1

PACKAGE

KIT - sundry parts (Not illustrated)

1шт.

245549C1

PACKAGE

KIT - screw (Not illustrated)

1шт.

245550C1

PACKAGE

KIT - spacer (Not illustrated)

1шт.

Выбрано товаров: 26