Запчасти Case 570LXT (8-088) - BACKHOE CONTROL VALVES, MODELS W/ EXTENDABLE DIPPER, W/O AUXILIARY HYDRAULICS (08) - HYDRAULICS

Схема запчастей Case 570LXT - (8-088) - BACKHOE CONTROL VALVES, MODELS W/ EXTENDABLE DIPPER, W/O AUXILIARY HYDRAULICS (08) - HYDRAULICS
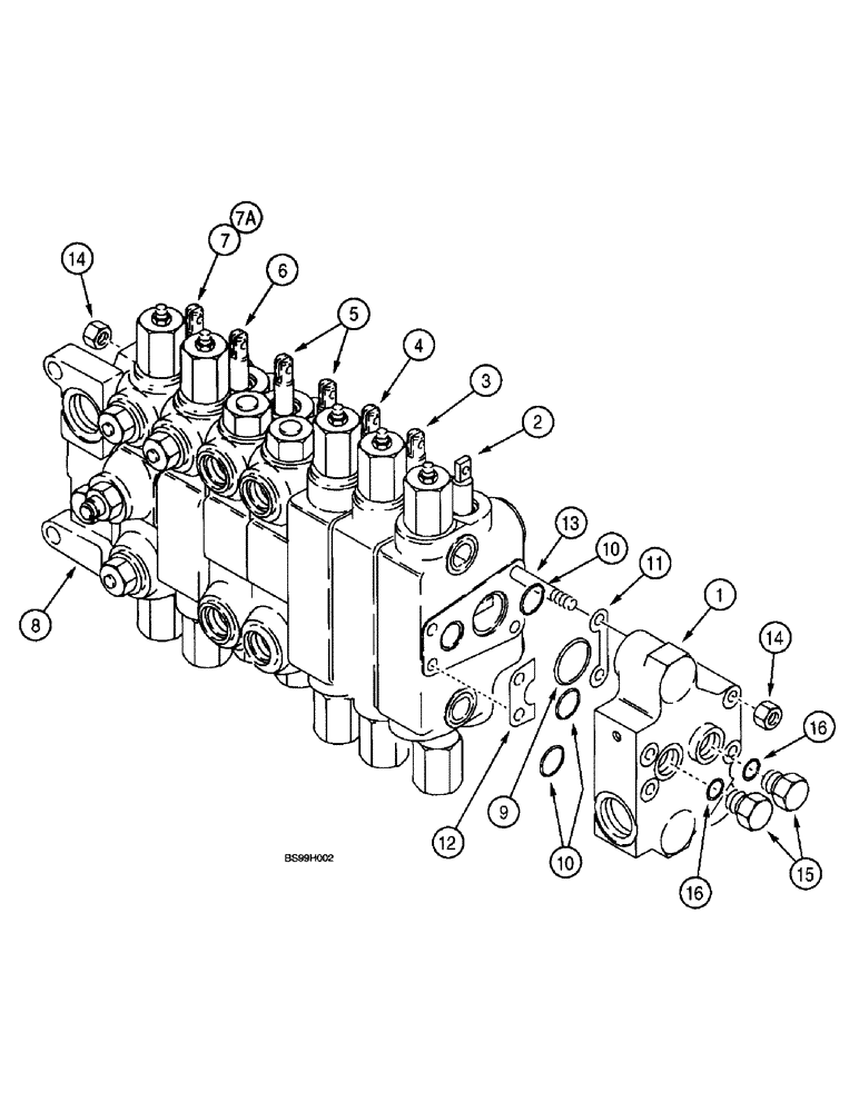
16
2
14
13
10
6
9
3
11
7a
5
8
15
4
12
7
10
14
1
16
FIT
1:1
100%

Артикул

Название

Примечание

Количество

242690A3

DISTRIBUTOR

VALVE ASSEMBLY, backhoe control, 7 spool, foot swing, Replaces: 242690A2, boom and swing section spool eyes are not color coded, without check valve in outlet section, with male spool eye in options section, no longer available, order 333574A1 valve

1шт.

242653A3

DISTRIBUTOR

VALVE ASSEMBLY, backhoe control, 7 spool, hand swing, Replaces: 242653A2, boom & swing sectin spool eyes are not color coded, w/o check valve in outlet section, w/ male spool eye in options section, no longer avail., order 333753A1 valve, Incl.: Ref. 1-15

1шт.

1

113248A3

HYD VALVE SECTION

SECTION ASSEMBLY, outlet, with hex plug, without check valve, Replaces: 113248A2 section with hex socket head plug, parts list Figure 8-94

1шт.

2

294198A1

HYD VALVE SECTION

SECTION ASSEMBLY, options, male spool eye, auxiliary hydraulics, parts list Figure 8-112

1шт.

3

129864A4

HYD VALVE SECTION

SECTION ASSEMBLY, bucket, parts list Figure 8-96

1шт.

4

136610A5

HYD VALVE SECTION

SECTION ASSEMBLY, dipper, part list Figure 8-98

1шт.

5

253989A2

HYD VALVE SECTION

SECTION ASSEMBLY, stabilizer, left hand and right hand, parts list Figure 8-100

2шт.

6

144321A5

HYD VALVE SECTION

SECTION ASSEMBLY, boom, parts list Figure 8-102 and 8-104

1шт.

7

144681A5

HYD VALVE SECTION

SECTION ASSEMBLY, swing, foot swing control valve, parts list Figure 8-106 and 8-108

1шт.

7a

144682A5

ELEMENT

SECTION ASSEMBLY, swing, hand swing control valve, parts list Figure 8-106 and 8-108

1шт.

8

1542829C1

HYD VALVE SECTION

SECTION ASSEMBLY, inlet, part list Figure 8-94

1шт.

9

238-6127

O-RING,0.103" Thk x 1.424" ID, -127, Cl 6, 90 Duro

Section ports -127, 90 Duro, 1.424" ID x .103" Thk

8шт.

Included w/ SEAL KIT, P/N 1346107C2

1шт.

10

238-6119

O-RING,0.103" Thk x 0.924" ID, -119, Cl 6, 90 Duro

Section ports, small inch wide -119, 90 Duro, .924" ID x .103" Thk

24шт.

Included w/ SEAL KIT, P/N 1346107C2

1шт.

11

G107251

SHIM,10.31mm ID x 20.62mm OD x 0.06mm Thk

Section 0.051mm Thk

8шт.

12

G33965

SHIM,22.86mm OD x 0.06mm Thk

Section 0.051mm Thk

8шт.

13

G108899

ROD

tie, 3/8 NC x 18-15/16 inch

4шт.

14

425-106

NUT,3/8"-16, Cl 5

8шт.

15

86512512

PLUG,7/8" - 14 ORB

hex, 14-7/8 inch O-ring boss, Incl. Ref. 16

2шт.

16

237-6010

O-RING,0.097" Thk x 0.755" ID, -910, Cl 6, 90 Duro

10-1, 90 Duro, .755" ID x .097" Thk

1шт.

1346107C2

SEAL KIT

KIT seal, Includes: Refs. 9 & 10, plus additional O-rings not required for this application

1шт.

Выбрано товаров: 22