Запчасти Case 570LXT (9-107) - 570LXT SHORT ROPS CANOPY, OPERATOR COMPARTMENT WITH MINIMAL ROOF (09) - CHASSIS/ATTACHMENTS

Схема запчастей Case 570LXT - (9-107) - 570LXT SHORT ROPS CANOPY, OPERATOR COMPARTMENT WITH MINIMAL ROOF (09) - CHASSIS/ATTACHMENTS
8
13
29
26
22
27
28
4
15
12
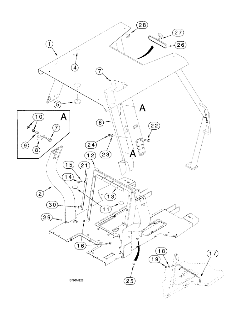
1
19
11
10
5
17
9
21
2
23
6
30
24
18
7
25
7
16
14
FIT
1:1
100%

Артикул

Название

Примечание

Количество

1

296047A1

ROOF

CANOPY upper ROPS, order from Machinery Price List, for service order 281005A1 which is the complete upper and lower ROPS canopy

1шт.

2

281002A1

ROOF

FRAME canopy, lower ROPS, order from Machinery Price List, for service order 281005A1 which is the complete upper and lower ROPS canopy

1шт.

4

353-417

PLUG,Dome, 2.000" hole, Nylon

button, 2 inch, nylon

2шт.

5

1302758C1

PLUG

plastic, 89 mm O.D., Replaces: D93716 plug

3шт.

6

136044A1

COVER

wiring, right hand ROPS post

1шт.

7

282-16512

SCREW,Hex Wshr Hd, #10 - 16 x 3/4"

self drilling tapping, hex washer head, No. 10-16 x 3/4 inch, Teflon

3шт.

8

D147383

CLIP,5/8" J

CLAMP J-type, canopy harness to ROPS post

2шт.

9

128265A1

SPACER,10.31mm ID x 15.85mm OD x 13mm L

clamp

2шт.

10

825-2408

FLANGE NUT,M8 x 1.25, Flg, Cl 8

M8 x 1.25", Flg, Cl 8

4шт.

11

205-129

HOLE PLUG BUTTON,2"

PLUG button, 2 inch ID, floor

2шт.

12

143121A1

MOLDING

SEAL firewall

1шт.

13

143127A1

PLATE

stiffener, firewall

1шт.

14

781-24820

SELF-TAP SCREW,Hex Flg, M8 x 1.25 x 20mm

BOLT hex flange, self-tapping, 8 - 1.25 x 20 mm

9шт.

15

892-11008

LOCK WASHER,8mm ID

WASHER, LOCK, M8

9шт.

16

D143242

PLUG,7.1mm Dia Shank x 25.4mm OD Head x 23.1mm L

RETAINER push in, plastic

2шт.

17

180801A1

SUPPORT

BRACE loader control bracket

1шт.

18

495-11041

WASHER,0.406" ID x 0.812" OD x 0.065" W

(Flat, 13/32 x 13/16 x 1/16") 3/8", SAE

6шт.

19

425-106

NUT,3/8"-16, Cl 5

6шт.

21

137851A1

PLATE

bar, front console, Serial Range: mounting-firewall

2шт.

22

827-16090

BOLT,Hex, M16 x 2 x 90mm, Cl 10.9

- hex 16 - 2.0 x 90 mm, class 10.9

16шт.

23

896-11016

WASHER,17.5mm ID x 30mm OD x 4mm Thk

flat, 17.5 x 30 x 4 mm, hardened

16шт.

24

829-1416

NUT,M16, Cl 10

hex, 16 mm - 2.0, class 10

16шт.

25

353-411

PLUG,Dome, 1.000" hole, Nylon

Hand throttle cable hole, 570LXT models Dome, 1.000" hole, Nylon

1шт.

26

194513A1

MIRROR

rear view, interior

1шт.

27

286-56520

SELF-TAP SCREW,Cross Fil Hd, #10-24 x 1 1/4"

self tapping, Fillister head, No. 10 NC x 1-1/4 inch

2шт.

28

194262A1

GROMMET,25.4mm ID x 57.15mm OD x 12.7mm Thk

2 inch diameter

4шт.

29

353-406

PLUG,Dome, .625" hole, Nylon

button, 5/8 inch, black, plastic, if used

1шт.

30

127367A1

NUT,M6, U

4шт.

F42827

TRIM,2946.4mm L

TRIM edge, bulk, 2946 mm, 116 inch long

1шт.

Выбрано товаров: 0