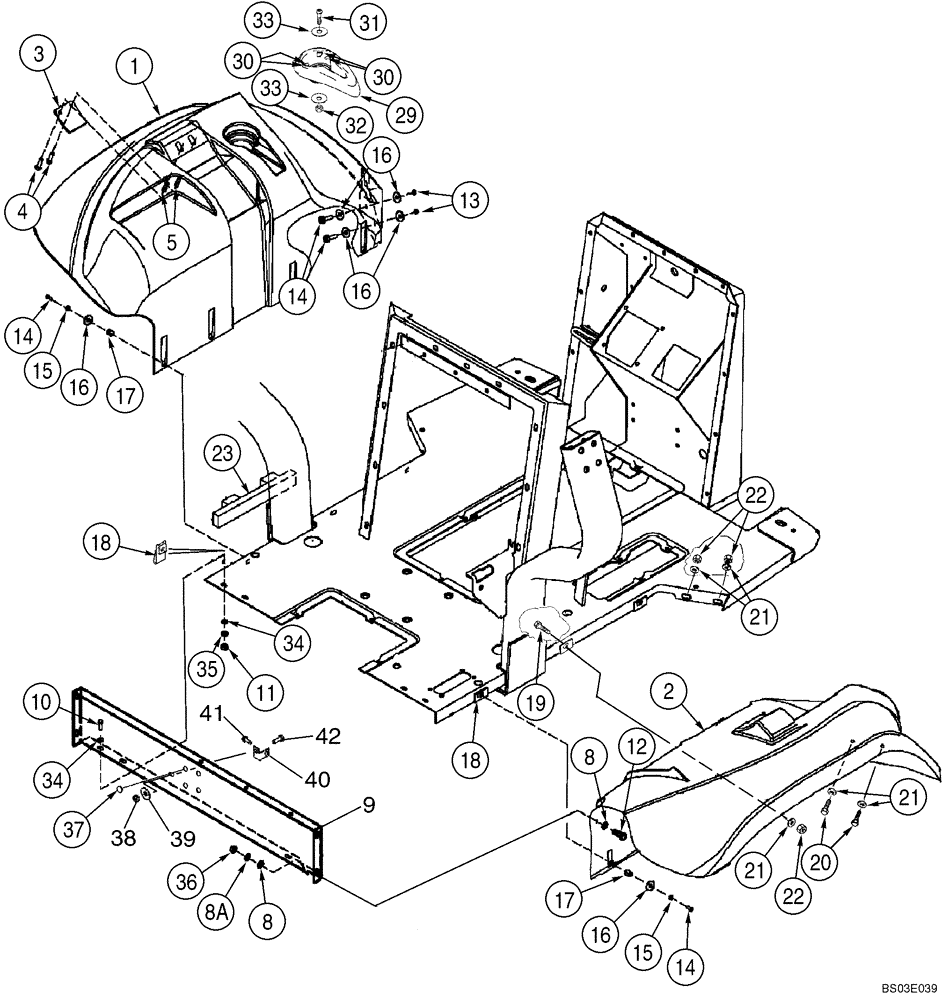
Запчасти Case 570MXT (09-28) - FENDER, REAR - PANEL, REAR CLOSURE (CANOPY MODELS) (IF USED) (09) - CHASSIS/ATTACHMENTS

Схема запчастей Case 570MXT - (09-28) - FENDER, REAR - PANEL, REAR CLOSURE (CANOPY MODELS) (IF USED) (09) - CHASSIS/ATTACHMENTS
31
14
30
5
10
22
11
9
1
29
20
16
37
4
21
19
3
12
32
39
18
23
30
17
21
8
40
15
34
36
16
2
33
17
42
35
34
16
41
18
38
8a
33
8
15
14
21
16
22
14
13
FIT
1:1
100%

Артикул

Название

Примечание

Количество

USED WITH 399303A1, 87326904 CHASSIS / MODELS WITH OFFSET DRAFT ARMS 3 PT HITCH FRAME

1шт.

1

407181A3

FENDER

Left-Hand; Replaces 407181A2

1шт.

2

401209A1

FENDER

Right-Hand

1шт.

3

141404A1

LARGE PLATE

PLATE, LARGE

2шт.

4

781-24830

SELF-TAP SCREW,Hex Flg, M8 x 1.25 x 30mm

4шт.

5

144282A1

SPACER

16 x 10 mm lg

4шт.

8

895-11008

WASHER,9mm ID x 16mm OD x 1.6mm Thk

8шт.

8a

892-11008

LOCK WASHER,8mm ID

4шт.

9

400464A2

PANEL

Rear; Replaces 400464A1

1шт.

10

614-8020

BOLT,Hex, M8 x 1.25 x 20mm

3шт.

11

829-1408

NUT,Hex, M8 x 1.25, Cl 10.9

3шт.

12

614-8025

BOLT,Hex, M8 x 1.25 x 25mm, Cl 8.8, Full Thd

4шт.

13

832-10408

NUT,M8 x 1.25, Cl 8.8

2шт.

14

614-8030

BOLT,Hex, M8 x 1.25 x 30mm, Cl 8.8, Full Thd

14шт.

15

892-11008

LOCK WASHER,8mm ID

12шт.

16

495-81001

WASHER,5/16"

16шт.

17

144282A1

SPACER

16 x 10 mm lg

12шт.

18

833-40408

NUT,M8, U

12шт.

19

614-8045

BOLT,Hex, M8 x 1.25 x 45mm, Cl 8.8, Full Thd

Mud Guard To Fender; For Attaching Parts, See Fig 09-31

2шт.

20

814-8035

BOLT,Hex, M8 x 1.25 x 35mm, Cl 8.8

Mud Guard to Fender; For Attaching Parts, See Figure 09-31

2шт.

21

495-21038

WASHER,5/16"

6шт.

22

832-10408

NUT,M8 x 1.25, Cl 8.8

4шт.

23

188482A1

SEALING STRIP

2шт.

29

303022A1

INSERT

Coffee Cup Holder; Black Plastic Liner; Optional Deluxe Interior; Incl. 30

1шт.

30

304061A1

BUMPER,Rubber

4шт.

31

140-119

SCREW,Cross Pan Hd, #10 - 24 x 1 1/4"

1шт.

32

86625057

NUT,#10-24, GB

1шт.

33

495-61020

WASHER,0.203" ID x 0.75" OD x 0.067" Thk

2шт.

34

895-15008

WASHER,9mm ID x 20mm OD x 1.6mm Thk

6шт.

35

892-11008

LOCK WASHER,8mm ID

If Used

3шт.

36

829-1408

NUT,Hex, M8 x 1.25, Cl 10.9

4шт.

37

353-436

PLUG,.593" Hole, Nylon

(2) Used With Three-Point Hitch; (4) Used With 3000 lbs. Rear Counterweight

2-4шт.

38

829-1708

NUT,M8, Cl 10

1шт.

39

495-81001

WASHER,5/16"

1шт.

40

436217A2

BRACKET

Floor Closure

1шт.

41

281-18712

SELF-TAP SCREW,Hex Wash Hd, 1/4" x 3/4"

1шт.

42

514-644

BOLT,Hex, M8 x 1.25 x 20mm, Cl 8.8, Full Thd

1шт.

Выбрано товаров: 0