Запчасти Case 570MXT (09-36) - SEAT PEDESTAL AND SUSPENSION, MECHANICAL SUSPENSION (MILSCO) (09) - CHASSIS/ATTACHMENTS

Схема запчастей Case 570MXT - (09-36) - SEAT PEDESTAL AND SUSPENSION, MECHANICAL SUSPENSION (MILSCO) (09) - CHASSIS/ATTACHMENTS
3
1
1
3
2
13
14
1
4
7
4
1
7
2
1
16
13
2
11
1
7
3
1
1
1
2
2
1
2
3
5
4
3
15
1
11
5
1
12
1
17
2
1
1
1
9
1
8
8
17
12
1
1
12
7
1
10
8
11
4
1
8
12
5
1
1
11
1
5
1
1
6
11
5
7
2
1
FIT
1:1
100%

Артикул

Название

Примечание

Количество

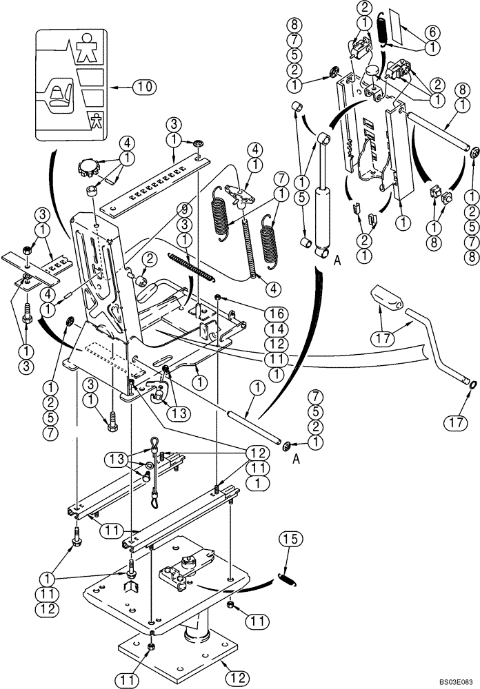
413014A1

SEAT ASSY.

Mechanical Suspension, Cloth; Includes Seat, Suspension, Pedestal and Weight Adjuster; Incl. Ref 1 - 17, Also Includes Figure 09-35; Without Armrest, See Figure(s) 09-32 For Armrests

1шт.

413013A1

SEAT ASSY.

Mechanical Suspension, Vinyl; Includes Seat, Suspension, Pedestal and Weight Adjuster; Incl. Ref 1 - 17, Also Includes Figure 09-35; Without Armrest, See Figure(s) 09-32 For Armrests

1шт.

1

307093A1

KIT

Suspension, Includes Suspension, Back Angle Adjust, (1) Handle, (8) Screws, (2) Springs, (3) Washers and (1) Rivet

1шт.

1

307093A1

KIT

307093A1 Kit Also Includes (1) Spacer, (2) Ties, (8) Clips, (12) Nuts, (1) Height Adjust Grip, (1) Back Angle Grip, (1) Rake Grip, (1) Fore/Aft/Swivel Grip, (1) Decal

1шт.

2

176921A1

KIT

Plastic Components, Includes (2) Rollers, (4) Downstops, (2) Roller Guides, (2) Bearings, (1) Bumper, (4) Nuts, (10) Clips, (2) Washers and (1) Grip, For Additional Kit Parts, See Figure(s) 09-35, Ref 9

1шт.

3

116521A1

KIT

Fore/Aft Adjuster Latch, Includes (1) Latch Bar, (1) Bolt, (1) Spacer, (2) Nuts, (1) Spring and (2) Ties, Includes 131-435

1шт.

131-435

PUSH-ON NUT,Push, 3/8"

1шт.

4

176916A1

KIT

Weight Adjuster, Includes Adjusting Knob, (1) Spacer, (2) Roll Pins, (1) Shaft, (1) Spring, (10) Clips, (2) Washers, (1) Grip and (2) Ties

1шт.

5

176914A1

KIT

Suspension Damper, Includes Damper, (2) Spacers, (4) Nuts, (10) Clips, (2) Washers, (1) Grip and (2) Ties

1шт.

6

116547A1

KIT

Height Adjusting Spring, Includes (10) Shroud Retainers, (2) Washers, (2) Springs and (1) Wear Strip, For Additional Kit Parts, See Figure(s) 09-35, Ref 10

1шт.

7

176920A1

KIT

Main Extension Springs, Includes (2) Springs, (4) Nuts, (2) Washers, (10) Clips, (1) Grip and (2) Ties

1шт.

8

116551A1

WHEEL BEARING KIT

Upper Suspension Tower Shaft, Includes Shaft, (2) Bearings, (2) Nuts, (10) Clips and (2) Washers

1шт.

9

116545A1

KIT

Fore/Aft Latch Spring, Includes (1) Spring and (2) Ties

1шт.

10

116534A1

KIT

Decal, Seat Weight Adjustment

1шт.

11

192305A1

KIT

Fore/Aft Adjuster Slides, Includes (2) Slave Adjusters, (4) Screws, (8) Nuts

1шт.

12

192304A1

KIT

Pedestal, Includes Pedestal, (4) Screws, (8) Nuts, (4) Rings, Tape, Label

1шт.

13

116552A1

KIT

Cable, Includes (2) Cables, (2) Screws, (2) Spacers, (2) Washers and (2) Nuts

1шт.

15

116548A1

KIT

Spring Only

1шт.

17

192306A1

KIT

Swivel Handle, Includes (1) Handle, (1) Swivel Grip, (4) Rings

1шт.

Выбрано товаров: 19