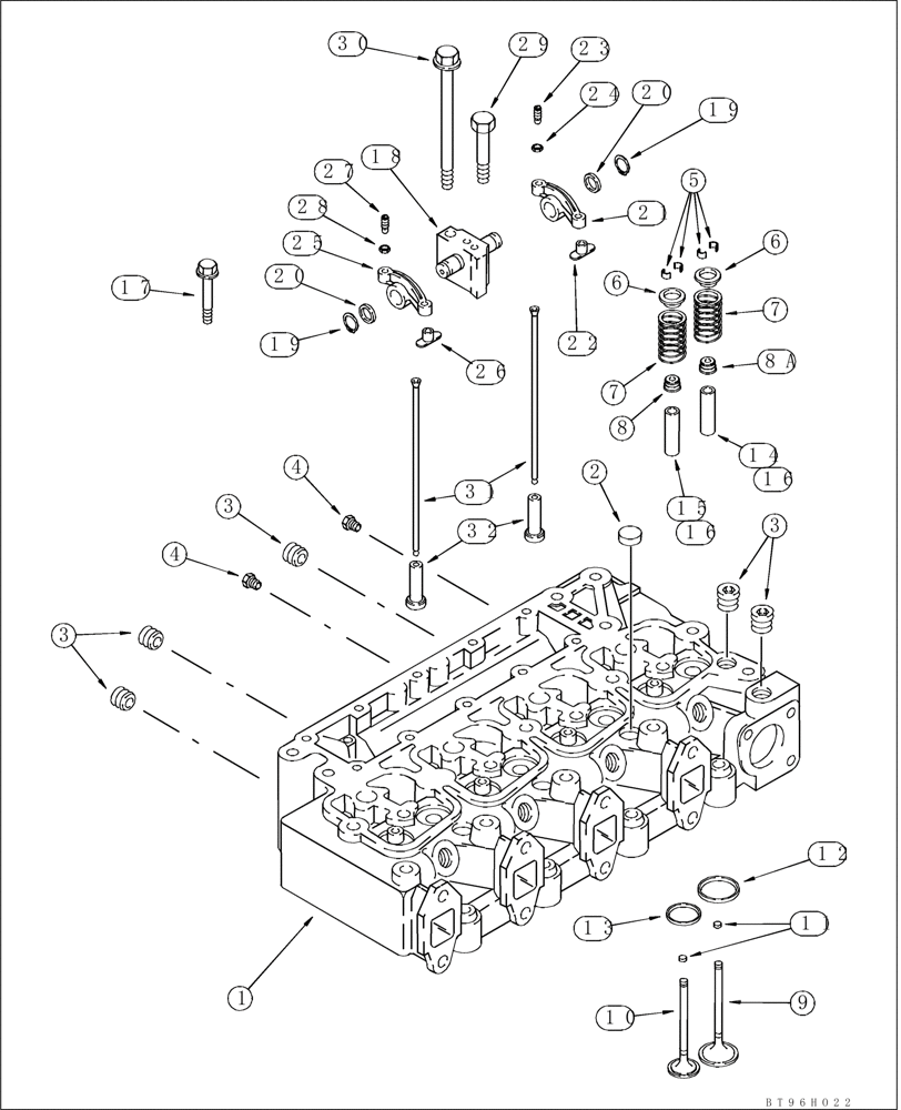
Запчасти Case 570MXT (02-20) - CYLINDER HEAD AND VALVE MECHANISM - 4T-390 EMISSIONS CERTIFIED ENGINE (02) - ENGINE

Схема запчастей Case 570MXT - (02-20) - CYLINDER HEAD AND VALVE MECHANISM - 4T-390 EMISSIONS CERTIFIED ENGINE (02) - ENGINE
27
31
7
26
6
24
28
3
19
12
17
7
1
16
10
16
14
bt96ho22
19
4
32
25
18
11
8a
8
15
6
13
5
20
20
9
2
3
21
29
22
30
23
4
3
FIT
1:1
100%

Артикул

Название

Примечание

Количество

87430141

CYLINDER HEAD

With Valves, Incl. 1, 2, 5 - 11, Replaces J927330, J938660

1шт.

87430142

REMAN-CYLINDER HEAD

Replaces JR927330, JR938660

1шт.

87430143

CORE-CYLINDER HEAD

Return Part Number Replaces JC927330, JC938660

1шт.

1

NSS

NOT SOLD SEPARAT

Without Valves

1шт.

2

A77783

PLUG

21 mm OD

3шт.

3

217-466

DRAIN PLUG,Sq Soc, 1/2" - 14, NTPF

5шт.

4

J906619

PLUG,1/8" - 27

1/8 PT

2шт.

5

CASJ900250

RETAINER

16шт.

6

J935038

RETAINER

Used With J927330, J938660

8шт.

6

87433959

RETAINER

Used With 87430141

8шт.

7

J932453

SPRING

8шт.

8

J921640

SEAL

Used With J927330, J938660

4шт.

8

87433962

SEAL

Used With 87430141

4шт.

8a

J921640

SEAL

Used With J927330, J938660

4шт.

8a

87433962

SEAL

Used With 87430141

4шт.

9

J920867

VALVE

4шт.

10

J920868

VALVE

4шт.

11

J910412

WEAR PAD

Service Repair Only

1шт.

12

J906854

SEAT, VALVE

Intake; Service Repair Only

4шт.

13

J904105

SEAT, VALVE

Exhaust; Service Repair Only

4шт.

14

J904408

GUIDE

14 mm OD; Intake; Service Repair Only

4шт.

15

J904409

GUIDE

14 mm OD; Exhaust; Service Repair Only

4шт.

16

J906206

GUIDE

11 mm OD; Intake And Exhaust; Service Repair Only

8шт.

17

J920779

BOLT,Flng, M12 x 1.75 x 70mm, Cl 12.9

70 mm

4шт.

17

J920780

BOLT,Flng, M12 x 1.75 x 120mm, Cl 12.9

120 mm

10шт.

18

J922488

SUPPORT

4шт.

19

J900242

SNAP RING

8шт.

20

J900245

WASHER

8шт.

21

J910811

ROCKER

Intake; Incl. 22 -24

4шт.

22

NSS

NOT SOLD SEPARAT

Insert

1шт.

23

J937438

ADJUSTMENT SCREW,Hex Skt, 3/8" - 24 x 33mm, Adj, Ball Point

Replaces J934086

1шт.

24

A77902

NUT

3/8 NF

1шт.

25

J910810

ROCKER

Exhaust; Incl. 26 - 28

4шт.

26

NSS

NOT SOLD SEPARAT

Insert

1шт.

27

J937438

ADJUSTMENT SCREW,Hex Skt, 3/8" - 24 x 33mm, Adj, Ball Point

Replaces J934086

1шт.

28

A77902

NUT

3/8 NF

1шт.

29

J901221

BOLT

M8 x 75

4шт.

30

J920781

BOLT,Flng, M12 x 1.75 x 180mm, Cl 12.9

180 mm

4шт.

31

J284377

PUSH ROD

8шт.

32

J931623

TAPPET

8шт.

33

87404692

GAUGE

Cylinder Head Bolt Length; Not Illustrated

1шт.

Выбрано товаров: 41