Запчасти Case 570MXT (04-13) - ELECTRICAL - LAMPS, ROPS CANOPY (STANDARD) (04) - ELECTRICAL SYSTEMS

Схема запчастей Case 570MXT - (04-13) - ELECTRICAL - LAMPS, ROPS CANOPY (STANDARD) (04) - ELECTRICAL SYSTEMS
5
5
2
7
1
8
1
6
5
9
6
5
10
4
2
FIT
1:1
100%

Артикул

Название

Примечание

Количество

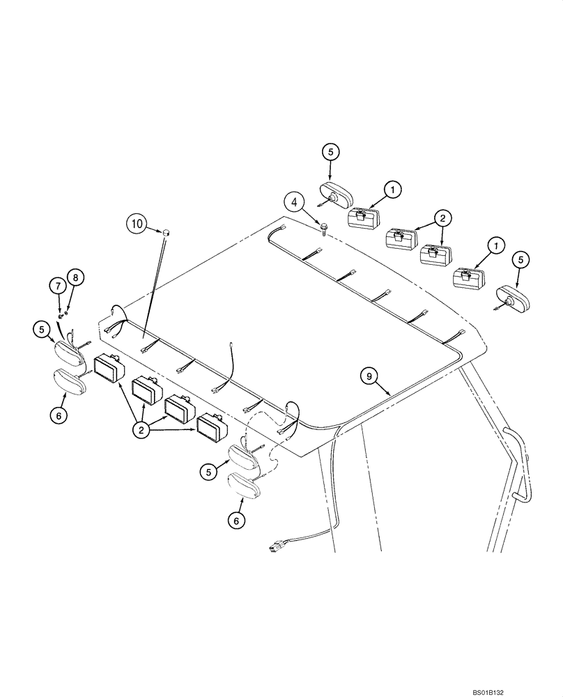
1

398846A3

LIGHT ASSY.

Front Driving; Outer; Incl. 1312210C2, 404996A1; ABL Brand; If Used

2шт.

1

87343247

FRONT LAMP,Halogen, 12V, 55W, Clear

Driving; Outer; Incl. 1312210C2 Bulb; Cobo Brand; If Used

2шт.

1312210C2

BULB,Halogen H3, 12V, 55W

12V, 55W, H3

1шт.

NSS

NOT SOLD SEPARAT

Lens

1шт.

2

398847A3

WORK LAMP,Halogen, 12V, 55W, Clear

Front and Rear Flood and Work Lamps; Incl. 1312210C2, 276498A1; ABL Brand; If Used

2-6шт.

2

87443080

WORK LAMP,Halogen, 12V, 55W, Clear

Rear Flood; Incl. 1312210C2 Bulb; Cobo Brand; If Used

2шт.

1312210C2

BULB,Halogen H3, 12V, 55W

12V, 55W, H3

1шт.

NSS

NOT SOLD SEPARAT

Lens, With Hardened Glass; Replaces 1964801C1 Non-Hardened Lens Used In Production

1шт.

4

128312A1

FLANGE BOLT,Hvy Hex, M10 x 1.5 x 15mm, Gr 8.8

M10 x 15

4-8шт.

5

D135384

LAMP,12V

Turn Signal and Flasher; See Figure 04-16

4шт.

6

D121152

LAMP,12V

Stop And Tail; See Figure 04-16

2шт.

7

329032A1

SELF-TAP SCREW,Hex WAHR HD TPG #10 x 0.375 END TT

No. 10 x 3/8

12шт.

8

495-31022

WASHER,#10

12шт.

9

283001A1

HARNESS

Canopy Lamps

1шт.

10

353-402

PLUG,Dome, .375" hole, Nylon

If Used

2-4шт.

19

353-405

PLUG,Dome, .562" hole, Nylon

If Used

9шт.

Выбрано товаров: 16