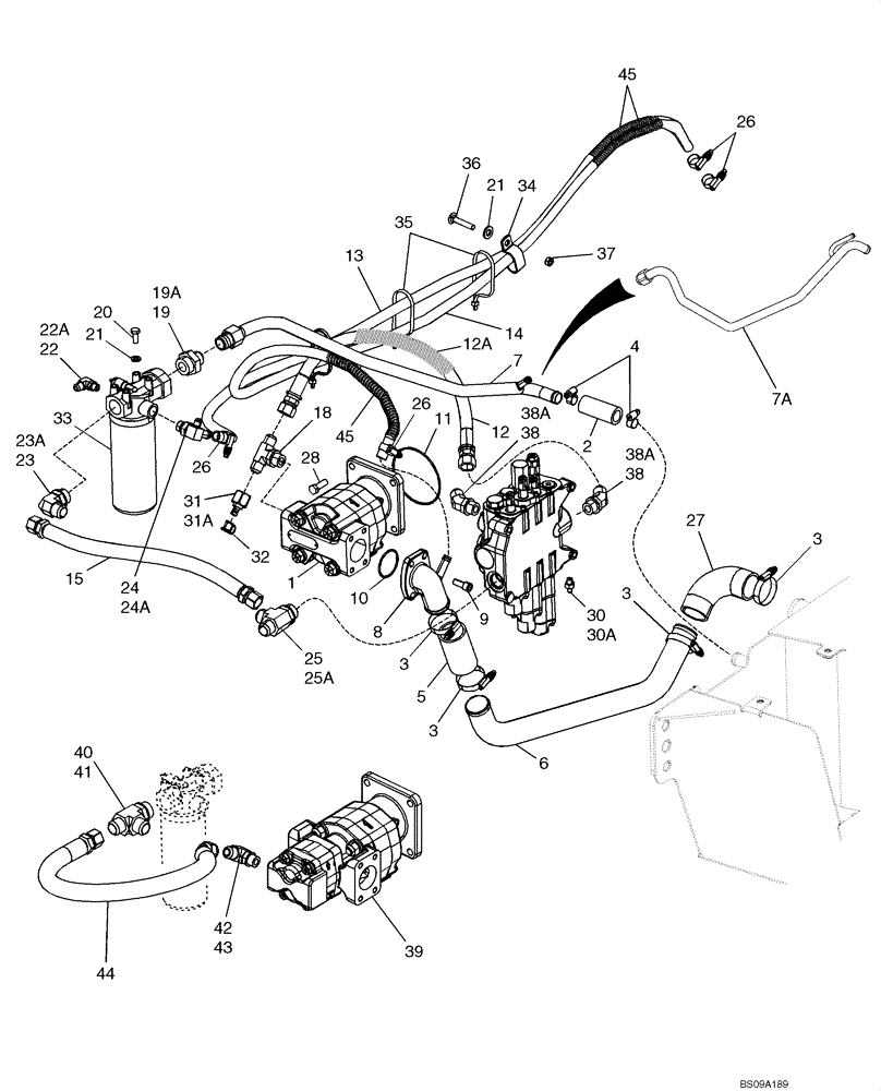
Запчасти Case 570MXT (08-01) - HYDRAULICS - PUMP, FILTER AND LOADER VALVE (08) - HYDRAULICS

Схема запчастей Case 570MXT - (08-01) - HYDRAULICS - PUMP, FILTER AND LOADER VALVE (08) - HYDRAULICS
7
31
21
35
13
4
26
43
3
24a
37
3
34
38
30a
12a
41
3
1
3
39
11
32
12
19a
38a
33
22
45
5
14
44
9
10
31a
23
24
20
42
36
25
27
15
26
18
21
8
19
30
45
22a
7a
25a
38a
23a
6
2
26
38
28
40
FIT
1:1
100%

Артикул

Название

Примечание

Количество

1

87677672

HYDRAULIC PUMP

Models Without PTO; See Figure 08-13

1шт.

2

D38435

HOSE,1" ID x 1 1/2" OD 3.5" L

1шт.

3

259044A1

CLAMP

4шт.

4

214-1420

HOSE CLAMP,#20, 0.81" - 1.75", Type F Worm

2шт.

5

87306307

HOSE,50.80 mm ID x 105 mm

Suction

1шт.

6

87703686

HYD TUBE

Suction

1шт.

7

87748435

HYD TUBE,25.4mm OD

Filter to Hydraulic Tank; Replaces 87703229; If Used

1шт.

7a

84158463

HYD TUBE,25.40 mm OD

Filter To Hydraulic Tank; Replaces 87499969; If Used

1шт.

8

87434257

FLANGE ASSY

Suction Inlet

1шт.

9

864-12030

HEX SOC SCREW,M12 x 30mm, Cl 8.8

3шт.

10

238-5228

O-RING,0.139" Thk x 2.234" ID, -228, Cl 5, 75 Duro

1шт.

11

175156

O-RING,0.103" Thk x 4.987" ID, -159, Cl 5, 75 Duro

1шт.

12

87746453

HOSE ASSY.,19mm ID x 710mm L, SAE 100R17

Front Pump Suction, 710 mm (27-15/16 in)

1шт.

12a

87656501

HOSE PROTECTION,340.00 mm ID x 540.00 mm

Guard

1шт.

13

87426966

HOSE,5/8" ID, 1860mm L

Cooler To Filter; Replaces 87741913 1430 mm (56-1/2 in) Hose

1шт.

14

87741914

HOSE,15.88mm ID x 1920mm L, SAE 100R16

Cooler to Pump

1шт.

15

87454466

HOSE ASSY.,3/4" x 565mm L, 12-AT3K

Filter Return; 565 mm (22-1/4 in)

1шт.

18

218-5185

TEE,1-1/16" - 12 Male JIC x 1-1/16" - 12 Male JIC x 1-1/16" - 12 Male ORB

1шт.

19

218-5086

HYD CONNECTOR,1 5/16"-12, 37 Degree x 1 5/8"-12, O-Ring

Incl. Ref. 19A

1шт.

19a

237-6020

O-RING,0.118" Thk x 1.475" ID, -920, Cl 6, 90 Duro

1шт.

20

614-10025

BOLT,Hex, M10 x 1.5 x 25mm, Cl 8.8

1шт.

21

896-11010

WASHER,11mm ID x 21mm OD x 2.5mm Thk

5шт.

22

218-5280

ELBOW,90 Degree, 3/4"-16, 37 Degree x 9/16"-18, O-Ring

Incl. Ref. 22A

1шт.

22a

237-6006

O-RING,0.078" Thk x 0.468" ID, -906, Cl 6, 90 Duro

1шт.

23

218-5110

ELBOW,90 Degree Elbow, 1-5/16" - 12 Male JIC x 1-5/16" - 12 Male ORB

Incl. Ref. 23A

1шт.

23a

237-6016

O-RING,0.116" Thk x 1.171" ID, -916, Cl 6, 90 Duro

1шт.

24

301104A1

FITTING,5/8" OD x 7/8" - 14 ORFS x 9/16" - 18 JIC

Special Tee W/Hose Barb, Incl. Ref. 24A

1шт.

24a

237-6010

O-RING,0.097" Thk x 0.755" ID, -910, Cl 6, 90 Duro

1шт.

25

218-5245

TEE,1-5/16" - 12 Male JIC x 1-5/16" - 12 Male JIC x 1-5/16" - 12 Male ORB

Incl. Ref. 25A

1шт.

25a

237-6016

O-RING,0.116" Thk x 1.171" ID, -916, Cl 6, 90 Duro

1шт.

26

328186A1

HOSE CLAMP,400mm L

4шт.

27

282497A1

HYDRAULIC HOSE,51.00 mm ID x 102.00 mm, SAE 30R7

Suction

1шт.

28

514-832

BOLT,Hex, M12 x 1.25 x 35mm, Cl 8.8, Full Thd

4шт.

30

87423401

FITTING,1/4" JIC x 3/8" ORB

Incl. Ref. 30A

1шт.

30a

237-6006

O-RING,0.078" Thk x 0.468" ID, -906, Cl 6, 90 Duro

1шт.

31

D137625

QUICK MALE COUPLING,1 - 1/16" - 12UNF - 2B ID

Incl. Ref. 31A

1шт.

31a

425-1120

NUT,1 1/4"-12, G5

1шт.

32

H434163

DUST CAP

1шт.

33

87440045

FILTER ASSY

Hydraulic Oil, See Figure 08-24

1шт.

34

D39696

CLAMP,25.40mm - 13.49mm Bolt, CTD

1шт.

35

L18331

CABLE TIE,375.9mm L, Nylon, Black

3шт.

36

711-10060

CARRIAGE BOLT,Sq Nk, M10 x 1.5 x 60mm, Cl 8.8

1шт.

37

829-1410

NUT,M10 x 1.5, Cl 10.9

1шт.

38

218-5124

ELBOW,90 Degree Elbow, 1-5/16" - 12 Male JIC x 1-1/16" - 12 Male ORB

Incl. Ref. 38A

2шт.

38a

237-6010

O-RING,0.097" Thk x 0.755" ID, -910, Cl 6, 90 Duro

1шт.

39

87475000

HYDRAULIC PUMP

Models With PTO; Includes 84147685 Service Kit

1шт.

84147685

HYD PUMP REPAIR KIT

Seal Kit, Includes (1) Snap Ring, (1) O-Ring, (4) SQ-R Rings (4) Backup Rings, (4) Chan Seals, (2) Lip Seals

1шт.

40

218-5245

TEE,1-5/16" - 12 Male JIC x 1-5/16" - 12 Male JIC x 1-5/16" - 12 Male ORB

Incl. 41

1шт.

41

237-6016

O-RING,0.116" Thk x 1.171" ID, -916, Cl 6, 90 Duro

1шт.

42

218-5123

ELBOW,90 Degree Elbow, 1-1/16" - 12 Male JIC x 7/8" - 14 Male ORB

Incl. 43

1шт.

43

237-6010

O-RING,0.097" Thk x 0.755" ID, -910, Cl 6, 90 Duro

1шт.

44

84120336

HOSE ASSY.,19mm ID x 825mm L, SAE 100R17

PTO Pump To Filter

1шт.

45

D132982

PADDLE,26.87mm ID x 400mm L

Hose Guard

3шт.

Выбрано товаров: 53