Запчасти Case 570MXT (08-16) - VALVE ASSY - HITCH, THREE POINT (FOUR SPOOL CONTROL VALVE) (08) - HYDRAULICS

Схема запчастей Case 570MXT - (08-16) - VALVE ASSY - HITCH, THREE POINT (FOUR SPOOL CONTROL VALVE) (08) - HYDRAULICS
9
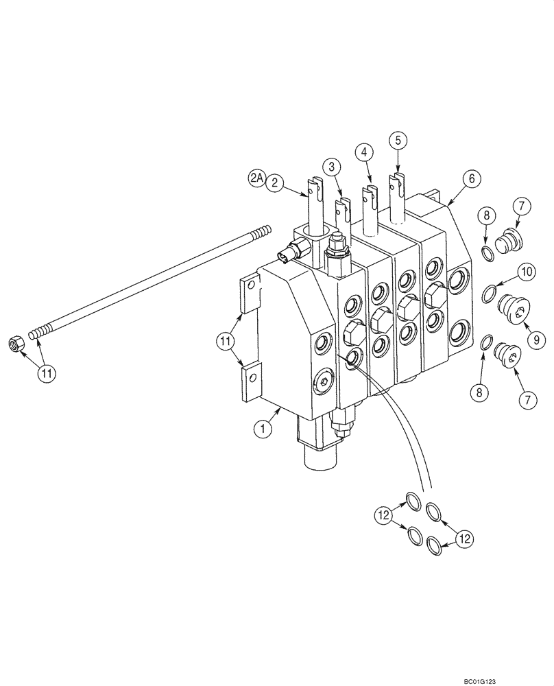
12
2a
7
8
4
11
5
12
11
7
1
3
6
2
10
8
FIT
1:1
100%

Артикул

Название

Примечание

Количество

FOUR SPOOL CONTROL VALVE

1шт.

392413A1

VALVE, CONTROL

Valve Assy With Switch On Lift Spool For Lock Valve, Incl. Refs 1, 2, 3 - 12, If Used

1шт.

86981899

CONTROL VALVE

Valve Assy Without Switch On Lift Spool For Lock Valve, Incl. Refs. 1, 2A - 12, If Used

1шт.

1

432849A1

COVER ASSY

Inlet Section, See Figure 08-18

1шт.

2

418955A1

HYD VALVE SECTION

Lift Section, With Switch On Lift Spool For Lock Valve, Service Replacement, See Figure 08-19

1шт.

2a

419776A1

HYD VALVE SECTION

Lift, Without Switch On Lift Spool For Lock Valve, 86981899 Valve, Used In Production, For Service Order 418955A1, Ref 2, Not Illustrated, See Figure 08-20

1шт.

3

418956A1

HYD VALVE SECTION

Pitch Section, See Figure 08-21

1шт.

4

418956A1

HYD VALVE SECTION

Tilt Section, See Figure 08-21

1шт.

5

418956A1

HYD VALVE SECTION

Implement Section, See Figure 08-21

1шт.

418957A1

COVER ASSY

Outlet, Incl. Refs. 6 - 10

1шт.

6

419343A1

HOUSING

1шт.

7

86590562

PLUG,Hex Soc, 3/4" - 16 ORB

Incl. Refs. 8

2шт.

8

128825

O-RING,0.087" Thk x 0.644" ID, -908, Cl 6, 90 Duro

1шт.

9

86625138

PLUG,7/18" - 14

Incl. Refs. 10

1шт.

10

167269

O-RING,0.097" Thk x 0.755" ID, -910, Cl 6, 90 Duro

1шт.

11

432852A1

KIT

Stud

4-8шт.

11

432848A1

KIT

Component Parts Not Serviced Separately, Includes (4) Tie Bolts, (8) Nuts, (2) Brackets and (6) Seals

2шт.

12

418958A1

KIT

Section Seals, Component Parts Not Serviced Separately, Includes (4) O-Rings

5шт.

REF

INSTRUCTION

To Convert Four Spool Valve to Five Spool Valve, Order 430409A1 Valve Section Kit

1шт.

430409A1

HYDRAULIC VALVE

Includes 418956A1 5th Work Section, (4) Tie Rods for Five Spool, (4) O-Rings

1шт.

Выбрано товаров: 0