Запчасти Case 570MXT (08-17) - VALVE ASSY - HITCH, THREE POINT (FIVE SPOOL CONTROL VALVE) (08) - HYDRAULICS

Схема запчастей Case 570MXT - (08-17) - VALVE ASSY - HITCH, THREE POINT (FIVE SPOOL CONTROL VALVE) (08) - HYDRAULICS
4
3
5
11
8
11
12
12
9
2
5a
10
7
6
1
7
8
FIT
1:1
100%

Артикул

Название

Примечание

Количество

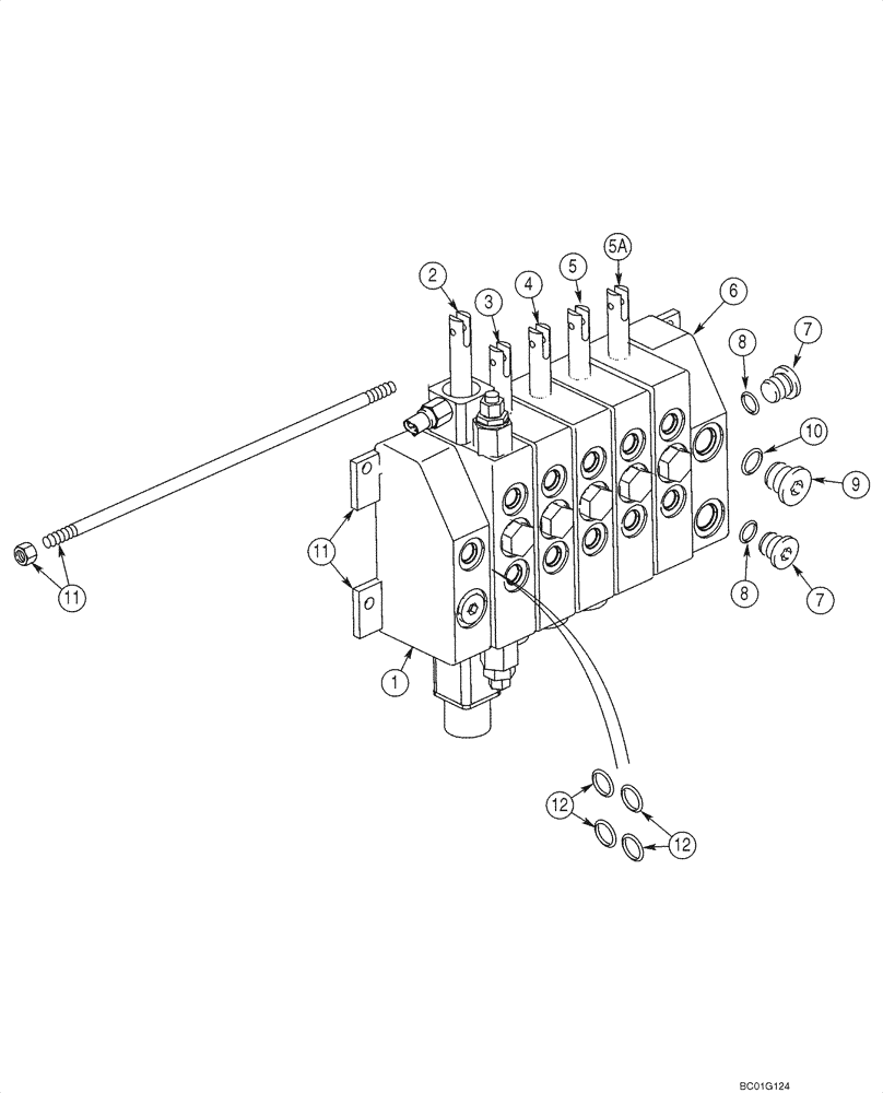
FIVE SPOOL CONTROL VALVE

1шт.

405818A1

VALVE, CONTROL

Incl. Refs. 1 - 12

1шт.

1

432849A1

COVER ASSY

Inlet Section, See Figure 08-18

1шт.

2

418955A1

HYD VALVE SECTION

Lift Section, With Switch On Lift Spool For Lock Valve, See Figure 08-19

1шт.

3

418956A1

HYD VALVE SECTION

Pitch Section, See Figure 08-21

1шт.

4

418956A1

HYD VALVE SECTION

Tilt Section, See Figure 08-21

1шт.

5

418956A1

HYD VALVE SECTION

Implement Section, See Figure 08-21

1шт.

5a

418956A1

HYD VALVE SECTION

Auxiliary Section, See Figure 08-21

1шт.

418957A1

COVER ASSY

Outlet Section, Incl. Refs. 6 - 10

1шт.

6

419343A1

HOUSING

1шт.

7

71100209

PLUG,Hex Soc, 3/4"-16 ORB

Incl Ref 8

2шт.

8

128825

O-RING,0.087" Thk x 0.644" ID, -908, Cl 6, 90 Duro

1шт.

9

86625138

PLUG,7/18" - 14

Incl. Ref. 10

1шт.

10

167269

O-RING,0.097" Thk x 0.755" ID, -910, Cl 6, 90 Duro

1шт.

11

419076A1

KIT

Stud

1шт.

12

418958A1

KIT

Section Seals, Component Parts Not Serviced Separately, Includes (4) O-Rings

6шт.

REF

INSTRUCTION

To Convert Four Spool Valve to Five Spool Valve, Order 430409A1 Valve Section Kit

1шт.

430409A1

HYDRAULIC VALVE

Includes 418956A1 5th Work Section, (4) Tie Rods for Five Spool, (4) O-Rings

1шт.

Выбрано товаров: 0