Запчасти Case 570MXT (08-19) - VALVE SECTION - HITCH LIFT (08) - HYDRAULICS

Схема запчастей Case 570MXT - (08-19) - VALVE SECTION - HITCH LIFT (08) - HYDRAULICS
6
10
3
2
4
13
7
9
4
12
14
7
20
4
19
17
21
3
18
4
4
4
19
1
11
4
16
15
5
4
4
8
FIT
1:1
100%

Артикул

Название

Примечание

Количество

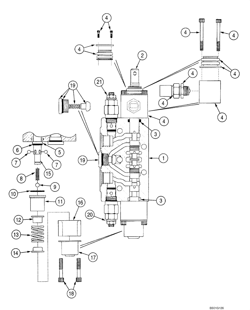
418955A1

HYD VALVE SECTION

Hitch Lift Section, With Switch On Lift Spool For Lock Valve, Incl. Refs. 1 - 21

1шт.

1

NSS

NOT SOLD SEPARAT

Housing

1шт.

2

NSS

NOT SOLD SEPARAT

Spool

1шт.

3

419308A1

SEAL

Spool Lip Seal, Includes (2) O-Rings, Component Parts Not Serviced Separately

1шт.

4

419347A1

KIT

Switch Block, Includes Switch, Lock Nut, Block, Retainer, Boot and (4) Screws, Component Parts Not Serviced Separately

1шт.

432850A1

KIT

Detent, Incl. Refs. 5 - 18

1шт.

5

419337A1

SLEEVE

1шт.

6

419338A1

SEAL

SEALRING

1шт.

7

86642303

BALL,6.42mm OD, Gr 24

4шт.

8

419339A1

COIL SPRING

1шт.

9

86642304

BALL,7.94mm OD, Gr 24

1шт.

10

NSS

NOT SOLD SEPARAT

O-Ring

1шт.

11

NSS

NOT SOLD SEPARAT

Sleeve

1шт.

12

NSS

NOT SOLD SEPARAT

Seat

1шт.

13

NSS

NOT SOLD SEPARAT

Spring

1шт.

14

NSS

NOT SOLD SEPARAT

Seat

1шт.

15

432851A1

SPOOL

1шт.

16

NSS

NOT SOLD SEPARAT

Spacer

1шт.

17

419341A1

COVER

1шт.

18

NSS

NOT SOLD SEPARAT

Screw

4шт.

19

419306A1

KIT

Load Check, Includes Plug, O-Ring, Spring and Poppet, Component Parts Not Serviced Separately

1шт.

20

433552A1

VALVE, PRESSURE RELI

EF 2550 psi, Includes 419313A1, Component Parts Not Serviced Separately, For Service Of External Seals, Order 419313A1

1шт.

21

433553A1

VALVE, PRESSURE RELI

EF 500 psi, Includes 419313A1, Component Parts Not Serviced Separately, For Service Of External Seals, Order 419313A1

1шт.

419313A1

KIT

Includes (2) O-Rings and (1) Backup Ring, Component Parts Not Serviced Separately

1шт.

Выбрано товаров: 24