Запчасти Case 570MXT (02-07) - ENGINE MOUNTING (02) - ENGINE

Схема запчастей Case 570MXT - (02-07) - ENGINE MOUNTING (02) - ENGINE
5
7
3
6
9
8
2
8
4
1
3
7
5
6
9
4
FIT
1:1
100%

Артикул

Название

Примечание

Количество

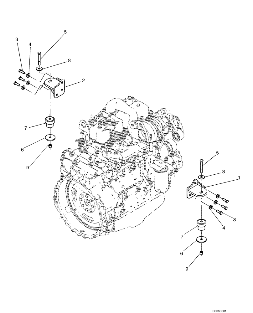
1

87475322

BRACKET, SUPPORTING

RH Engine Mounting

1шт.

2

87475321

BRACKET, SUPPORTING

LH Engine Mounting

1шт.

3

614-12035

BOLT,Hex, M12 x 1.75 x 35mm, Cl 8.8, Full Thd

6шт.

4

896-15012

WASHER,13.5mm ID x 28mm OD x 4mm Thk

6шт.

5

814-12090

BOLT,Hex, M12 x 1.75 x 90mm, Cl 8.8

2шт.

6

85801585

SEALING WASHER,13mm ID x 65mm OD x 5mm Thk

2шт.

7

87416966

ISOLATOR

2шт.

8

85802618

SEALING WASHER,13mm ID x 41mm OD x 3mm Thk

2шт.

9

832-10412

NUT,M12 x 1.75, Cl 8

2шт.

Выбрано товаров: 9