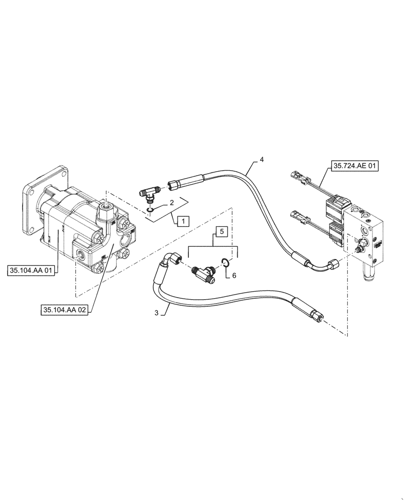
Запчасти Case 570N EP (35.104.AA[03]) - PUMP, LOADER COUPLER VALVE, HYD. LINE (35) - HYDRAULIC SYSTEMS

Схема запчастей Case 570N EP - (35.104.AA[03]) - PUMP, LOADER COUPLER VALVE, HYD. LINE (35) - HYDRAULIC SYSTEMS
35.104.aa 01
2
5
1
6
3
4
35.724.ae 01
35.104.aa 02
FIT
1:1
100%

Артикул

Название

Примечание

Количество

1

86513020

TEE,9/16" - 18 ORB x 9/16" - 18 JIC x 9/16" - 18 JIC

Used on Shimadzu Pump, Incl 2

1шт.

2

9617873

O-RING,0.078" Thk x 0.468" ID, -906, Cl 6, 90 Duro

1шт.

3

47915763

HYDRAULIC HOSE,10mm ID, 618mm L, SAE100R16 type S

Pump To Coupler, Pressure, Used on Shimadzu Pump

1шт.

4

47916272

HYDRAULIC HOSE

Pump To Coupler, Load Sense, Used on Shimadzu Pump

1шт.

5

87029963

HYD CONNECTOR,3/4" Male JIC x 3/4" Male JIC x 3/4" Female JIC

Used on Shimadzu Pump

1шт.

6

128825

O-RING,0.087" Thk x 0.644" ID, -908, Cl 6, 90 Duro

1шт.

Выбрано товаров: 6