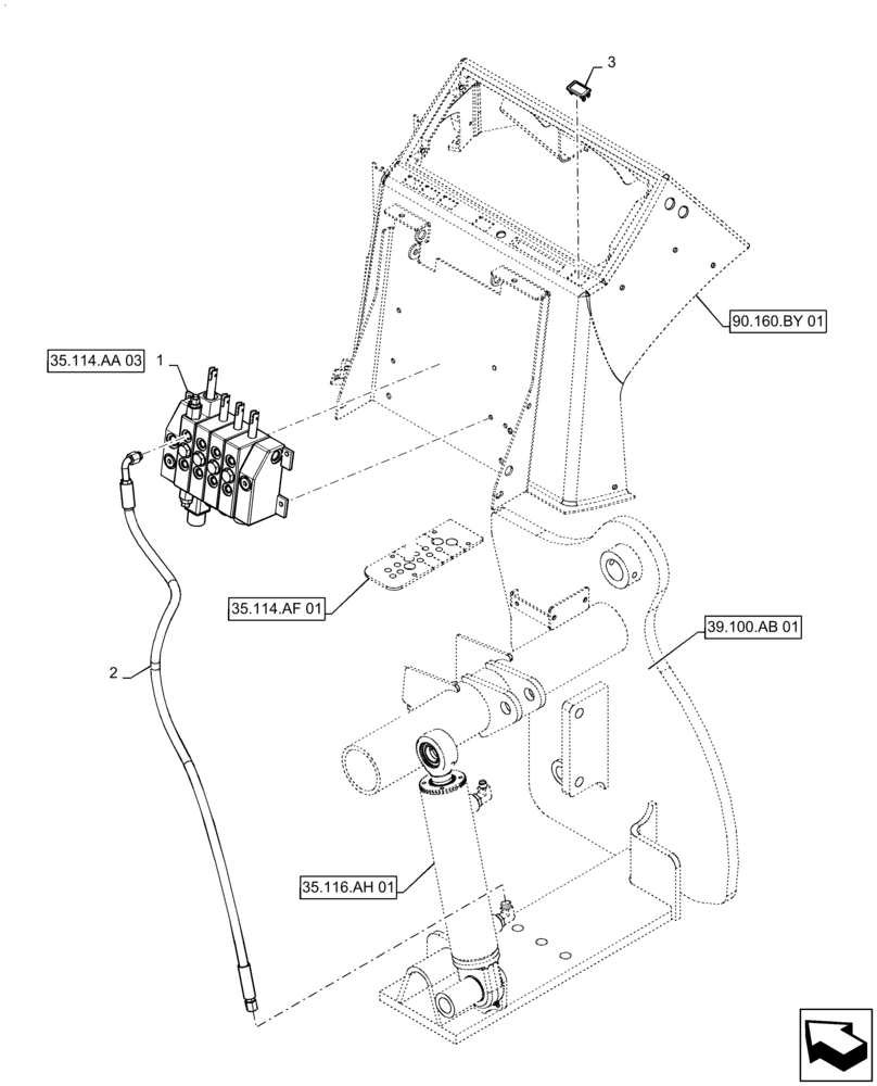
Запчасти Case 570N EP (35.114.AA[01]) - 3 POINT HITCH, 4 SPOOL VALVE, SINGLE TILT, WITHOUT HOLDING VALVE (35) - HYDRAULIC SYSTEMS

Схема запчастей Case 570N EP - (35.114.AA[01]) - 3 POINT HITCH, 4 SPOOL VALVE, SINGLE TILT, WITHOUT HOLDING VALVE (35) - HYDRAULIC SYSTEMS
90.160.by 01
2
3
35.114.af 01
35.116.ah 01
1
39.100.ab 01
35.114.aa 03
FIT
1:1
100%

Артикул

Название

Примечание

Количество

1

84260987

VALVE, CONTROL

4 Spool, 3 Point Hitch

1шт.

See Fig 35.114.AA (03) For Service Parts

1шт.

2

87573253

HOSE ASSY.,10mm ID x 1306mm L, SAE 100R17

Lift Cylinder, Head End

1шт.

3

126844A1

PLUG,1.427” x .62” , Plastic

Switch Hole Cover

1шт.

Выбрано товаров: 4