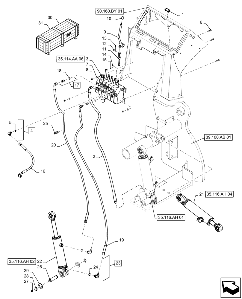
Запчасти Case 570N EP (35.114.AA[04]) - VAR - 747877 - 3 POINT HITCH, 5 SPOOL VALVE, DUAL TILT, WITHOUT HOLDING VALVE (35) - HYDRAULIC SYSTEMS

Схема запчастей Case 570N EP - (35.114.AA[04]) - VAR - 747877 - 3 POINT HITCH, 5 SPOOL VALVE, DUAL TILT, WITHOUT HOLDING VALVE (35) - HYDRAULIC SYSTEMS
15
23
9
35.116.ah 04
24
14
25
30
35.116.ah 01
90.160.by 01
11
3
19
27
35.114.aa 06
8
2
17
29
1
39.100.ab 01
26
18
10
6
28
4
21
31
7
35.116.ah 02
13
12
5
20
22
16
FIT
1:1
100%

Артикул

Название

Примечание

Количество

1

126844A1

PLUG,1.427” x .62” , Plastic

Switch Hole Cover

1шт.

2

87573253

HOSE ASSY.,10mm ID x 1306mm L, SAE 100R17

Lift, Head End

1шт.

3

84260988

VALVE, CONTROL

3 point Hitch, 5 Spool

1шт.

See Fig 35.114.AA (06) For Service Parts

1шт.

4

76344

90 ELBOW,9/16" - 18 JIC x 9/16" - 18 ORB

Incl 5

2шт.

5

9617873

O-RING,0.078" Thk x 0.468" ID, -906, Cl 6, 90 Duro

Incl in 4

2шт.

6

43127

BOLT,Hex, M8 x 1.25 x 25mm, Cl 8.8

3шт.

7

87655042

SPECIAL WASHER,8.8mm ID x 17.5mm OD x 2.2mm Thk

3шт.

8

43362

NUT,M8 x 1.25, Cl 10

3шт.

9

411048A1

HANDLE

3 Point Hitch Control

1шт.

10

404169A1

KNOB

Valve Control

1шт.

11

411070A1

ROD ASSY.

Valve Control

1шт.

12

D149287

PIN,7.9mm OD x 26.72mm L

Clevis

1шт.

13

280250

COTTER PIN,3/32" OD x 3/4" L

1шт.

14

405776A1

CLEVIS PIN,4.72mm OD x 22.28mm L

Steel

1шт.

15

86523849

COTTER PIN,1/16" x 3/4"

1шт.

16

430561A1

HOSE ASSY.,6.35mm ID x 450mm L

4th and 5th Spool To Bulkhead

2шт.

17

76350

HYD CONNECTOR,9/16" - 18 ORB x 9/16" - 18 JIC

Incl 18

2шт.

18

9617873

O-RING,0.078" Thk x 0.468" ID, -906, Cl 6, 90 Duro

Incl in 17

2шт.

19

405838A3

HOSE ASSY.,6.35mm ID x 1630mm L

Head End

1шт.

20

405837A3

HOSE ASSY.,6.35mm ID x 1450mm L

Tilt Rod End

1шт.

21

84214699

CYLINDER,Double Acting, 31.8mm Rod, 178mm Stroke

Pitch,

1шт.

See Fig 35.116.AH (04) For Service Parts

1шт.

22

86982482

CYLINDER ASSY.,Double Acting, 31.8mm Rod, 160mm Stroke

Tilt

1шт.

See Fig 35.116.AH(02) For Service Parts

1шт.

23

76347

ELBOW,90 Degree, 9/16" - 18 JIC x 3/4" - 16 ORB

Incl 24

2шт.

24

128825

O-RING,0.087" Thk x 0.644" ID, -908, Cl 6, 90 Duro

Incl in 23

2шт.

25

L11541

CABLE TIE,203.2mm L, Nylon

1шт.

26

87317419

GROOVED PIN,25.34mm OD x 95mm L

Draft Arm

1шт.

27

80710

LUBE NIPPLE,1/8” – 27 Dryseal PTF

1шт.

28

D25277

SNAP RING,23.5mm ID x 2.62mm Thk

2шт.

29

495-11106

WASHER,1", SAE

2шт.

30

86992957

KIT

DIA Kit, 3 Point Hitch (5 Spool) (Order from Wholegoods Only) Incl 9 - 12, 16

1шт.

To See the Full DIA Kit Composition Look For All the Figures Where the DIA Kit P/N is Shown

1шт.

31

87572246

CYLINDER HEAD

DIA Kit, Dual Tilt Cylinder (Order from Wholegoods Only) Incl 19, 20, 22, 23, 26 - 30

1шт.

To See the Full DIA Kit Composition Look For All the Figures Where the DIA Kit P/N is Shown

1шт.

Выбрано товаров: 36