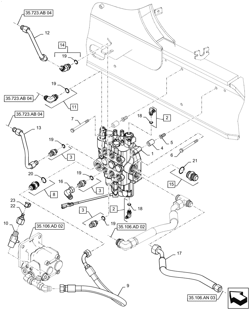
Запчасти Case 570N EP (35.359.AB[02]) - VAR - 745163, 747892 - LOADER CONTROL VALVE, 3 SPOOL (35) - HYDRAULIC SYSTEMS

Схема запчастей Case 570N EP - (35.359.AB[02]) - VAR - 745163, 747892 - LOADER CONTROL VALVE, 3 SPOOL (35) - HYDRAULIC SYSTEMS
35.106.ad 02
8
1
14
2
5
4
2
19
22
19
6
16
19
20
23
21
3
19
3
9
7
18
13
10
19
11
12
15
18
17
3
35.723.ab 04
35.723.ab 04
35.723.ab 04
35.106.an 03
35.106.ad 02
FIT
1:1
100%

Артикул

Название

Примечание

Количество

1

47907467

VALVE

Loader, 3 Spool

1шт.

2

86512934

90 ELBOW,90 Degree, 7/16"-20, 37 Degree x 9/16"-18, O-Ring

Incl 18

2шт.

3

87301330

HYD CONNECTOR,7/8" - 14 ORB x 7/8" - 14 JIC

Incl 19

3шт.

4

87417599

SPACER,11mm ID x 22mm OD x 30mm Thk

3шт.

5

87417721

THREADED INSERT,M10 x 1.5-6H x 29 L

3шт.

6

86508573

BOLT,Hex, M10 x 110mm, Cl 8.8

1шт.

7

120074

BOLT,Hex, M10 x 90, 8.8

2шт.

8

322896

HYD CONNECTOR,1-1/16" - 12 ORB x 1-1/16" - 12 JIC

Incl 20

1шт.

9

87452399

HYDRAULIC HOSE,1 1/16" - 12 JIC, 90 Degree, 775mm L

Rear Pump Section

1шт.

10

218-5411

TEE,37 Degree, 7/8"-14 x 3/4"-16, Fem Sw Run x 7/16"-20 Br

1шт.

11

164910

90 ELBOW,7/8" - 14 JIC x 7/8" - 14 ORB

Incl 19

2шт.

12

84380643

TUBE

Loader Lift, Port B

1шт.

13

84380579

TUBE

Loader Lift, Port A

1шт.

14

330345

45 ELBOW,45 Degree, 7/8"-14 x 7/8"-14, O-Ring

Incl 19

1шт.

15

378970

HYD CONNECTOR,1-5/16" - 12 ORB x 1-5/16" - 12 JIC

Incl 21

1шт.

16

182977

90 ELBOW,90 Degree, 7/8"-14, 37 Degree x 7/8"-14, 37 Degree Fem Sw

1шт.

17

84484113

HOSE ASSY.,19mm ID x 555mm L, SAE 100R6

Loader Control Valve to Flow Control Valve

1шт.

18

9617873

O-RING,0.078" Thk x 0.468" ID, -906, Cl 6, 90 Duro

2шт.

19

167269

O-RING,0.097" Thk x 0.755" ID, -910, Cl 6, 90 Duro

6шт.

20

167266

O-RING,0.116" Thk x 0.924" ID, -912, Cl 6, 90 Duro

1шт.

21

167268

O-RING,0.116" Thk x 1.171" ID, -916, Cl 6, 90 Duro

1шт.

22

D137625

QUICK MALE COUPLING,1 - 1/16" - 12UNF - 2B ID

Disconnect

1шт.

23

H434163

DUST CAP

1шт.

Выбрано товаров: 23