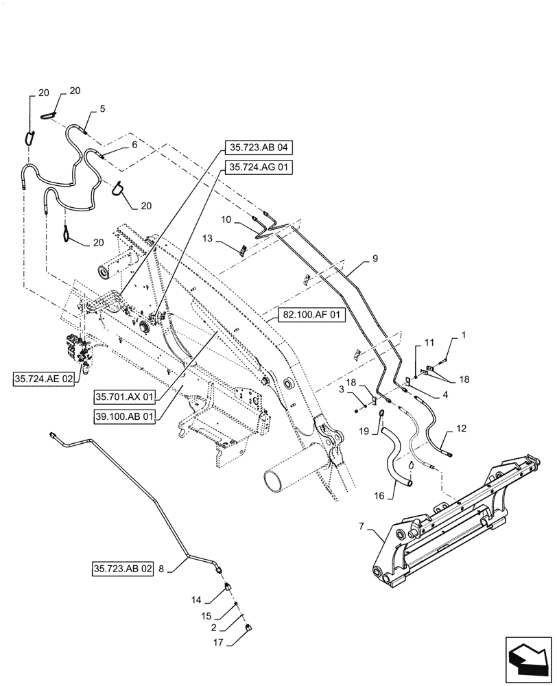
Запчасти Case 570N EP (35.525.AA[01]) - VAR - 423049 - FRONT LOADER COUPLER HOSES (35) - HYDRAULIC SYSTEMS

Схема запчастей Case 570N EP - (35.525.AA[01]) - VAR - 423049 - FRONT LOADER COUPLER HOSES (35) - HYDRAULIC SYSTEMS
39.100.ab 01
18
11
19
5
13
20
7
4
15
6
20
10
1
3
20
17
12
2
14
16
18
20
8
82.100.af 01
9
35.701.ax 01
35.723.ab 02
35.723.ab 04
35.724.ae 02
35.724.ag 01
FIT
1:1
100%

Артикул

Название

Примечание

Количество

1

120073

BOLT,Hex, M10 x 86.58mm, Cl 8.8

1шт.

2

167269

O-RING,0.097" Thk x 0.755" ID, -910, Cl 6, 90 Duro

1шт.

3

412141

NUT,M10 x 1.5, Cl 8

1шт.

4

84346489

PLATE

Tube Clamp

1шт.

5

84419261

HOSE ASSY.,6.3mm ID x 1600mm L

Loader Coupler, Port B

1шт.

6

84419262

HOSE ASSY.,6.3mm ID x 1600mm L

Loader Coupler, Port A

1шт.

7

87602621

FRAME

Loader Coupler, Manual

1шт.

7

84265982

COUPLING

Loader, W/Aux

1шт.

8

87716484

HYD TUBE

Loader Arm Bucket, Port A Coupler

1шт.

9

47832214

TUBE

Loader Coupler, Port C1

1шт.

10

47832215

TUBE

Loader Coupler, Port C2

1шт.

11

120303A1

SPACER,11mm ID x 15.82mm OD x 15mm Thk

1шт.

12

84266292

HYDRAULIC HOSE,6.35mm ID x 740mm L, SAE 100R16

Loader Coupler

2шт.

13

302820A2

CLAMP

Extension, Loader Coupler

3шт.

14

304424A1

HYD CONNECTOR,0.875" - 14 JIC x 0.875" - 14 ORB

1шт.

15

304890A1

RESTRICTOR

Check

1шт.

16

307277A1

PROTECTIVE SLEEVE,36.87mm ID x 850mm L

1шт.

17

309674A1

HYD CONNECTOR,0.875" - 14 ORB x 0.875" - 14 ORFS

1шт.

18

D138055

CLAMP

Tube

3шт.

19

L11541

CABLE TIE,203.2mm L, Nylon

2шт.

20

L18331

CABLE TIE,375.9mm L, Nylon, Black

4шт.

Выбрано товаров: 21