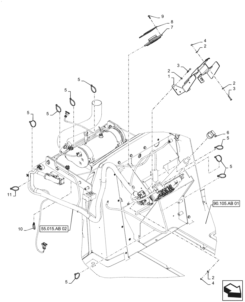
Запчасти Case 570N EP (55.015.AB[01]) - ENGINE WIRE HARNESS MOUNTING (55) - ELECTRICAL SYSTEMS

Схема запчастей Case 570N EP - (55.015.AB[01]) - ENGINE WIRE HARNESS MOUNTING (55) - ELECTRICAL SYSTEMS
90.105.ab 01
7
5
6
4
5
1
2
4
3
3
5
2
8
2
9
5
2
10
5
5
5
11
55.015.ab 02
FIT
1:1
100%

Артикул

Название

Примечание

Количество

1

84414504

BRACKET

ECU

1шт.

2

87655041

SPECIAL WASHER,6.85mm ID x 13.5mm OD x 2mm Thk

8шт.

3

43117

SCREW,Hex, M6 x 1.0 x 30mm, Cl 8.8

4шт.

4

86500688

NUT,Hex, M6 x 1.0, Cl 10.9

4шт.

5

L11541

CABLE TIE,203.2mm L, Nylon

10шт.

6

513309

HOSE CLAMP,1-1/16” - 2”, Worm Gear

1шт.

7

84498262

GROMMET,80mm L, 90mm L, 30mm L

Rubber, Block

1шт.

8

47735085

MOUNTING PLATE

Grommet Mounting, Firewall

1шт.

9

281-54512

SCREW,Hex Wshr Hd, #10 - 24 x 3/4"

4шт.

10

87668737

CABLE TIE,203.2mm L, Nylon, Black

Fir Tree

1шт.

11

84259663

CABLE TIE,228.6mm L, Nylon, Black

Cable Tie with Fir Tree Mount

1шт.

Выбрано товаров: 11