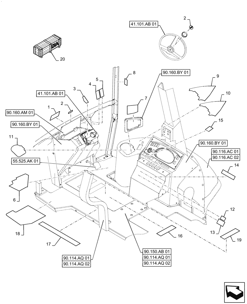
Запчасти Case 570N EP (90.108.AB[01]) - DECALS, INTERIOR (90) - PLATFORM, CAB, BODYWORK AND DECALS

Схема запчастей Case 570N EP - (90.108.AB[01]) - DECALS, INTERIOR (90) - PLATFORM, CAB, BODYWORK AND DECALS
55.525.ak 01
17
2
20
5
10
2
14
12
6
18
11
3
16
1
7
8
4
13
19
15
9
90.114.aq 01
90.114.aq 01
90.150.ab 01
90.116.ac 01
90.160.by 01
90.160.by 01
90.160.by 01
90.114.aq 02
90.114.aq 02
41.101.ab 01
41.101.ab 01
90.160.am 01
90.116.ac 02
FIT
1:1
100%

Артикул

Название

Примечание

Количество

1

144193A3

IMPORTANT DECAL

Glove Box Lid, English

1шт.

1

398662A1

IMPORTANT DECAL

Glove Box Lid, Spanish

1шт.

1

398663A1

IMPORTANT DECAL

Glove Box Lid, French

1шт.

2

84498473

DECAL

Steering Wheel

1шт.

3

D137615

DECAL

Shuttle Shift

1шт.

4

382622A1

DECAL,60mm x 90mm H

Front, Warning, English

1шт.

4

334000A2

DECAL

Front, Warning, Spanish

1шт.

4

333999A2

DECAL

Front, Warning, French

1шт.

5

47638187

DECAL

Hand Throttle, English

1шт.

5

47640542

DECAL

Hand Throttle, Spanish

1шт.

5

47640543

DECAL

Hand Throttle, French

1шт.

6

197346A1

LINING

RH Canopy, Non-Skid

1шт.

7

47511941

DECAL

Landscaper Fuse & Relay

1шт.

8

321-7030

WARNING DECAL

Do Not Jump, English

1шт.

8

398672A1

WARNING DECAL

Do Not Jump, Spanish

1шт.

8

398673A1

WARNING DECAL

Do Not Jump, French

1шт.

9

84329385

DECAL

Loader Control, 2 Function

1шт.

10

84329386

DECAL

Loader Control, 3 Function

1шт.

11

87738175

TAG

Anti-Roll Back Hazard, English

1шт.

11

87738597

TAG

Anti-Roll Back Hazard, Spanish

1шт.

11

87738598

TAG

Anti-Roll Back Hazard, French

1шт.

12

255927A1

WARNING DECAL

Ride Control, English

1шт.

12

256467A1

WARNING DECAL

Ride Control, Spanish

1шт.

12

353239A1

WARNING DECAL

Ride Control, French

1шт.

13

D150900

DECAL

Warning, Down Hill, English

1шт.

13

359937A1

DECAL

Warning, Down Hill, Spanish

1шт.

13

359938A1

DECAL

Warning, Down Hill, French

1шт.

14

417311A1

DECAL

3 Point Hitch, English

1шт.

14

430307A1

DECAL

3 Point Hitch, Spanish

1шт.

14

430308A1

DECAL

3 Point Hitch, French

1шт.

15

47579095

DECAL

Parking Brake, English

1шт.

15

47584086

DECAL

Parking Brake, Spanish

1шт.

15

47584088

DECAL

Parking Brake, French

1шт.

16

D55216

PAD,2" x 9"

Canopy, Anti-Skid

4шт.

17

D80270

ANTI-SKID STRIP,635mm / 25 Inch

Canopy

1шт.

18

197345A1

LINING

LH Canopy, Non-Skid

1шт.

19

47674117

DECAL

PTO/Aux Selection Arrow

1шт.

20

47795824

KIT

DIA Kit, Supplemental, High Flow Aux, With PTO, Incl 19

1шт.

To See the Full DIA Kit Composition Look For All the Figures Where the DIA Kit P/N is Shown

1шт.

Выбрано товаров: 39