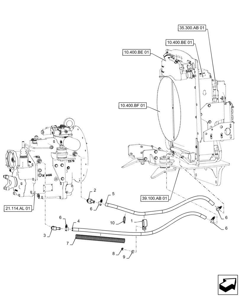
Запчасти Case 570N EP (21.100.AQ[01]) - TRANSMISSION OIL COOLER LINES, 2WD (21) - TRANSMISSION

Схема запчастей Case 570N EP - (21.100.AQ[01]) - TRANSMISSION OIL COOLER LINES, 2WD (21) - TRANSMISSION
9
10.400.be 01
7
6
6
35.300.ab 01
10.400.bf 01
5
8
6
1
2
3
4
10
21.114.al 01
6
39.100.ab 01
10.400.be 01
FIT
1:1
100%

Артикул

Название

Примечание

Количество

1

D39696

CLAMP,25.40mm - 13.49mm Bolt, CTD

1шт.

2

217-314

FITTING,45 Degree Elbow, 5/8" Hose Barb x 7/8" - 14 Male ORB

1шт.

3

217-349

ELBOW,90 Degree Elbow, 5/8" Hose Barb x 7/8" - 14 Male ORB

1шт.

4

87422598

HOSE,15.88mm ID x 1225mm L, SAE 100R6

Transmission Cooler

1шт.

5

87422597

HOSE,15.88mm ID x 975mm L, SAE 100R6

Transmission Cooler

1шт.

6

328186A1

HOSE CLAMP,400mm L

Constant Torque

4шт.

7

D132982

PADDLE,26.87mm ID x 400mm L

Wiring and Hose Guarding

1шт.

8

829-1410

NUT,M10 x 1.5, Cl 10.9

1шт.

9

87655046

SPECIAL WASHER,10.65mm ID x 23mm OD x 2.2mm Thk

1шт.

10

L11541

CABLE TIE,203.2mm L, Nylon

1шт.

Выбрано товаров: 10